电脑桌面
添加小米粒文库到电脑桌面
安装后可以在桌面快捷访问

中低碳锰铁技术操作规程

中低碳锰铁技术操作规程_第1页
1/12
中低碳锰铁技术操作规程_第2页
2/12
中低碳锰铁技术操作规程_第3页
3/12
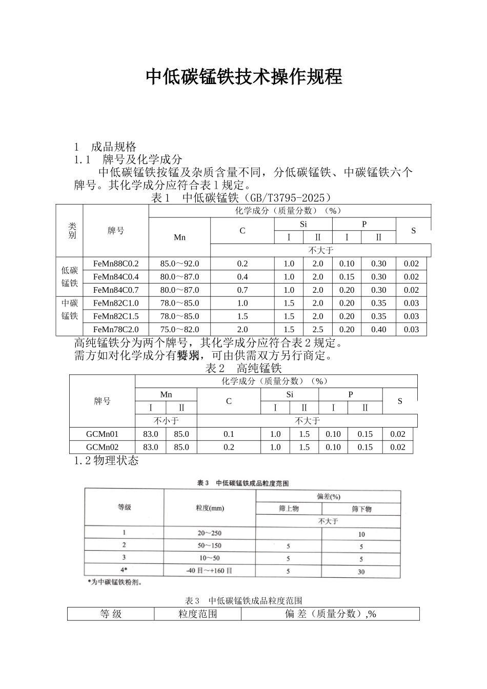
中低碳锰铁技术操作规程1 成品规格1.1 牌号及化学成分 中低碳锰铁按锰及杂质含量不同,分低碳锰铁、中碳锰铁六个牌号。其化学成分应符合表 l 规定。表 1 中低碳锰铁(GB/T3795-2025)类别牌号化学成分(质量分数)(%)MnCSiPSⅠⅡⅠⅡ不大于低碳锰铁FeMn88C0.285.0~92.00.21.02.00.100.300.02FeMn84C0.480.0~87.00.41.02.00.150.300.02FeMn84C0.780.0~87.00.71.02.00.200.300.02中碳锰铁FeMn82C1.078.0~85.01.01.52.00.200.350.03FeMn82C1.578.0~85.01.51.52.00.200.350.03FeMn78C2.075.0~82.02.01.52.50.200.400.03高纯锰铁分为两个牌号,其化学成分应符合表 2 规定。需方如对化学成分有特别要求,可由供需双方另行商定。表 2 高纯锰铁牌号化学成分(质量分数)(%)MnCSiPSⅠⅡⅠⅡⅠⅡ不小于不大于GCMn0183.085.00.11.01.50.100.150.02GCMn0283.085.00.21.01.50.100.150.021.2 物理状态表 3 中低碳锰铁成品粒度范围等 级粒度范围偏 差(质量分数),%(mm)筛 上 物筛 下 物不 大 于120~25010250~15055310~50554-40 目~+160 目5301.2.1 中低碳锰铁一般以块状交货,也可以粒状交货,其供货粒度应符合表 3 的规定。1.2.2 需方如对粒度有特别要求,可与供方协商。2 原料技术条件2.1 锰矿2.1.1 对锰矿石的要求 根据所生产的中低碳锰铁牌号不同,入炉锰矿石也相应地分为七种牌号,其主要质量指标应符合表 4 规定。表 4 入炉锰矿技术要求类别牌号锰矿石的质量指标(%)Mn≥Mn/Fe≥P/Mn≤1GCMn48180.00052FeMn88C0.248180.00053FeMn84C0.448100.0014FeMn84C0.745100.0025FeMn82Cl.04590.0026FeMn82C1.54590.0027FeMn78C2,04580.0022.1.2 锰矿的粒度 5~80 mm,水分小于 3%。2.1.3 锰矿中不得混有硅石和碳质杂物。2.2 锰硅合金2.2.1 化学成分 生产不同牌号的中锰所用锰硅合金的化学成分如表 5 所示。表 5 锰硅合金化学成分牌号化学成份(%)MnSiCPS使用范围ⅠⅡ不大于MnSiZ160300.050.050.100.04C≤0.1MnSiZ260270.150.100.200.04C≤0.2MnSiZ360250.30.100.200.04C≤0.4MnSiZ460240.40.100.230.04C≤0.5MnSiZ560220.70.130.230.04C≤0.7MnSiZ665190.850.130.230.04C≤1.0MnSiZ765171.40.130.230.04C≤1.5MnSiZ865142.00.300.300.04C≤2.02.2.2 物理状态 正常情况下锰硅合金呈液态兑入中锰炉内,要求液态锰硅合金表面无渣。2.3 石灰2.3.1 化学成分:石灰Ca0≥85cYo,Si0。≤2.OcYo、P≤0.005%...

1、当您付费下载文档后,您只拥有了使用权限,并不意味着购买了版权,文档只能用于自身使用,不得用于其他商业用途(如 [转卖]进行直接盈利或[编辑后售卖]进行间接盈利)。
2、本站所有内容均由合作方或网友上传,本站不对文档的完整性、权威性及其观点立场正确性做任何保证或承诺!文档内容仅供研究参考,付费前请自行鉴别。
3、如文档内容存在违规,或者侵犯商业秘密、侵犯著作权等,请点击“违规举报”。

碎片内容

中低碳锰铁技术操作规程

您可能关注的文档

津创媒+ 关注
实名认证
内容提供者

欢迎交流文创,小店资料希望满足您的需要。

确认删除?
VIP
微信客服
  • 扫码咨询
会员Q群
  • 会员专属群点击这里加入QQ群
客服邮箱
回到顶部