电脑桌面
添加小米粒文库到电脑桌面
安装后可以在桌面快捷访问

主馆地下室铁皮风管制作

主馆地下室铁皮风管制作_第1页
1/5
主馆地下室铁皮风管制作_第2页
2/5
主馆地下室铁皮风管制作_第3页
3/5
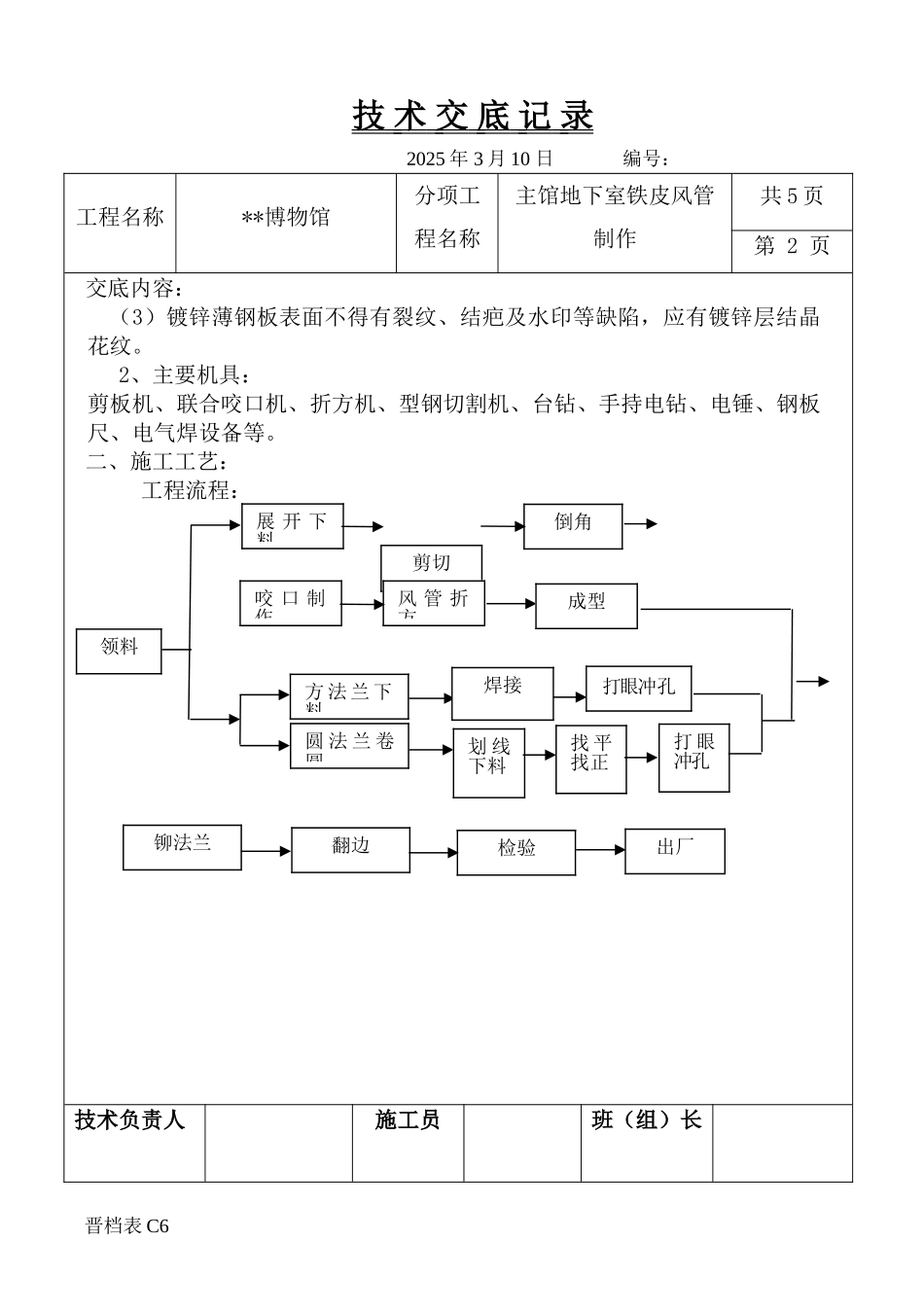
晋档表 C6技 术 交 底 记 录 2025 年 3 月 10 日 编号:NJ-002工程名称**博物馆分项工程名称主馆地下室铁皮风管制作共 5 页第 1 页交底内容:一、施工准备:1、材料要求:(1)所使用板材、型钢的主要材料应具有出厂合格证明和质量鉴定文件。(2)制作风管的钢板厚度应符合下表要求:类别风管直径或长边尺寸圆风管矩形风管中低压系统高压系统80~3200.50.50.8340~4500.60.60.8480~6300.80.60.8670~10000.80.80.81120~12501.01.01.01320~20001.21.01.22500~40001.21.21.2注:排烟风管钢板厚度可按高压系统。技术负责人施工员班(组)长晋档表 C6技 术 交 底 记 录 2025 年 3 月 10 日 编号:工程名称**博物馆分项工程名称主馆地下室铁皮风管制作共 5 页第 2 页交底内容:(3)镀锌薄钢板表面不得有裂纹、结疤及水印等缺陷,应有镀锌层结晶花纹。2、主要机具:剪板机、联合咬口机、折方机、型钢切割机、台钻、手持电钻、电锤、钢板尺、电气焊设备等。二、施工工艺:工程流程:技术负责人施工员班(组)长晋档表 C6展 开 下料剪切焊接倒角划 线下料领料方 法 兰 下料圆 法 兰 卷圆咬 口 制作风 管 折方成型打眼冲孔找 平找正打 眼冲孔铆法兰翻边检验出厂技 术 交 底 记 录 2025 年 3 月 10 日 编号:工程名称**博物馆分项工程名称主馆地下室铁皮风管制作共 5 页第 3 页交底内容:1、材料下料前必须进行下料复核,以免有误,按划线形状用机械剪刀和手工剪刀进行剪切。2、板材下料后在轧口前,必须进行倒角工作。3、金属薄板制作的风管采纳咬口连接。板材的拼接和圆风管的闭合咬口采纳单咬口,矩形风管、弯管、三通、四通管的咬口采纳联合咬口,咬口宽度应符合下表:钢板厚度平咬角咬0.7 以下6~86~70.7~0.828~107~80.9~1.210~129~104、风管与配件的咬口缝应紧密,宽度一致;折角应平直,圆弧均匀;两端面平行。风管无明显扭曲与翘角;表面应平整,凹凸不大于 10mm。5、风管外径或外边长的允许偏差;当小于等于 300mm 时为 2mm;当大于300mm 时为 3mm。管口平面度的允许偏差为 2mm,矩形风管两条对角线长度之差不大于 3mm。技术负责人施工员班(组)长晋档表 C6技 术 交 底 记 录 2025 年 3 月 10 日 编号:工程名称**博物馆分项工程名称主馆地下室铁皮风管制作共 5 页第 4 页交底内容:6、法兰加工:1) 法兰用料应符合下表:矩形风管大边...

1、当您付费下载文档后,您只拥有了使用权限,并不意味着购买了版权,文档只能用于自身使用,不得用于其他商业用途(如 [转卖]进行直接盈利或[编辑后售卖]进行间接盈利)。
2、本站所有内容均由合作方或网友上传,本站不对文档的完整性、权威性及其观点立场正确性做任何保证或承诺!文档内容仅供研究参考,付费前请自行鉴别。
3、如文档内容存在违规,或者侵犯商业秘密、侵犯著作权等,请点击“违规举报”。

碎片内容

主馆地下室铁皮风管制作

您可能关注的文档

确认删除?
VIP
微信客服
  • 扫码咨询
会员Q群
  • 会员专属群点击这里加入QQ群
客服邮箱
回到顶部