电脑桌面
添加小米粒文库到电脑桌面
安装后可以在桌面快捷访问

仰拱填充混凝土检验批质量验收记录表(Ⅲ)

仰拱填充混凝土检验批质量验收记录表(Ⅲ)_第1页
1/2
仰拱填充混凝土检验批质量验收记录表(Ⅲ)_第2页
2/2
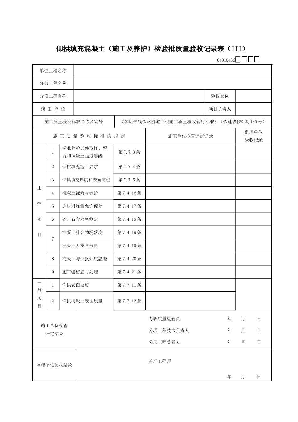
仰拱填充混凝土(施工及养护)检验批质量验收记录表(III) 04010406单位工程名称 分部工程名称分项工程名称验收部位施 工 单 位项目负责人施工质量验收标准名称及编号《客运专线铁路隧道工程施工质量验收暂行标准》(铁建设[2025]160 号) 施 工 质 量 验 收 标 准 的 规 定施工单位检查评定记录监理单位验收记录主控项目1标准养护试件取样、留置和混凝土强度等级第 7.7.3 条 2仰拱填充施工要求第 7.7.4 条3仰拱填充厚度和表面高程第 7.7.5 条4混凝土浇筑与养护第 7.4.16 条5原材料称量允许偏差第 7.4.17 条6砂、石含水率测定第 7.4.18 条 7混凝土拌合物坍落度第 7.4.19 条混凝土入模含气量第 7.4.19 条8混凝土与邻接介质温差第 7.4.20 条9施工缝留置与处理第 7.4.21 条一般项目1仰拱表面坡度第 7.7.11 条2仰拱混凝土表面质量第 7.7.12 条施工单位检查评定结果专职质量检查员 年 月 日 分项工程技术负责人 年 月 日 分项工程负责人 年 月 日 监理单位验收结论 监理工程师 年 月 日

1、当您付费下载文档后,您只拥有了使用权限,并不意味着购买了版权,文档只能用于自身使用,不得用于其他商业用途(如 [转卖]进行直接盈利或[编辑后售卖]进行间接盈利)。
2、本站所有内容均由合作方或网友上传,本站不对文档的完整性、权威性及其观点立场正确性做任何保证或承诺!文档内容仅供研究参考,付费前请自行鉴别。
3、如文档内容存在违规,或者侵犯商业秘密、侵犯著作权等,请点击“违规举报”。

碎片内容

仰拱填充混凝土检验批质量验收记录表(Ⅲ)

您可能关注的文档

确认删除?
VIP
微信客服
  • 扫码咨询
会员Q群
  • 会员专属群点击这里加入QQ群
客服邮箱
回到顶部