电脑桌面
添加小米粒文库到电脑桌面
安装后可以在桌面快捷访问

住宅楼钢筋工程施工方案

住宅楼钢筋工程施工方案_第1页
1/28
住宅楼钢筋工程施工方案_第2页
2/28
住宅楼钢筋工程施工方案_第3页
3/28
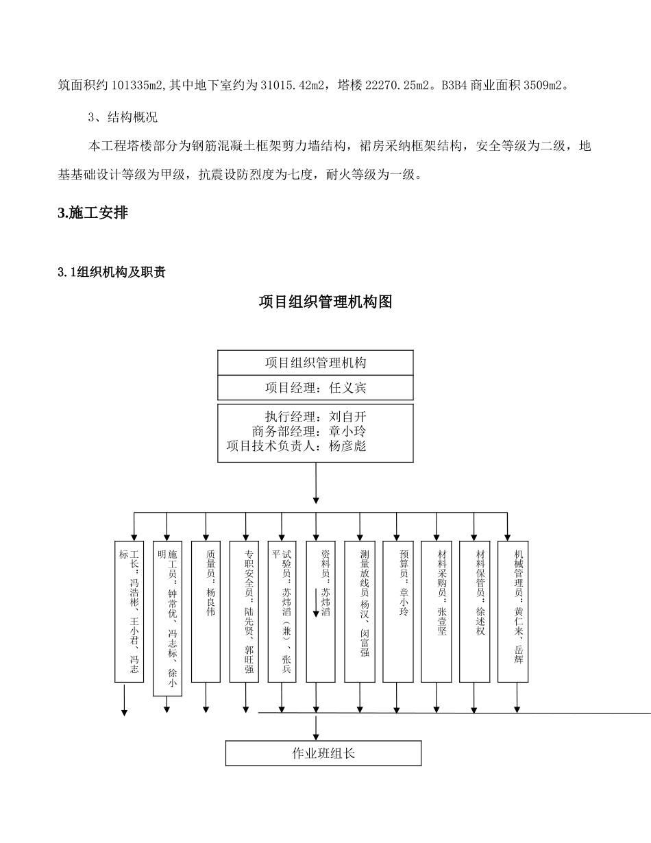
目录1.编制依据..........................................................................................................................22.工程概况..........................................................................................................................23.施工安排..........................................................................................................................34.施工准备..........................................................................................................................45.施工方法..........................................................................................................................46.质量保证措施................................................................................................................247.成品保护措施................................................................................................................268.安全文明施工................................................................................................................279.环保措施........................................................................................................................301.编制依据1.1设计图纸1.2《建筑施工高处作业安全技术法律规范》(JGJ80-91)1.3《建筑机械使用安全技术法律规范》(JGJ33-2001)1.4《广东省建筑工程施工现场安全管理标准》1.5行业标准《钢筋滚轧直螺纹接头技术规程》(Q/HJ08-1999)1.6《钢筋机械连接通用技术规程》(JGJ107- 2025)1.7《混凝土结构工程施工质量验收法律规范》(GB50204-2025)1.11施工图纸及合同文件1.12《总体施工组织设计》2.工程概况1、项目概况1)工程名称: 2)建设地点: 3)建设单位: 5)设计单位: 6)监理单位: 2、建筑概况xx 开发区 SDK-D-2 地块住宅楼、商业(自编号 A3 栋、A4 栋、A5 栋、B3 栋、B4 栋)土建总承包工程位于 xx 市 xx 区开源大道以南 xx 开发区 SDK-D-2 地块,地处广东省 xx 市 xx 区 xx 行政中心东南侧,距离 xx 市中心城区约 20 公里。工程由 3 栋建筑层数 33 层(地上 33 层、地下 2 层),建筑总高均为 99.10m 的高层(自编号A3、A4、A...

1、当您付费下载文档后,您只拥有了使用权限,并不意味着购买了版权,文档只能用于自身使用,不得用于其他商业用途(如 [转卖]进行直接盈利或[编辑后售卖]进行间接盈利)。
2、本站所有内容均由合作方或网友上传,本站不对文档的完整性、权威性及其观点立场正确性做任何保证或承诺!文档内容仅供研究参考,付费前请自行鉴别。
3、如文档内容存在违规,或者侵犯商业秘密、侵犯著作权等,请点击“违规举报”。

碎片内容

住宅楼钢筋工程施工方案

您可能关注的文档

确认删除?
VIP
微信客服
  • 扫码咨询
会员Q群
  • 会员专属群点击这里加入QQ群
客服邮箱
回到顶部