电脑桌面
添加小米粒文库到电脑桌面
安装后可以在桌面快捷访问

公路立交桥人工挖孔桩基础施工方案

公路立交桥人工挖孔桩基础施工方案_第1页
1/16
公路立交桥人工挖孔桩基础施工方案_第2页
2/16
公路立交桥人工挖孔桩基础施工方案_第3页
3/16
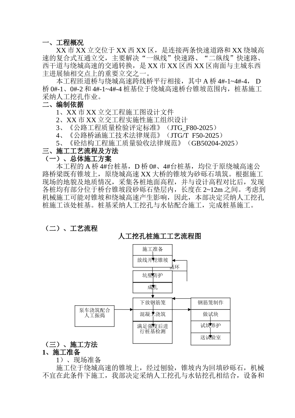
XX 市 XX 立交工程项目人 工 挖 孔 桩 专 项施 工 方 案施工单位: XX 第六工程局有限公司 编 制: 审 核: 审 批: XX市XX立交工程项目经理部2025 年 7 月 26 日目 录一、工程概况.................................................................................................1二、编制依据.................................................................................................1三、施工工艺流程及方法.............................................................................1(一)、总体施工方案............................................................................1(二)、工艺流程....................................................................................2(三)、施工方法....................................................................................21、施工准备.................................................................................................................22、人工挖孔施工.........................................................................................................33、护壁.........................................................................................................................44、水钻钻机施工.........................................................................................................55、钢筋笼制作安装.....................................................................................................56、检测桩基完整性.....................................................................................................77、混凝土浇注.............................................................................................................78、试块制作及养护.....................................................................................................7四、施工质量标准.........................................................................................8(一)、桩基质量检测............................................................................8(二)、钢筋质量...

1、当您付费下载文档后,您只拥有了使用权限,并不意味着购买了版权,文档只能用于自身使用,不得用于其他商业用途(如 [转卖]进行直接盈利或[编辑后售卖]进行间接盈利)。
2、本站所有内容均由合作方或网友上传,本站不对文档的完整性、权威性及其观点立场正确性做任何保证或承诺!文档内容仅供研究参考,付费前请自行鉴别。
3、如文档内容存在违规,或者侵犯商业秘密、侵犯著作权等,请点击“违规举报”。

碎片内容

公路立交桥人工挖孔桩基础施工方案

您可能关注的文档

确认删除?
VIP
微信客服
  • 扫码咨询
会员Q群
  • 会员专属群点击这里加入QQ群
客服邮箱
回到顶部