电脑桌面
添加小米粒文库到电脑桌面
安装后可以在桌面快捷访问

内部体系审核管理程序

内部体系审核管理程序_第1页
1/4
内部体系审核管理程序_第2页
2/4
内部体系审核管理程序_第3页
3/4
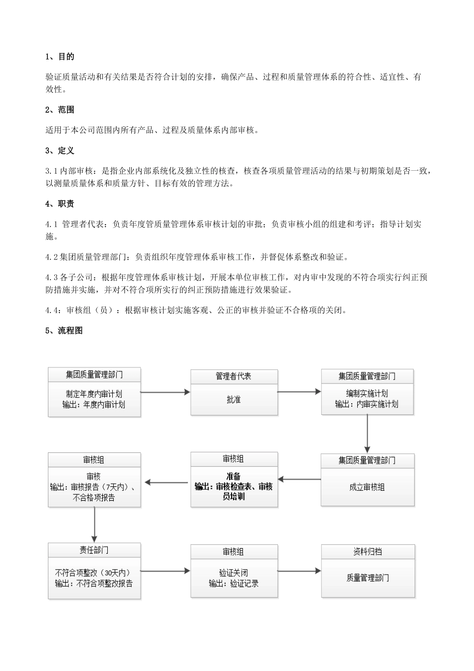
1、目的验证质量活动和有关结果是否符合计划的安排,确保产品、过程和质量管理体系的符合性、适宜性、有效性。2、范围适用于本公司范围内所有产品、过程及质量体系内部审核。3、定义3.1 内部审核:是指企业内部系统化及独立性的核查,核查各项质量管理活动的结果与初期策划是否一致,以测量质量体系和质量方针、目标有效的管理方法。4、职责4.1 管理者代表:负责年度管质量管理体系审核计划的审批;负责审核小组的组建和考评;指导计划实施。4.2 集团质量管理部门:负责组织年度管理体系审核工作,并督促体系整改和验证。4.3 各子公司:根据年度管理体系审核计划,开展本单位审核工作,对内审中发现的不符合项实行纠正预防措施并实施,并对不符合项所实行的纠正预防措施进行效果验证。4.4:审核组(员):根据审核计划实施客观、公正的审核并验证不合格项的关闭。5、流程图 6、工作要点简述工作流程工作内容说明责任部门使用记录年度计划6.1 集团质量管理部门每年 1 月份制定《年度内部质量体系审核计划》,审核频次至少每年一次,报管理者代表批准。6.2 各子公司质量管理部门可以根据顾客、企业需要临时增加本公司年度审核计划,并组织实施,报集团质量管理部门备案。集团质量管理部门管理者代表《年度内部质量审核计划》《内部审核实施计划》成立审核组6.2 集团质量管理部门根据年度内部审核计划,提前拟定《内部审核实施计划》,并提前 15 天下发。原则上组织各公司审核员进行交叉审核。6.2.1 管理者代表任命内审组长,组织成立内部质量体系审核小组。6.2.2 内审员资质应符合以下要求:6.2.2.1 内审员须经过相关培训考评具备资格;6.2.2.2 熟悉公司质量管理体系文件;从事质量或技术工程类工作经验三年以上,具有大专以上学历。集团质量管理部门人力资源部门审核通知内审员资质表审核准备6.3 审核准备6.3.1 审核前,内审员应组织 1 次相关培训,熟悉相关产品、审核范围、相关程序;编制编制检查表。6.3.3 各部门必须安排人员陪同审核。若对审核日程有异议,可在 2 个工作日前通知审核组,协商解决。审核小组各部门《内部审核检查表》审核6.4.1 首次会议: 审核组长主持召开内部审核‘首次会议’,明确审核目的、范围、次序、审核人员及其它事项。6.4.2 审核依据:ISO9001:2025\IATF16949:2025标准、质量手册、程序文件、客户要求、法律法规、合同文件等。6.4.3 审核员通过交谈、查阅文件记录、观察、收集证据,验证...

1、当您付费下载文档后,您只拥有了使用权限,并不意味着购买了版权,文档只能用于自身使用,不得用于其他商业用途(如 [转卖]进行直接盈利或[编辑后售卖]进行间接盈利)。
2、本站所有内容均由合作方或网友上传,本站不对文档的完整性、权威性及其观点立场正确性做任何保证或承诺!文档内容仅供研究参考,付费前请自行鉴别。
3、如文档内容存在违规,或者侵犯商业秘密、侵犯著作权等,请点击“违规举报”。

碎片内容

内部体系审核管理程序

您可能关注的文档

确认删除?
VIP
微信客服
  • 扫码咨询
会员Q群
  • 会员专属群点击这里加入QQ群
客服邮箱
回到顶部