电脑桌面
添加小米粒文库到电脑桌面
安装后可以在桌面快捷访问

办公大厦项目基础工程施工方案

办公大厦项目基础工程施工方案_第1页
1/20
办公大厦项目基础工程施工方案_第2页
2/20
办公大厦项目基础工程施工方案_第3页
3/20
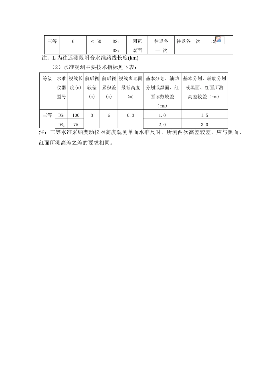
第八章 基础工程施工方案第一节 测量工程一、测量准备施工测量准备工作是保证施工测量全过程顺利进行的重要环节,包括图纸的审核,测量定位依据点的交接与校核,测量仪器的检定与校核,测量方案的编制与数据准备,施工场地测量等。1、检查各专业图的平面位置标高是否有矛盾,预留洞口是否有冲突,及时发现问题,及时向有关人员反映,及时解决。2、对所有进场的仪器设备及人员进行初步调配,并对所有进场的仪器设备重新进行检定。3、复印预定人员的上岗证书,由总工程师进行技术交底。4、根据图纸条件及工程内部结构特征确定轴线控制网形式。二、场区平面控制网的测设1、场区平面控制网布设原则及要求(1)平面控制应先从整体考虑,遵循先整体、后局部,高精度控制低精度的原则。(2)轴线控制网的布设根据设计总平面图、现场施工平面布置图等进行。(3)控制点应选在通视条件良好、安全、易保护的地方。(4)控制桩位必须用混凝土保护,必要时可用钢管进行围护,并用红油漆作好测量标记。2、平面控制网的布设(1)控制网测设:我测量人员接到业主提供的天津市测绘院的建筑物四角坐标成果后,使用 2″级 TOPCON 电子全站仪对控制点进行校测,并将校测结果上报业主或监理单位,然后根据四角控制桩测设一级建筑物平面控制网,平面控制网的精度技术指标必须符合下表的规定:等 级测角中误差(mβ)边长相对中误差(k)二 级±12″1/15000(2)控制网加密:使用 TOPCON 电子全站仪根据建筑物平面控制网将所需要的轴线控制桩引测放样。三、高程控制网的建立1、高程控制网的布设原则(1)为保证建筑物竖向施工的精度要求,在场区内应建立高程控制网。(2)高程控制网的精度采纳国家三等水准精度。(3)高程控制的建立是根据业主提供的场区水准基点(至少应提供三个),采纳 DS3 水准仪对所提供的水准基点按三等水准精度进行复测检查,校测合格后,测设一条闭合或附合水准路线,联测场区平面控制点,以此作为保证施工竖向精度控制的首要条件。(4)场区内至少应有三个水准点,水准点的间距应小于 1 公里,距离建筑物应大于 25 米,距离回填土边线应不小于 15 米。(5)水准点的埋设如下图:(6)高程控制网的建立是根据业主提供的场区水准点或附近城市水准点,测设一条三等附合水准路线,联测出场区所布设施工水准控制点高程,经平差计算后的结果作为本工程的高程控制网。2、高程控制网的等级及观测技术要求(1)高程控制网的等级为三等,...

1、当您付费下载文档后,您只拥有了使用权限,并不意味着购买了版权,文档只能用于自身使用,不得用于其他商业用途(如 [转卖]进行直接盈利或[编辑后售卖]进行间接盈利)。
2、本站所有内容均由合作方或网友上传,本站不对文档的完整性、权威性及其观点立场正确性做任何保证或承诺!文档内容仅供研究参考,付费前请自行鉴别。
3、如文档内容存在违规,或者侵犯商业秘密、侵犯著作权等,请点击“违规举报”。

碎片内容

办公大厦项目基础工程施工方案

确认删除?
VIP
微信客服
  • 扫码咨询
会员Q群
  • 会员专属群点击这里加入QQ群
客服邮箱
回到顶部