电脑桌面
添加小米粒文库到电脑桌面
安装后可以在桌面快捷访问

办公楼规定性指标计算报告书

办公楼规定性指标计算报告书_第1页
1/11
办公楼规定性指标计算报告书_第2页
2/11
办公楼规定性指标计算报告书_第3页
3/11
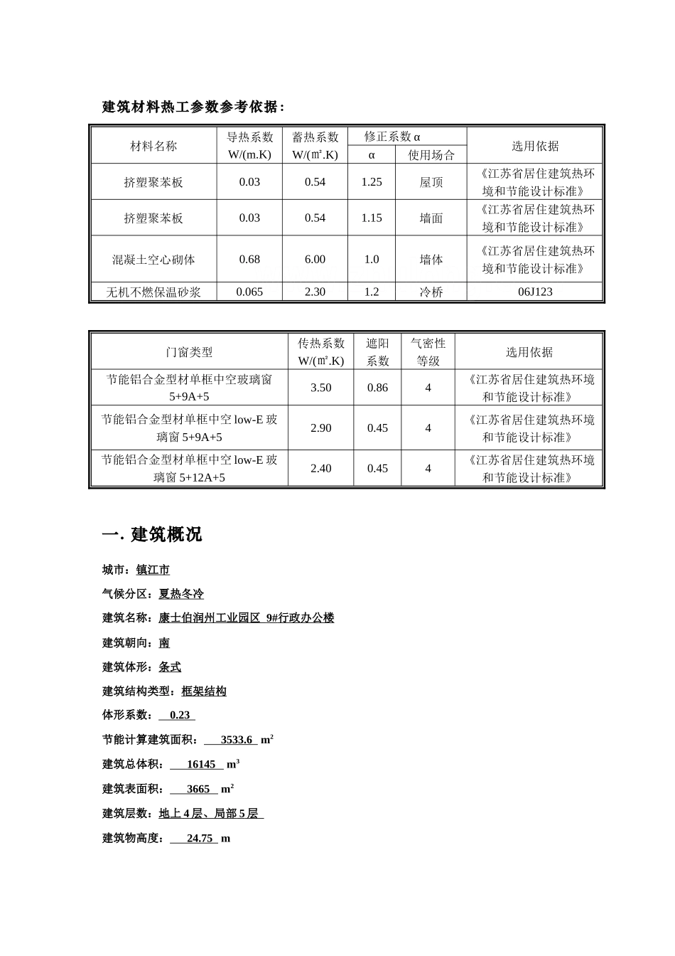
建筑节能计算报告书设计人: 校对人: 审核人: 设计单位: 建筑节能计算分析报告书本报告签字盖章后生效此项目判定依据为《公共建筑节能设计标准》(GB50189-2025)施工单位: 法律规范标准参考依据:1、《公共建筑节能设计标准》(GB50189-2025)。2、《江苏省民用建筑工程施工图设计文件(节能专篇)编制深度规定》(2025 年版)。3、《民用建筑热工设计法律规范》(GB50176-93)4、《建筑外门窗气密、水密、抗风压性能分级及检测方法》(GB/T 7106-2025)。5、《建筑幕墙》(GB/T 21086-2025)。6、《建筑外门窗气密、水密、抗风压性能分级及检测方法》(GB/T 7106-2025)。7、《建筑外窗空气声隔声性能分级及检测方法》(GB/T8485-2025)。8、《建筑外窗采光性能分级及检测方法》(GB/T11976-2025)。9、《建筑外窗保温性能分级及检测方法》(GB/T8484-2025)。10、《全国民用建筑工程设计技术措施--节能专篇》(2025)《建筑》分册。建筑材料热工参数参考依据:材料名称导热系数W/(m.K)蓄热系数W/(㎡.K)修正系数 α选用依据α使用场合挤塑聚苯板0.030.541.25屋顶《江苏省居住建筑热环境和节能设计标准》挤塑聚苯板0.030.541.15墙面《江苏省居住建筑热环境和节能设计标准》混凝土空心砌体0.686.001.0墙体《江苏省居住建筑热环境和节能设计标准》无机不燃保温砂浆0.0652.301.2冷桥06J123门窗类型传热系数W/(㎡.K)遮阳系数气密性等级选用依据节能铝合金型材单框中空玻璃窗5+9A+53.500.864《江苏省居住建筑热环境和节能设计标准》节能铝合金型材单框中空 low-E 玻璃窗 5+9A+52.900.454《江苏省居住建筑热环境和节能设计标准》节能铝合金型材单框中空 low-E 玻璃窗 5+12A+52.400.454《江苏省居住建筑热环境和节能设计标准》一. 建筑概况城市:镇江市 气候分区:夏热冬冷 建筑名称:康士伯润州工业园区 9# 行政办公楼 建筑朝向:南 建筑体形:条式 建筑结构类型:框架结构 体形系数: 0.23 节能计算建筑面积: 3533.6 m2建筑总体积: 16145 m3建筑表面积: 3665 m2建筑层数:地上 4 层、局部 5 层 建筑物高度: 24.75 m二.建筑围护结构(一).围护结构构造屋 面 类 型 1 ( 自 上 而 下 ) : 细 石 混 凝 土 ( 内 配 筋 ) ( 50.00mm ) + 挤 塑 聚 苯 板(50.00mm)+水泥砂浆(20.00mm)+钢筋混凝土(120.00mm)+水泥石灰砂浆(12.00mm),太阳辐射吸收系数 0.50屋面类型 2...

1、当您付费下载文档后,您只拥有了使用权限,并不意味着购买了版权,文档只能用于自身使用,不得用于其他商业用途(如 [转卖]进行直接盈利或[编辑后售卖]进行间接盈利)。
2、本站所有内容均由合作方或网友上传,本站不对文档的完整性、权威性及其观点立场正确性做任何保证或承诺!文档内容仅供研究参考,付费前请自行鉴别。
3、如文档内容存在违规,或者侵犯商业秘密、侵犯著作权等,请点击“违规举报”。

碎片内容

办公楼规定性指标计算报告书

您可能关注的文档

津创媒+ 关注
实名认证
内容提供者

欢迎交流文创,小店资料希望满足您的需要。

确认删除?
VIP
微信客服
  • 扫码咨询
会员Q群
  • 会员专属群点击这里加入QQ群
客服邮箱
回到顶部