电脑桌面
添加小米粒文库到电脑桌面
安装后可以在桌面快捷访问

化学螺栓后置锚固埋件施工工法

化学螺栓后置锚固埋件施工工法_第1页
1/6
化学螺栓后置锚固埋件施工工法_第2页
2/6
化学螺栓后置锚固埋件施工工法_第3页
3/6
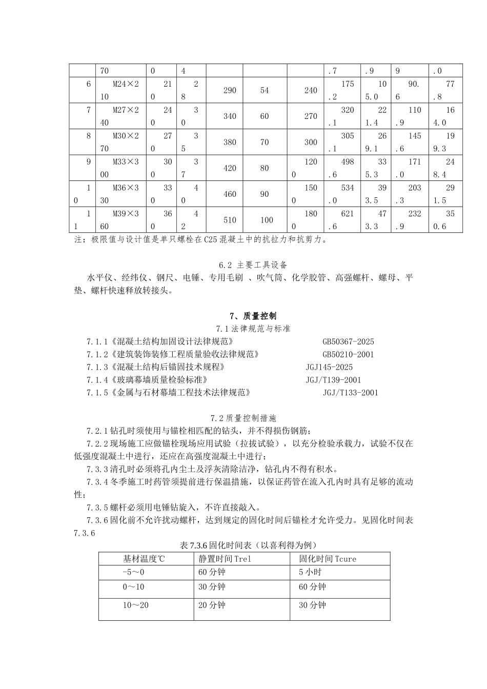
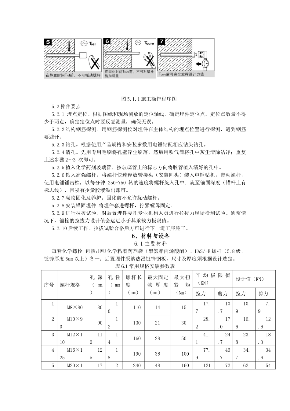
化学螺栓后置锚固埋件施工工法1、前言幕墙工程通常需要二次深化设计,由专业队伍施工,专业施工队伍往往在混凝土主体结构完工后才进场,因此预埋件安装工作很难做到与混凝土结构施工同步,同时由于设计变更等问题的普遍存在,往往造成幕墙预埋件发生偏移或遗漏、埋错,甚至没预埋等现象,因此后置锚固埋件在幕墙工程施工时很普遍。当前工程上后置埋件的锚固方法通常采纳膨胀螺栓连接和化学螺栓连接,化学螺栓由于其抗拔力远高于膨胀螺栓,而且安全性好,对结构影响小等优点,近年来在幕墙等施工中广泛采纳。青岛东亚建筑装饰有限公司、青岛建安建设集团有限公司在多个幕墙工程中大量采纳了化学螺栓(喜利得牌)后置锚固埋件积累了一定的经验,本工法就是在此基础上总结形成的。2、工法特点2.0.1 施工简便快捷,节约工期时间,成品率高,误差小。2.0.2 无膨胀应力,边间距小,对建筑主体结构影响小。2.0.3 锚固强度高,承载快,耐水、耐酸碱,抗震、耐焊接及耐火性能。3、适用范围适用于幕墙结构与建筑主体的结构连接,建筑结构加固及设备安装等。要求主体结构普通混凝土等级不小于 C20,不适用于砌体结构、轻型混凝土结构。4、工艺原理通过合成树脂砂浆粘合锚杆与孔壁,使锚杆、锚固基础与被锚固对象形成一个整体,从而达到固定构件或提高构件承载力的效果。5、工艺流程及操作特点5.1 工艺流程5.1.1 核对图纸→测量放线→埋点定位→结构钢筋探测→钻孔→清孔→植入药剂管(包)→钻入螺栓(螺杆必须是用电锤钻旋入,不许直接敲入)→凝胶固化过程及养护→固定埋件→拉拔试验(合格)→后续施工,施工操作程序图见图 5.2.10:图 5.1.1 施工操作程序图5.2 操作要点5.2.1 埋点定位。根据图纸和现场测放的定位轴线,确定埋件定位点。定位点数量不得少于两点,确定定位点时要反复测量,确保无误。5.2.2 结构钢筋探测。用钢筋探测仪对埋件在主体结构的埋点位置进行探测,遇到钢筋要避开。5.2.3 钻孔。根据使用产品规格和安装参数用电锤钻配相应钻头钻孔。5.2.4 清孔。先用专用毛刷将孔壁浮尘刷落,然后用吹气筒将孔中灰尘清除洁净;重复上述步骤 2~3 次即可。5.2.5 植入化学药剂玻璃管。按玻璃管上的标志方向将胶管植入清好的孔中。5.2.6 钻入高强螺杆。将螺杆快速释放转接头(安装匹头)装入电锤钻机,带动螺杆,使用电锤锤击档,以每分钟 250-750 转的速度将螺杆旋入孔中, 旋至锚固深度(锚杆上有标志线),目视有少量胶液溢出即...

1、当您付费下载文档后,您只拥有了使用权限,并不意味着购买了版权,文档只能用于自身使用,不得用于其他商业用途(如 [转卖]进行直接盈利或[编辑后售卖]进行间接盈利)。
2、本站所有内容均由合作方或网友上传,本站不对文档的完整性、权威性及其观点立场正确性做任何保证或承诺!文档内容仅供研究参考,付费前请自行鉴别。
3、如文档内容存在违规,或者侵犯商业秘密、侵犯著作权等,请点击“违规举报”。

碎片内容

化学螺栓后置锚固埋件施工工法

您可能关注的文档

一二三四传媒+ 关注
实名认证
内容提供者

大量资料供您选择,没有合适的可以联系小二。

确认删除?
VIP
微信客服
  • 扫码咨询
会员Q群
  • 会员专属群点击这里加入QQ群
客服邮箱
回到顶部