电脑桌面
添加小米粒文库到电脑桌面
安装后可以在桌面快捷访问

北京某办公综合楼创优计划

北京某办公综合楼创优计划_第1页
1/21
北京某办公综合楼创优计划_第2页
2/21
北京某办公综合楼创优计划_第3页
3/21
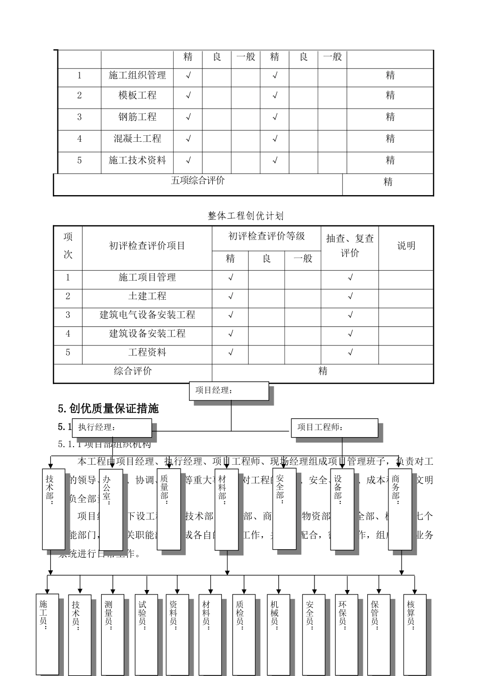
1.编制依据序号名 称编 号1**A 座办公综合楼工程合同2025-030142**A 座办公综合楼工程施工图纸2025-0433建筑物抗震构造详图03G3209-14**A 座办公综合楼工程施工组织设计5建筑工程施工质量验收统一标准GB0300-20016地下工程防水技术法律规范GB50108-20017建筑抗震设计法律规范GB50011-20018钢筋机械连接通用技术规程JGJ107-969建筑工程冬期施工规程JGJ104-9710建筑安装工程资料管理规程DBJ01-51-202511工程建设标准强制性条文(房屋建筑部分)2025 版12关于印发《北京市建筑工程施工试验实行有见证取样和送检制度的暂行规定》的通知、补充通知京建(1997)172#(1998)50#13北京市优质结构工程初评检查质量标准京建质(2025)0649 号14质量、环境、职业健康安全 保证手册**-SC-04115质量、环境、职业健康安全 程序文件**-CX-04116项目管理手册、作业指导书**-XM-0412.工程概况序号项 目内 容1工程名称**A 座办公综合楼2建设单位北京**有限公司3勘察单位北京市地质工程勘察院4设计单位**5监理单位北京**监理公司6监督单位崇文区质量监督站7承包范围图纸所示全部结构、部分装修,给排水工程全部,采暖工程全部(不包括热力机房)、通风、排烟、空调系统工程,配电及照明工程全部(不含变配电室及精装区或的强电电气安装)、防雷接地工程全部、弱电工程。不含:室外工程、电梯工程。8开工日期2003/08/159工 期460 日历天10质量目标结构工程:结构长城杯;竣工工程:争创北京市优质工程11施工单位江苏**建设有限公司12建筑面积54340m213檐口高度55.9m14层数地下 3 层,地上 15 层15结构形式框架剪力墙、筏基16工程性质自筹资金3.创优必要性和可能性3.1 现在建筑业竞争激烈,业主对建筑质量要求越来越高,创优就是创牌子、创信誉、创效益,是企业赖以生存和进展的必要条件。3.2 我公司技术力量雄厚,管理方法科学,施工队伍职业素养修养高,且通过了 ISO9002质量体系认证,无论从硬件还是软件上都具备了创优条件。4.创优质结构工程质量目标计划4.1 质量评定管理目标: 分部分项工程合格率 100%,评定优良率 95%以上。 地基与基础分部工程优良,主体分部工程优良。 装饰装修工程分部优良,屋面工程分部优良。4.2 创优目标:北京市结构“长城杯”,整体创北京市优质工程。4.3 质量评定目标分解 结构工程创优初评质量目标序号初评检查项目第一次初评分值加权分项综合评价精良一般精良一般1施工组织管理√√精2模板工程√√精3...

1、当您付费下载文档后,您只拥有了使用权限,并不意味着购买了版权,文档只能用于自身使用,不得用于其他商业用途(如 [转卖]进行直接盈利或[编辑后售卖]进行间接盈利)。
2、本站所有内容均由合作方或网友上传,本站不对文档的完整性、权威性及其观点立场正确性做任何保证或承诺!文档内容仅供研究参考,付费前请自行鉴别。
3、如文档内容存在违规,或者侵犯商业秘密、侵犯著作权等,请点击“违规举报”。

碎片内容

北京某办公综合楼创优计划

您可能关注的文档

津创媒+ 关注
实名认证
内容提供者

欢迎交流文创,小店资料希望满足您的需要。

确认删除?
VIP
微信客服
  • 扫码咨询
会员Q群
  • 会员专属群点击这里加入QQ群
客服邮箱
回到顶部