电脑桌面
添加小米粒文库到电脑桌面
安装后可以在桌面快捷访问

北京某高层安全防护施工方案

北京某高层安全防护施工方案_第1页
1/22
北京某高层安全防护施工方案_第2页
2/22
北京某高层安全防护施工方案_第3页
3/22
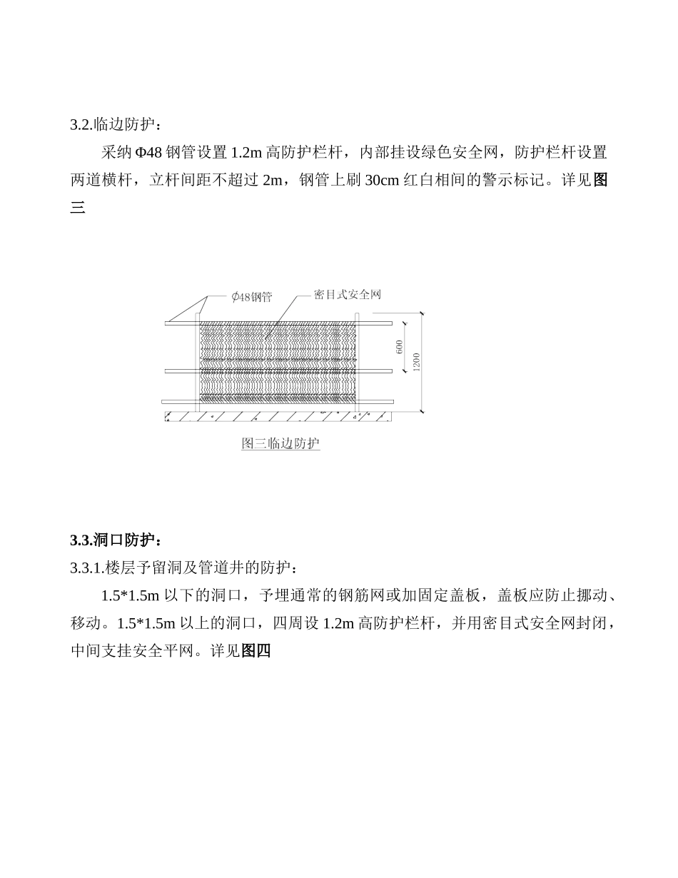
安全防护措施一、 工程概况:1、***商务居住综合区第三期位于**环***桥东侧,由一栋超高层塔楼和三层商业裙房组成,总建筑面积 73088㎡,地上 34 层(64967㎡),地下 3 层(812㎡),建筑总高度 150m2、一层为商店、办公大堂,二、三层为商店,四层为办公会所,五层及以上为办公用房,十八、十九层之间为避难层,三十四层为设备机房层,地下一层为商店、餐厅,地下二、三层为车库,战时地下三层为物资库。3、结构形式为框剪结构,抗震分类为丙类,抗震设防烈度为 8 度,工程耐久年限 50 年。耐火等级为一级。人防抗力等级为六级。防化等级为丁级。4、为了保证本工程达到“北京市安全文明施工场地”称号,特制定本安全防护措施。5、本工程主要职能单位如下:建设单位: 设计单位: 监理单位: 监督单位:施工单位: 6、开竣工时间工程开工日期:2005 年 7 月 1 日工程竣工日期:2007 年 2 月 13 日二、 全防护的重点分析 本工程是超高层建筑,工期要求紧,交叉作业多,安全防护工作的重点是:2.1.基坑周边的防护、“四口、五临边”的防护;2.2.高空作业防坠落的措施;2.3.楼层外檐安全防护;2.4.施工用电的安全防护;2.5.群塔作业防撞的安全措施;2.6.立体交叉作业,防物体打击的措施;三、 安全防护措施3.1.基坑防护:在±0.000 以下施工阶段,采纳 Φ48 钢管设置 1.2m 高防护栏杆,内部挂设绿色安全网,防护栏杆设置两道横杆,立杆间距不超过 2m,钢管上刷 30cm 红白相间的警示标记。在基坑的周边设 20cm 高的挡水墙。详见图一。在基坑内设置上下坡道。坡道架子采纳 Φ48 钢管搭设,行人马道的坡上下人马道坡度为 1:3、宽度为 1m、运送材料马道的坡度为 1:6、宽度为 1.5m,坡道用 5cm 厚的脚手板铺设,上部钉 3*3cm 的防滑条,间距为30cm,栏杆的两边设 18cm 高的挡脚板并用密目式安全网封闭。详见图二3.2.临边防护:采纳 Φ48 钢管设置 1.2m 高防护栏杆,内部挂设绿色安全网,防护栏杆设置两道横杆,立杆间距不超过 2m,钢管上刷 30cm 红白相间的警示标记。详见图三3.3.洞口防护:3.3.1.楼层予留洞及管道井的防护:1.5*1.5m 以下的洞口,予埋通常的钢筋网或加固定盖板,盖板应防止挪动、移动。1.5*1.5m 以上的洞口,四周设 1.2m 高防护栏杆,并用密目式安全网封闭,中间支挂安全平网。详见图四3.3.2.电梯井口安全防护: 电梯井口设高度不低于 1.2m 高的开启式金属防护门,电...

1、当您付费下载文档后,您只拥有了使用权限,并不意味着购买了版权,文档只能用于自身使用,不得用于其他商业用途(如 [转卖]进行直接盈利或[编辑后售卖]进行间接盈利)。
2、本站所有内容均由合作方或网友上传,本站不对文档的完整性、权威性及其观点立场正确性做任何保证或承诺!文档内容仅供研究参考,付费前请自行鉴别。
3、如文档内容存在违规,或者侵犯商业秘密、侵犯著作权等,请点击“违规举报”。

碎片内容

北京某高层安全防护施工方案

确认删除?
VIP
微信客服
  • 扫码咨询
会员Q群
  • 会员专属群点击这里加入QQ群
客服邮箱
回到顶部