电脑桌面
添加小米粒文库到电脑桌面
安装后可以在桌面快捷访问

南安路K0+377空心板中桥--施工组织设计

南安路K0+377空心板中桥--施工组织设计_第1页
1/25
南安路K0+377空心板中桥--施工组织设计_第2页
2/25
南安路K0+377空心板中桥--施工组织设计_第3页
3/25
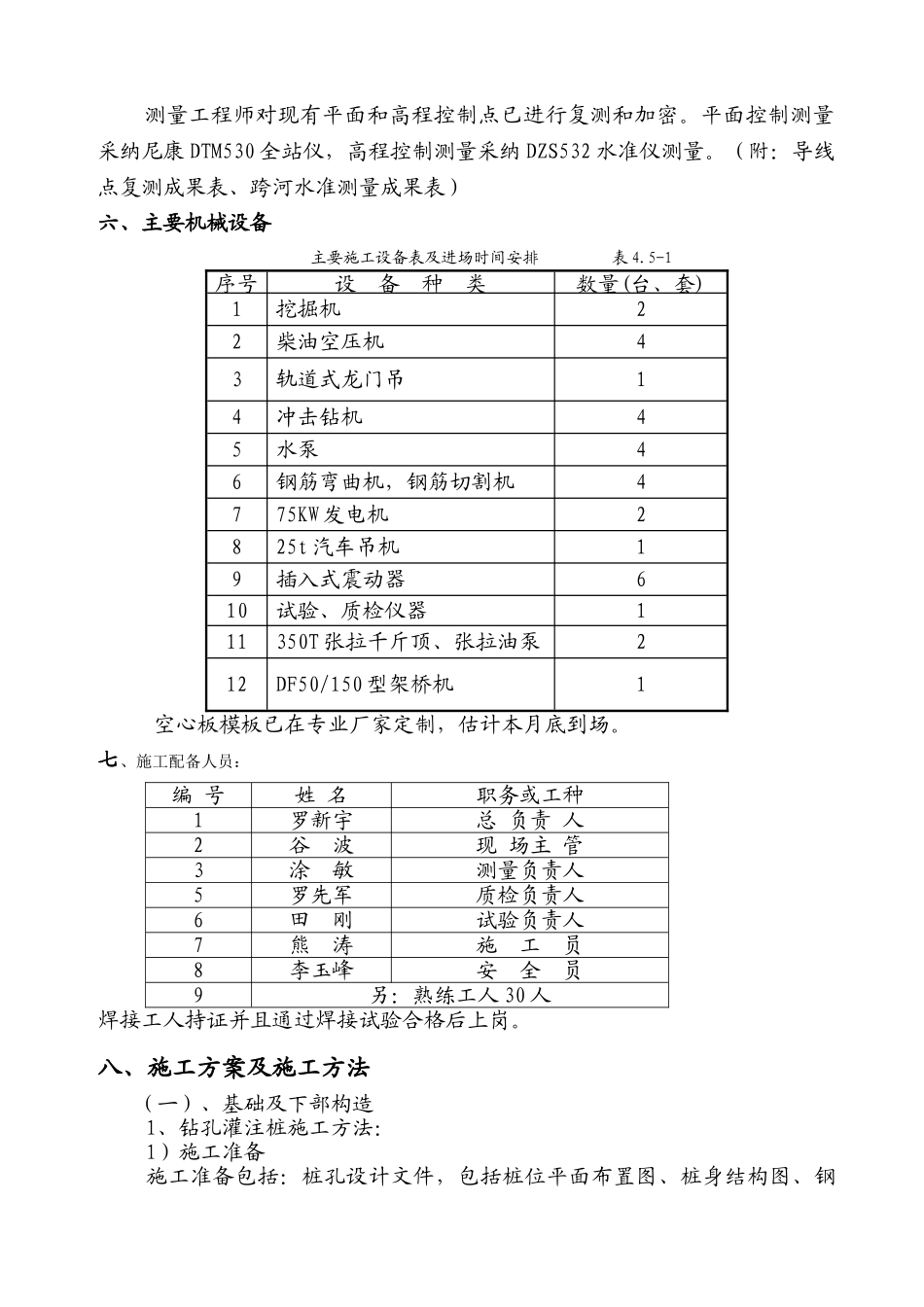
南安路 K0+377 空心板中桥施工组织设计一、工程概况及工程特点台山市南区南安路工程位于台山市南区,总规划用地面积 13.3 平方公里。道路呈南北走向,北起龙盛路,南至台南大道,桩号范围 NAK0+000 至NAK2+2118.882(含短链 8.117m),道路设计全长 2031.883m。本路段新建桥梁位于 K0+377 处,桥面纵坡为单向-0.5%,其中工程范围下部结构为钻孔灌注桩基础、台帽;上部结构为 20m 后张预应力混凝土空心板梁,横桥向由 34 片空心板梁组成;桥面系及其附属工程。预期工期为 164 天(日历天),质量目标为合格。该桥位施工现场土地已征用完毕,施工用水、用电将根据施工要求进行现场调节。施工用电实行搭接地方电源与自发电相结合,现场交通及施工条件较为方便,施工区域有线、无线通讯畅通,通讯方便。二、施工工期计划开工日期:2025 年 2 月 18 日计划完工日期:2025 年 7 月 31 日总工期:164 天三、施工准备:1)场地清理:施工准备期间,平整场地,修筑便道,等均已完成,对于各个桩位,必须做好清除场地杂物、淤泥,挖好排水沟等工作。四、材料准备水泥采纳台山市白沙镇西村盛丰水泥厂的 P.O 32.5、P.O 52.5 普通硅酸盐水泥;碎石采纳江门市岩场生产的级配碎石;细骨料 C50、C40 等采纳本地的河砂(中砂),原材料均已送检;混凝土拌和用水取本地河水,结构钢材中线材采纳湘潭钢铁集团有限公司产品。我部已将原材料碎石、中(粗)砂、水泥等送往台山市试验检测中心检验。钢材的试验待第一批钢材进驻施工场地后现场取样送检。材料经检测合格后根据批需求量购进施工场地仓库堆放使用。五、控制测量: 测量工程师对现有平面和高程控制点已进行复测和加密。平面控制测量采纳尼康 DTM530 全站仪,高程控制测量采纳 DZS532 水准仪测量。(附:导线点复测成果表、跨河水准测量成果表)六、主要机械设备 主要施工设备表及进场时间安排 表 4.5-1序号设 备 种 类数量(台、套) 1挖掘机22柴油空压机43轨道式龙门吊14冲击钻机45水泵46钢筋弯曲机,钢筋切割机4775KW 发电机2825t 汽车吊机19插入式震动器610试验、质检仪器111350T 张拉千斤顶、张拉油泵212DF50/150 型架桥机1空心板模板已在专业厂家定制,估计本月底到场。七、施工配备人员:编 号姓 名职务或工种1罗新宇总 负责 人2谷 波现 场主 管3涂 敏测量负责人5罗先军质检负责人6田 刚试验负责人7熊 涛施 工 员8李玉峰安 全 员9另:熟练工人...

1、当您付费下载文档后,您只拥有了使用权限,并不意味着购买了版权,文档只能用于自身使用,不得用于其他商业用途(如 [转卖]进行直接盈利或[编辑后售卖]进行间接盈利)。
2、本站所有内容均由合作方或网友上传,本站不对文档的完整性、权威性及其观点立场正确性做任何保证或承诺!文档内容仅供研究参考,付费前请自行鉴别。
3、如文档内容存在违规,或者侵犯商业秘密、侵犯著作权等,请点击“违规举报”。

碎片内容

南安路K0+377空心板中桥--施工组织设计

您可能关注的文档

确认删除?
VIP
微信客服
  • 扫码咨询
会员Q群
  • 会员专属群点击这里加入QQ群
客服邮箱
回到顶部