电脑桌面
添加小米粒文库到电脑桌面
安装后可以在桌面快捷访问

卧式钻镗组合机床的液压动力滑台液压系统课程设计

卧式钻镗组合机床的液压动力滑台液压系统课程设计_第1页
1/35
卧式钻镗组合机床的液压动力滑台液压系统课程设计_第2页
2/35
卧式钻镗组合机床的液压动力滑台液压系统课程设计_第3页
3/35
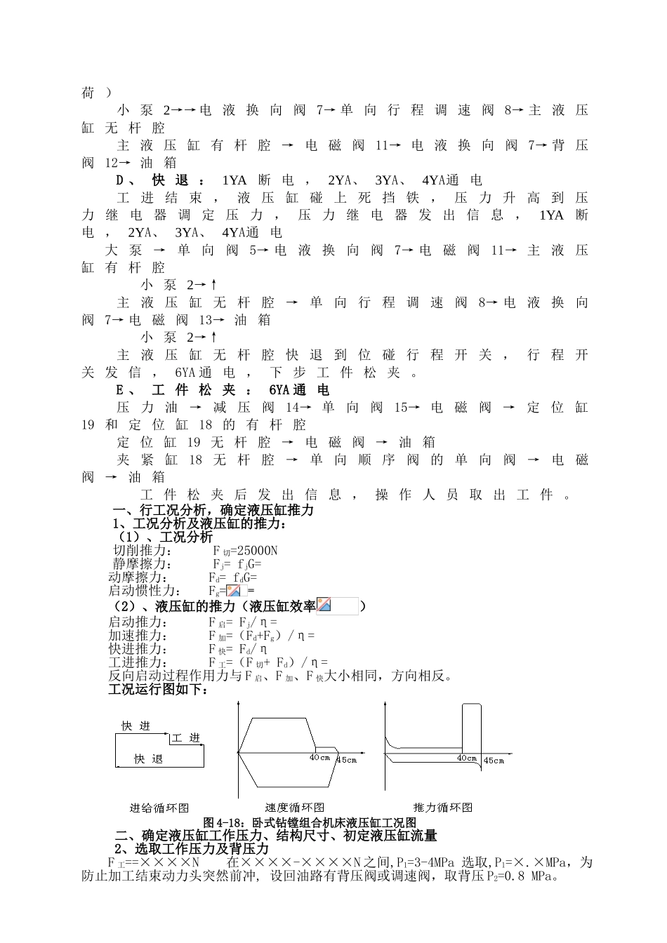
《 液 压 传 动 课 程 设 计 》 指 导 书 徐 慧 编 写 湖 南 工 学 院2025 年 11 月 修 订第 一 部 分 : 《 液 压 传 动 课 程 设 计 》 内 容1、设计的卧式钻镗组合机床的液压动力滑台液压系统要求完成:快进→工进→快退→停止;切削推力 25000N,快进行程 400mm,工进行程 50mm,V 快=6m/min、V 工进=0.05-0.10m/min,运动部件重 G=9800N,试确定液压缸结构尺寸。静摩擦系数:fj=0.2,动摩擦系数:fd=0.1, 液压缸机械效率:,快速起动时间不大于0.2s. 1 、大泵,2 、小泵,3 、滤油器,4 、外控顺序阀,5 、15、单向阀, 6 、溢流阀,,7 、电液换向阀,8 、单向行程调速阀,,9 、压力继电器,10、主液压缸,11、二位三通电磁换向阀,12、背大压阀,13、二位二通换向阀,14、减压阀,16、带定位装置的二位四通电磁换向阀,17、单向顺序阀,18、定位液压缸,19、夹紧液压缸A 、 工 件 夹 紧 : 5YA 通 电( 1 ) 、 先 定 位 :压 力 油 → 减 压 阀 14→ 单 向 阀 15→ 电 磁 阀 → 定 位 缸 19无 杆 腔定 位 缸 19 有 杆 腔 → 电 磁 阀 → 油 箱( 2 ) 、 再 夹 紧 工 件 定 位 后 , 压 力 油 升 高 到 单 向 顺 序 阀 开 启的 压 力 , 单 向 顺 序 阀 开 启 ,压 力 油 → 单 向 顺 序 阀 → 夹 紧 缸 18 无 杆 腔夹 紧 缸 18 有 杆 腔 → 电 磁 阀 → 油 箱 工 件 夹 紧 到 位 , 压 力 油 压 力 升 高 到 压 力 继 电 器调 定 压 力 , 继 电 器 发 信 , 1YA 通 电 , 主 系 统 快 进 。B 、 快 进 : 1YA 通 电 , 电 液 换 向 阀 左 位 工 作 , 大 泵 → 单 向 阀 5→→电 液 换 向 阀 7→ 行 程 阀 14→ 主 液 压缸 无 杆 腔小 泵 2→↑ 液 压 缸 有 杆 腔 → 电 磁 阀11→ 电 液 换 向 阀 7→ 单 向 行程 调 速 阀 8→ 主 缸 ( 差 动 换 接 )C : 工 进 : 3YA 通 电 , 切 断 差 动 油 路 ,快 进 行 程 到 位 , 挡 铁 压 下 行 程 阀 8 , 切 断 快 进 油路 , 3YA通 电 , 切 断 差 动 油 路 , 快 进 转 工 进 , 液 压系 统 工 作 压 力 升 高 到...

1、当您付费下载文档后,您只拥有了使用权限,并不意味着购买了版权,文档只能用于自身使用,不得用于其他商业用途(如 [转卖]进行直接盈利或[编辑后售卖]进行间接盈利)。
2、本站所有内容均由合作方或网友上传,本站不对文档的完整性、权威性及其观点立场正确性做任何保证或承诺!文档内容仅供研究参考,付费前请自行鉴别。
3、如文档内容存在违规,或者侵犯商业秘密、侵犯著作权等,请点击“违规举报”。

碎片内容

卧式钻镗组合机床的液压动力滑台液压系统课程设计

您可能关注的文档

确认删除?
VIP
微信客服
  • 扫码咨询
会员Q群
  • 会员专属群点击这里加入QQ群
客服邮箱
回到顶部