电脑桌面
添加小米粒文库到电脑桌面
安装后可以在桌面快捷访问

喷锚支护验算书

喷锚支护验算书_第1页
1/5
喷锚支护验算书_第2页
2/5
喷锚支护验算书_第3页
3/5
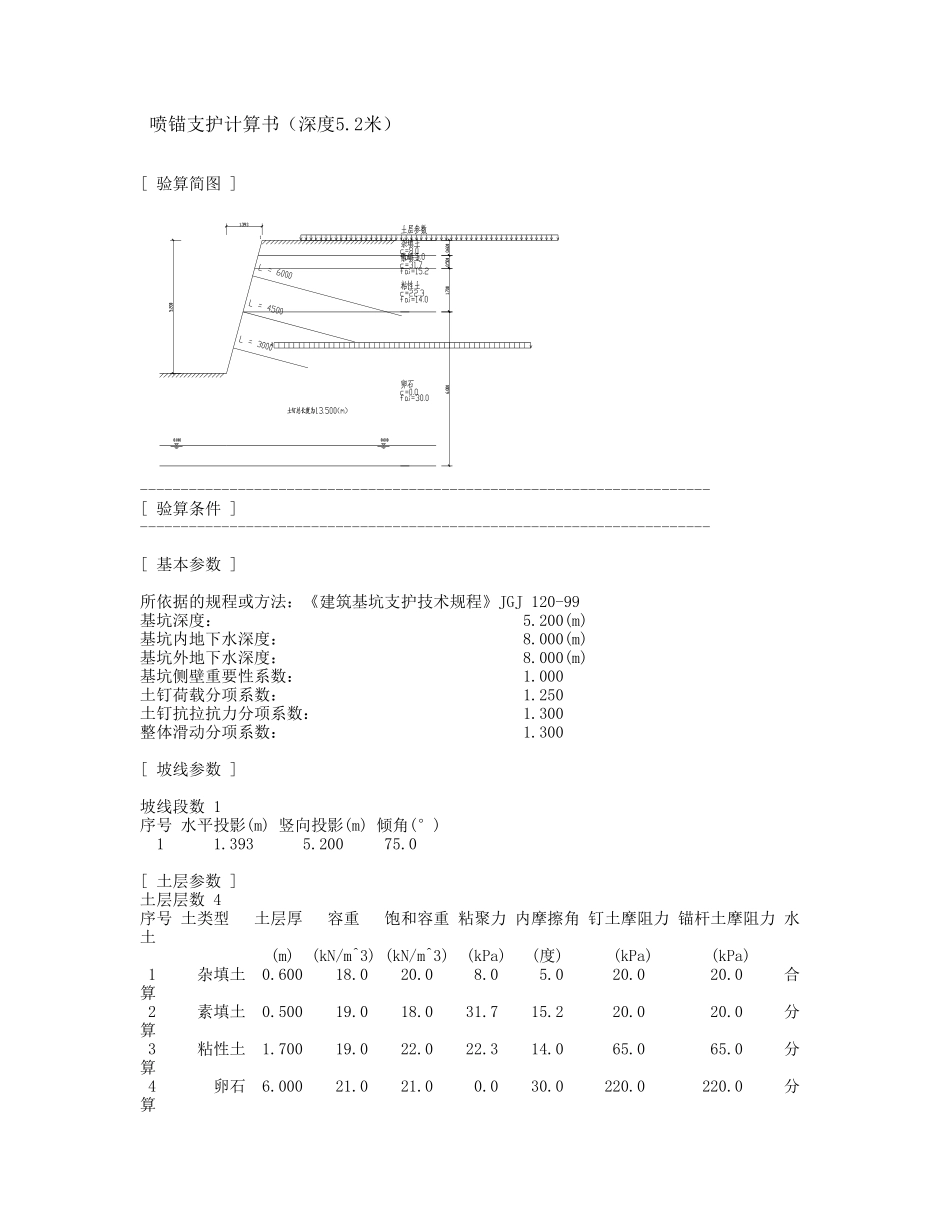
喷锚支护计算书(深度5.2米) [ 验算简图 ]----------------------------------------------------------------------[ 验算条件 ]----------------------------------------------------------------------[ 基本参数 ]所依据的规程或方法:《建筑基坑支护技术规程》JGJ 120-99基坑深度: 5.200(m)基坑内地下水深度: 8.000(m)基坑外地下水深度: 8.000(m)基坑侧壁重要性系数: 1.000土钉荷载分项系数: 1.250土钉抗拉抗力分项系数: 1.300整体滑动分项系数: 1.300[ 坡线参数 ]坡线段数 1序号 水平投影(m) 竖向投影(m) 倾角(°) 1 1.393 5.200 75.0[ 土层参数 ]土层层数 4序号 土类型 土层厚 容重 饱和容重 粘聚力 内摩擦角 钉土摩阻力 锚杆土摩阻力 水土 (m) (kN/m^3) (kN/m^3) (kPa) (度) (kPa) (kPa) 1 杂填土 0.600 18.0 20.0 8.0 5.0 20.0 20.0 合算 2 素填土 0.500 19.0 18.0 31.7 15.2 20.0 20.0 分算 3 粘性土 1.700 19.0 22.0 22.3 14.0 65.0 65.0 分算 4 卵石 6.000 21.0 21.0 0.0 30.0 220.0 220.0 分算[ 超载参数 ]超载数 2序号 超载类型 超载值(kN/m) 作用深度(m) 作用宽度(m) 距坑边线距离(m) 形式 长度(m) 1 局部均布 10.000 0.000 10.000 1.507 条形 2 局部均布 75.000 4.200 10.000 0.457 条形[ 土钉参数 ]土钉道数 3序号 水平间距(m) 垂直间距(m) 入射角度(度) 钻孔直径(mm) 长度(m) 配筋 1 1.500 1.400 15.0 80 6.000 1d20 2 1.500 1.400 15.0 80 4.500 1d25 3 1.500 1.400 15.0 80 3.000 1d28[ 花管参数 ]基坑内侧花管排数 0基坑内侧花管排数 0[ 锚杆参数 ]锚杆道数 0[ 坑内土不加固 ][ 内部稳定验算条件 ]考虑地下水作用的计算方法:总应力法土钉拉力在滑面上产生的阻力的折减系数: 0.500*******************************************************************[ 验算结果 ]*******************************************************************[ 局部抗拉验算结果 ]工况 开挖深度 破裂角 土钉号 土钉长度 受拉荷载标准值 抗拔承载力设计值 抗拉承载力设计值 满足系数 (m) (度) (m) Tjk(kN) Tuj(kN) Tuj(kN) 抗拔 抗拉 1 1.600 43.0 0 2 3.000 44.2 1 6.000 4.7 80.7 66.0 13.789 11.272 3 4.400 46.9 1 6.000 0.0 72...

1、当您付费下载文档后,您只拥有了使用权限,并不意味着购买了版权,文档只能用于自身使用,不得用于其他商业用途(如 [转卖]进行直接盈利或[编辑后售卖]进行间接盈利)。
2、本站所有内容均由合作方或网友上传,本站不对文档的完整性、权威性及其观点立场正确性做任何保证或承诺!文档内容仅供研究参考,付费前请自行鉴别。
3、如文档内容存在违规,或者侵犯商业秘密、侵犯著作权等,请点击“违规举报”。

碎片内容

喷锚支护验算书

您可能关注的文档

确认删除?
VIP
微信客服
  • 扫码咨询
会员Q群
  • 会员专属群点击这里加入QQ群
客服邮箱
回到顶部