电脑桌面
添加小米粒文库到电脑桌面
安装后可以在桌面快捷访问

园林绿化工程招标文件

园林绿化工程招标文件_第1页
1/34
园林绿化工程招标文件_第2页
2/34
园林绿化工程招标文件_第3页
3/34
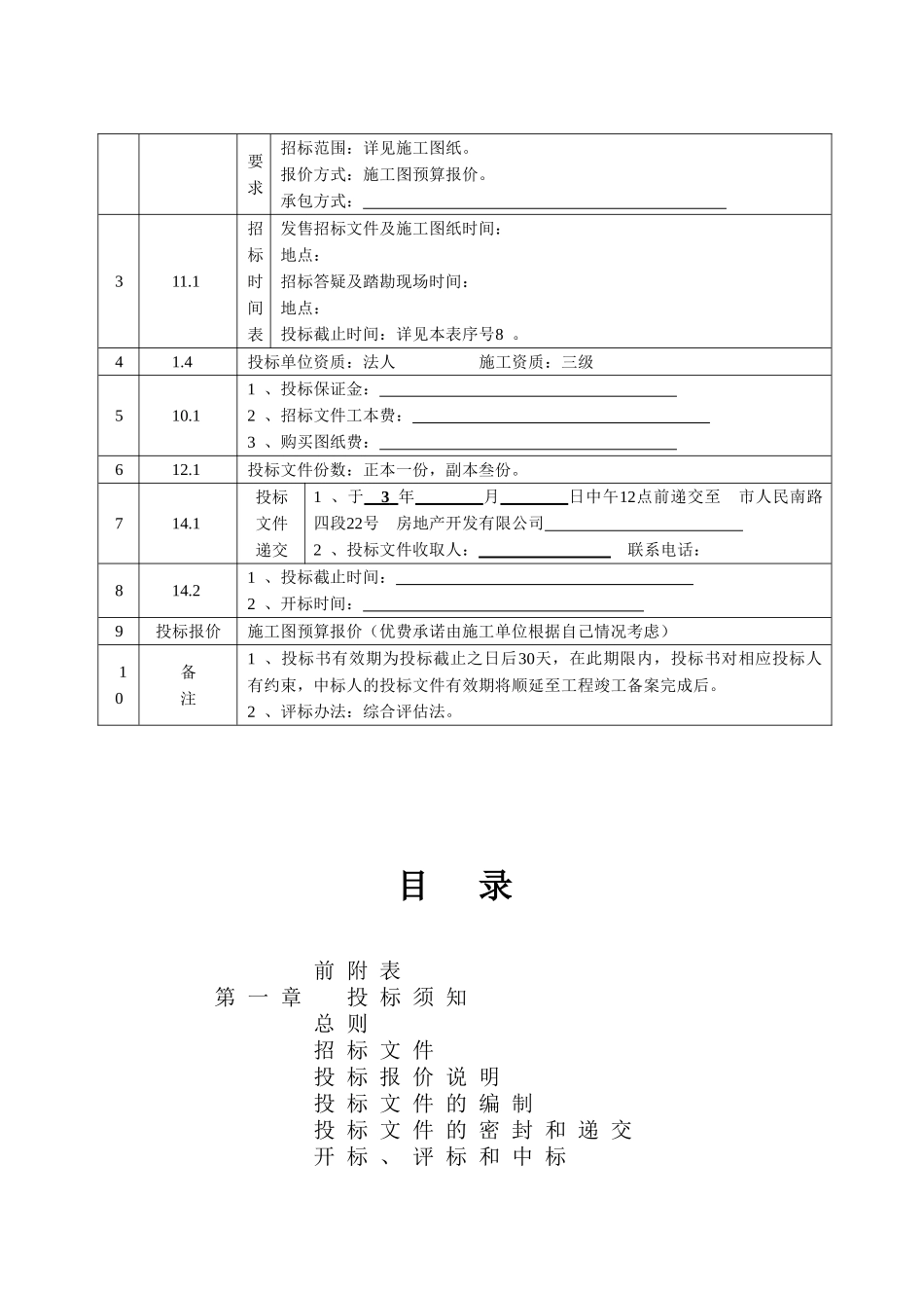
投 标 邀 请 函 工 程 有 限 公 司 : 根 据 我 公 司 对 贵 公 司 营 业 执 照 、 施 工 资 质 、上 两 年 己 建 在 建 工 程 项 目 业 绩 等 各 方 面 的 综 合 考察 , 经 公 司 相 关 部 门 及 领 导 讨 论 决 定 , 现 诚 挚 邀请 贵 公 司 参 加 由 我 公 司 负 责 开 发 承 建 的 “ *** 高 尔 夫 社 区 ” 一 期 入 口 总 平 环 境 工 程 项 目 的 施 工 投 标工 作 。请 贵 公 司 接 此 函 后 , 于 2025 年 月 日 时 分 至 2025年 月 日 时 分 指 派 专 人 持 贵 公司 介 绍 信 到 我 公 司 景 观 部 领 取 《 招 标 文 件 》 、施 工 图 纸 和 相 关 资 料 。 ( 地 址 : *** 市 人 民 南 路 四 段 22 号 。 联 系 人 : 联 系 电 话 : )另 注 : 购 买 《 招 标 文 件 》 、 施 工 图 纸 和 相 关资 料 时 请 贵 公 司 带 齐 下 列 资 料 。1 、 投 标 保 证 金 : 人 民 币 万 元 正 ( ¥ 元 )2 、 《 招 标 文 件 》 、 施 工 图 纸 和 相 关 资 料 押 金 :人 民 币 元 正 ( ¥ 元 )感 谢 多 支 持 ! ***果 奥 园 林 绿 化 有 限 公 司2015 年 9 月 19 日“ *** 社 区 ” 一 期 入 口 总 平 环 境 景 观 工 程招 标 文 件招 标 人 : 房 地 产 开 发 有 限 公 司法 定 代 表 :招 标 主 责 部 门 : 房 地 产 开 发 有 限 公 司 景 观部年 月 日前 附 表序号条 款 号内 容 规 定11.2工程名称工程名称:“ 社 区 ” 一 期 入 口 总 平 环 境建设地点: 工程内容: 绿化面积:详见环境工程施工图21.2工程质量要求: 工 期:75个日历天。要求招标范围:详见施工图纸。报价方式:施工图预算报价。承包方式: 311.1招标时间表发售招标文件及施工图纸时间:地点: 招标答疑及踏勘现场时间:地点: 投标截止时间:详见本表序号8 。41.4投标单位资质:法人 施工资质:三级510.11 、投标保证金: 2 、招标文件工本费: 3 、购买图纸费: 612.1投标文件份数:正本一份,副本叁份。714.1投标文件递交1 、于 3 年 月 日中午12点...

1、当您付费下载文档后,您只拥有了使用权限,并不意味着购买了版权,文档只能用于自身使用,不得用于其他商业用途(如 [转卖]进行直接盈利或[编辑后售卖]进行间接盈利)。
2、本站所有内容均由合作方或网友上传,本站不对文档的完整性、权威性及其观点立场正确性做任何保证或承诺!文档内容仅供研究参考,付费前请自行鉴别。
3、如文档内容存在违规,或者侵犯商业秘密、侵犯著作权等,请点击“违规举报”。

碎片内容

园林绿化工程招标文件

人从众+ 关注
实名认证
内容提供者

欢迎光临小店,本店以公文和教育为主,希望符合您的需求。

确认删除?
VIP
微信客服
  • 扫码咨询
会员Q群
  • 会员专属群点击这里加入QQ群
客服邮箱
回到顶部