电脑桌面
添加小米粒文库到电脑桌面
安装后可以在桌面快捷访问

基坑支护设计相关介绍

基坑支护设计相关介绍_第1页
1/46
基坑支护设计相关介绍_第2页
2/46
基坑支护设计相关介绍_第3页
3/46
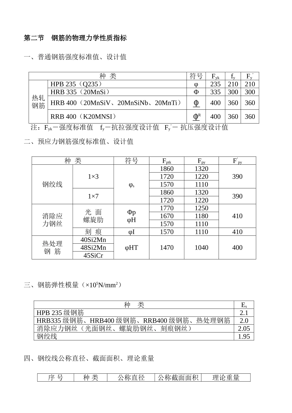
基坑支护设计相关介绍第一章 砼钢材的物理力学性质指标摘自《混凝土结构设计法律规范》GB 50010-2025。第一节 砼的物理力学性质指标一、砼强度标准值(N/mm2)强度种类 符号砼 强 度 等 级C7.5 C10 C15C20C25C30C35C40C45C50C55C60C65C70C75C80轴心抗压 fck56.7 1013.4 16.7 20.1 23.4 26.8 29.6 32.4 35.5 38.5 41.5 44.5 47.4 50.2抗 拉ftk0.75 0.9 1.27 1.54 1.78 2.01 2.20 2.39 2.51 2.64 2.74 2.85 2.93 2.99 3.05 3.11二、砼强度设计值(N/mm2)强度种类 符号砼 强 度 等 级C7.5 C10C15C20 C25C30C35C40C45C50C55C60C65C70C75C80轴心抗压 fc3.75.07.29.6 11.9 14.3 16.7 19.1 21.1 23.1 25.3 27.5 29.7 31.8 33.8 35.9抗 拉ft0.55 0.65 0.91 1.1 1.27 1.43 1.57 1.71 1.81.89 1.96 2.04 2.09 2.14 2.18 2.22注:1、计算现浇砼轴心受压及偏心受压构件时,如截面的边长或直径小于 300 时,则表中强度设计值乘以系数 0.8。三、砼弹性模量(×104N/mm2)砼强度等级 C7.5 C10C15C20C25C30C35C40C45C50C55C60C65C70C75C80EC1.45 1.75 2.20 2.55 2.80 3.00 3.15 3.25 3.35 3.45 3.55 3.60 3.65 3.70 3.75 3.80说明:C7.5、C10 砼的力学指标摘自 GBJ 10-89。第二节钢筋的物理力学性质指标一、普通钢筋强度标准值、设计值种 类符号FykfyFy’热轧钢筋HPB 235(Q235)φ235210210HRB 335(20MnSi)Φ335300300HRB 400(20MnSiV、20MnSiNb、20MnTi)O400360360RRB 400(K20MNSI) OR400360360注:Fyk-强度标准值 fy-抗拉强度设计值 Fy’- 抗压强度设计值二、预应力钢筋强度标准值、设计值种 类符号FptkFpyF’py钢绞线1×3φs1860132039017201220157011101×71860132039017201220消除应力钢丝光 面螺旋肋ΦpφH177012504101670118015701110刻 痕φI15701110410热处理钢 筋40Si2MnφHT1470104040048Si2Mn45SiCr三、钢筋弹性模量(×105N/mm2)种 类EsHPB 235 级钢筋2.1HRB335 级钢筋、HRB400 级钢筋、RRB400 级钢筋、热处理钢筋2.0消除应力钢丝(光面钢丝、螺旋肋钢丝、刻痕钢丝)2.05钢绞线1.95四、钢绞线公称直径、截面面积、理论重量序 号种 类公称直径公称截面面积理论重量(mm)(mm2)(kg/m)11×38.637.40.29810.859.30.46512.985.40.67121×79.554.80.43211.174.20.58012.798.70.77415.2139.01.101注:多股钢绞线截面...

1、当您付费下载文档后,您只拥有了使用权限,并不意味着购买了版权,文档只能用于自身使用,不得用于其他商业用途(如 [转卖]进行直接盈利或[编辑后售卖]进行间接盈利)。
2、本站所有内容均由合作方或网友上传,本站不对文档的完整性、权威性及其观点立场正确性做任何保证或承诺!文档内容仅供研究参考,付费前请自行鉴别。
3、如文档内容存在违规,或者侵犯商业秘密、侵犯著作权等,请点击“违规举报”。

碎片内容

基坑支护设计相关介绍

您可能关注的文档

雏圣文化+ 关注
实名认证
内容提供者

欢迎光临,大量办公文档供您挑选。

确认删除?
VIP
微信客服
  • 扫码咨询
会员Q群
  • 会员专属群点击这里加入QQ群
客服邮箱
回到顶部