电脑桌面
添加小米粒文库到电脑桌面
安装后可以在桌面快捷访问

基础钢筋工程量计算含计算实例

基础钢筋工程量计算含计算实例_第1页
1/43
基础钢筋工程量计算含计算实例_第2页
2/43
基础钢筋工程量计算含计算实例_第3页
3/43
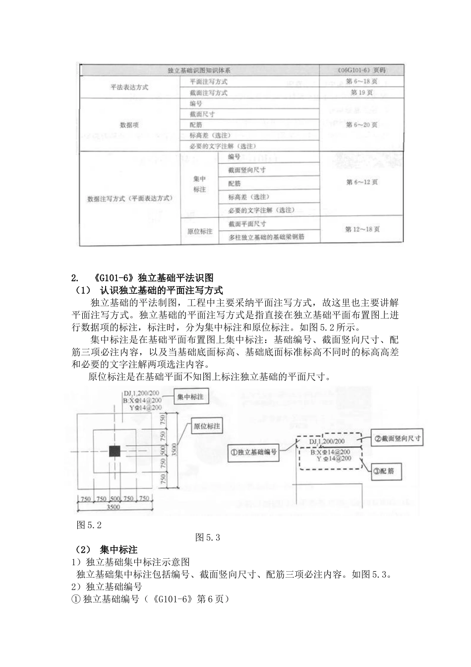
第 5章 基础构件钢筋工程量计算 基础是位于建筑物最下部的承重构件,承重建筑物的全部荷载,并将这些荷载传给地基。基础可分为筏形基础、箱形基础、独立基础、条形基础和桩承台基础等。本章将主要讲解的是常见的独立基础和条形基础。 第一节 独立基础钢筋工程量计算 一、独立基础平法识图1. G101 平法识图学习方法(1)G101 平法识图学习方法G101 平法图集由“制图规则”和“构造详图”两部分组成,通过学习制图规则来识图,通过学习构造详图来了解钢筋的构造及计算。制图规则的学习,可以总结为以下三方面的内容,见图 5.1。一是该构件按平法制图有几种表达方式,二是该构件有哪些数据项,三是这些数据项具体如何标注。图 5.1 G101 平法识图学习方法(2)《G101-6》独立基础平法识图知识体系《G101-6》第 6~20 页讲述的是独立基础构件的制图规则,知识体系如表5.1 所示。表 5.1 《G101-6》独立基础 2. 《G101-6》独立基础平法识图(1) 认识独立基础的平面注写方式独立基础的平法制图,工程中主要采纳平面注写方式,故这里也主要讲解平面注写方式。独立基础的平面注写方式是指直接在独立基础平面布置图上进行数据项的标注,标注时,分为集中标注和原位标注。如图 5.2 所示。集中标注是在基础平面布置图上集中标注:基础编号、截面竖向尺寸、配筋三项必注内容,以及当基础底面标高、基础底面标准标高不同时的标高高差和必要的文字注解两项选注内容。原位标注是在基础平面不知图上标注独立基础的平面尺寸。图 5.2 图 5.3(2) 集中标注1)独立基础集中标注示意图独立基础集中标注包括编号、截面竖向尺寸、配筋三项必注内容。如图 5.3。2)独立基础编号① 独立基础编号(《G101-6》第 6 页)独立基础集中标注的第一项必注内容是基础编号,基础编号表示了独立基础的类型,见表 5.2。表 5.2 独立基础编号识图例如:DJJ2,表示阶形普通独立基础,序号为 2;BJP3,表示杯口坡形独立基础,序号为 3。② 独立基础类型示意图独立基础的类型包括普通和杯口两类,各又分为阶形和坡形,见表 5.3。杯口独立基础一般用于工业厂房,民用建筑一般采纳普通独立基础。表 5.3 独立基础类型示意图3)独立基础截面竖向尺寸(《G101-6》第 7~9 页)独立基础集中标注的第二项必注内容是截面竖向尺寸由一组或两组用“/”隔开的数字表示,比如见表 5.4。 表 5.4 独立基础截面竖向尺4)独立基础编号及截面尺寸识图实例通过学...

1、当您付费下载文档后,您只拥有了使用权限,并不意味着购买了版权,文档只能用于自身使用,不得用于其他商业用途(如 [转卖]进行直接盈利或[编辑后售卖]进行间接盈利)。
2、本站所有内容均由合作方或网友上传,本站不对文档的完整性、权威性及其观点立场正确性做任何保证或承诺!文档内容仅供研究参考,付费前请自行鉴别。
3、如文档内容存在违规,或者侵犯商业秘密、侵犯著作权等,请点击“违规举报”。

碎片内容

基础钢筋工程量计算含计算实例

元素商铺+ 关注
实名认证
内容提供者

欢迎挑选合适的文档

确认删除?
VIP
微信客服
  • 扫码咨询
会员Q群
  • 会员专属群点击这里加入QQ群
客服邮箱
回到顶部