电脑桌面
添加小米粒文库到电脑桌面
安装后可以在桌面快捷访问

墙柱钢筋施工技术交底

墙柱钢筋施工技术交底_第1页
1/13
墙柱钢筋施工技术交底_第2页
2/13
墙柱钢筋施工技术交底_第3页
3/13
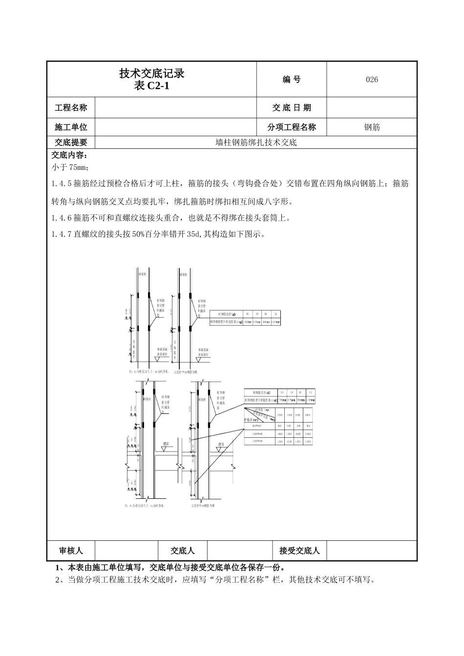
技术交底记录表 C2-1编 号026工程名称交 底 日 期施工单位分项工程名称钢筋交底提要墙柱钢筋绑扎技术交底交底内容: 一、材料要求成型钢筋:必须符合配料单的规格、尺寸、形状、数量,并有加工出厂合格证。钢丝:采纳 20-22号钢丝(火烧丝),钢丝切断要求满足使用要求。垫块:采纳塑料卡垫块。梯子筋、双 F 卡筋。二、主要机具塔吊、钢筋钩子、橇棍、扳子、绑扎架、钢丝刷、钢卷尺、线坠、小白线等。三、作业条件:1、电焊、滚压直螺纹施工人员全部持证上岗。2、根据现场平面布置图,平整好钢筋堆放场地,准备并放好垫木。按绑扎部位分类堆放钢筋,钢筋无老锈和油污,如有锈蚀需预先进行钢丝刷除锈处理。3、同一类半成品钢筋两端各挂一块料牌布(料牌布尺寸统一规定为 80×80mm),标识出钢筋的规格、型号、编号、长度、使用部位等,并派专人负责钢筋的搬运,在搬运过程中注意不要遗失直螺纹丝头保护帽、不要损坏丝头。4、钢筋绑扎前,应检查有无锈蚀,除锈后再运至绑扎部位。5、检查下层预留钢筋的位置、数量、长度,如不符合要求时,及时进行处理。绑扎前先整理调制下层伸出的钢筋,并将浮锈、水泥砂浆等污垢清除洁净。6、按要求搭好脚手架。四、施工工艺1、柱钢筋绑扎1.1 工艺流程:弹出墙轴线、边线、控制线 → 验线 →柱根部砼剔凿→清理、调整柱纵向钢筋 → 柱纵向钢筋连接→ 画箍筋间距线 → 柱箍筋套入 → 柱箍筋绑扎 →绑扎安放柱定位卡子→塑料环圈垫块→验收1.2 纵向钢筋的调整:校正甩筋位置,若有柱纵向钢筋位移现象,按 1:6 打弯校正(即 60mm 长度审核人交底人接受交底人1、本表由施工单位填写,交底单位与接受交底单位各保存一份。2、当做分项工程施工技术交底时,应填写“分项工程名称”栏,其他技术交底可不填写。技术交底记录表 C2-1编 号026工程名称交 底 日 期施工单位分项工程名称钢筋交底提要墙柱钢筋绑扎技术交底交底内容: 范围内可调整 10mm 的水平偏差),严禁打急弯;若有严重位移和打急弯现象必须通知项目技术人员进行处理。1.3 纵筋直螺纹连接:1.3.1 标准型接头:取下钢筋直螺纹保护帽→取下检验合格的连接套筒(有规格标记)的密封盖→用力矩扳手将连接套筒与一端检验合格的钢筋丝头拧到位→将另一端钢筋与连接套筒拧到位。1.3.2 活连接型接头:取下钢筋直螺纹保护帽→取下检验合格的连接套筒(有规格标记)的密封盖→对两端钢筋向连接套筒方向加力,使连接套筒与两端钢筋丝...

1、当您付费下载文档后,您只拥有了使用权限,并不意味着购买了版权,文档只能用于自身使用,不得用于其他商业用途(如 [转卖]进行直接盈利或[编辑后售卖]进行间接盈利)。
2、本站所有内容均由合作方或网友上传,本站不对文档的完整性、权威性及其观点立场正确性做任何保证或承诺!文档内容仅供研究参考,付费前请自行鉴别。
3、如文档内容存在违规,或者侵犯商业秘密、侵犯著作权等,请点击“违规举报”。

碎片内容

墙柱钢筋施工技术交底

您可能关注的文档

确认删除?
VIP
微信客服
  • 扫码咨询
会员Q群
  • 会员专属群点击这里加入QQ群
客服邮箱
回到顶部