电脑桌面
添加小米粒文库到电脑桌面
安装后可以在桌面快捷访问

外墙涂料工程质量技术交底卡

外墙涂料工程质量技术交底卡_第1页
1/2
外墙涂料工程质量技术交底卡_第2页
2/2
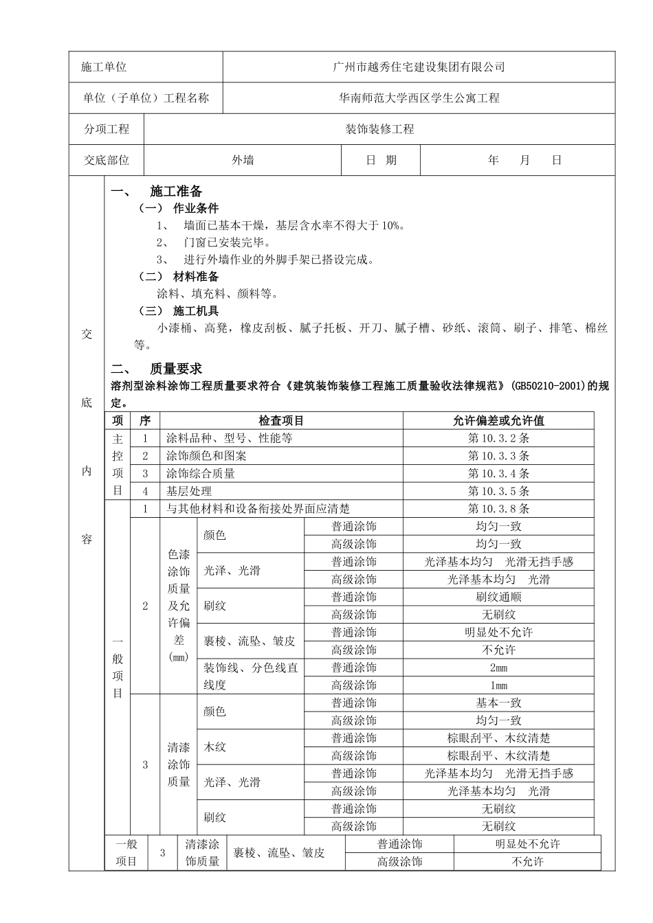
施工单位广州市越秀住宅建设集团有限公司单位(子单位)工程名称华南师范大学西区学生公寓工程分项工程装饰装修工程交底部位外墙日 期 年 月 日交底内容一、施工准备(一) 作业条件1、墙面已基本干燥,基层含水率不得大于 10%。2、门窗已安装完毕。3、进行外墙作业的外脚手架已搭设完成。(二) 材料准备涂料、填充料、颜料等。(三) 施工机具小漆桶、高凳,橡皮刮板、腻子托板、开刀、腻子槽、砂纸、滚筒、刷子、排笔、棉丝等。二、质量要求溶剂型涂料涂饰工程质量要求符合《建筑装饰装修工程施工质量验收法律规范》(GB50210-2001)的规定。项序检查项目允许偏差或允许值主控项目1涂料品种、型号、性能等第 10.3.2 条2涂饰颜色和图案第 10.3.3 条3涂饰综合质量第 10.3.4 条4基层处理第 10.3.5 条一般项目1与其他材料和设备衔接处界面应清楚第 10.3.8 条2色漆涂饰质量及允许偏差(mm)颜色普通涂饰均匀一致高级涂饰均匀一致光泽、光滑普通涂饰光泽基本均匀 光滑无挡手感高级涂饰光泽基本均匀 光滑刷纹普通涂饰刷纹通顺高级涂饰无刷纹裹棱、流坠、皱皮普通涂饰明显处不允许高级涂饰不允许装饰线、分色线直线度普通涂饰2mm高级涂饰1mm3清漆涂饰质量颜色普通涂饰基本一致高级涂饰均匀一致木纹普通涂饰棕眼刮平、木纹清楚高级涂饰棕眼刮平、木纹清楚光泽、光滑普通涂饰光泽基本均匀 光滑无挡手感高级涂饰光泽基本均匀 光滑刷纹普通涂饰无刷纹高级涂饰无刷纹一般项目3清漆涂饰质量裹棱、流坠、皱皮普通涂饰明显处不允许高级涂饰不允许施工单位广州市越秀住宅建设集团有限公司单位(子单位)工程名称华南师范大学西区学生公寓工程分项工程装饰装修工程交底部位外墙日 期 年 月 日交底内容三、工艺流程基层处理→打底找平→打磨→封底漆→第一遍涂料施工→修补第二遍涂料→第三遍涂料施工→检查验收四、施工工艺1、 基层清理对基层表面进行作业前的验收,表面须洁净坚固,对混凝土表面地浮浆等进行清理,对砂浆基层,要认真检查是否存在空鼓及裂缝现象;基层要求含水率在 10%以下,如无条件测试可用手感进行估测。潮气太大不能施工,必须待干后方可施工;对墙面的阴阳角、窗洞口的收口部位特别是阴阳角检查完成后要进行交接验收;将进行作业的所有门窗等采纳塑料布以及其他方式进行防护,避开污染。2、 嵌缝对混凝土墙面出现裂缝,应先在裂缝部位刷一遍掺胶水泥浆,然后使用粘按石膏刮抹。3、 刮防水腻子找平。对混凝土墙面...

1、当您付费下载文档后,您只拥有了使用权限,并不意味着购买了版权,文档只能用于自身使用,不得用于其他商业用途(如 [转卖]进行直接盈利或[编辑后售卖]进行间接盈利)。
2、本站所有内容均由合作方或网友上传,本站不对文档的完整性、权威性及其观点立场正确性做任何保证或承诺!文档内容仅供研究参考,付费前请自行鉴别。
3、如文档内容存在违规,或者侵犯商业秘密、侵犯著作权等,请点击“违规举报”。

碎片内容

外墙涂料工程质量技术交底卡

确认删除?
VIP
微信客服
  • 扫码咨询
会员Q群
  • 会员专属群点击这里加入QQ群
客服邮箱
回到顶部