电脑桌面
添加小米粒文库到电脑桌面
安装后可以在桌面快捷访问

施工管道安装技术方案

施工管道安装技术方案_第1页
1/14
施工管道安装技术方案_第2页
2/14
施工管道安装技术方案_第3页
3/14
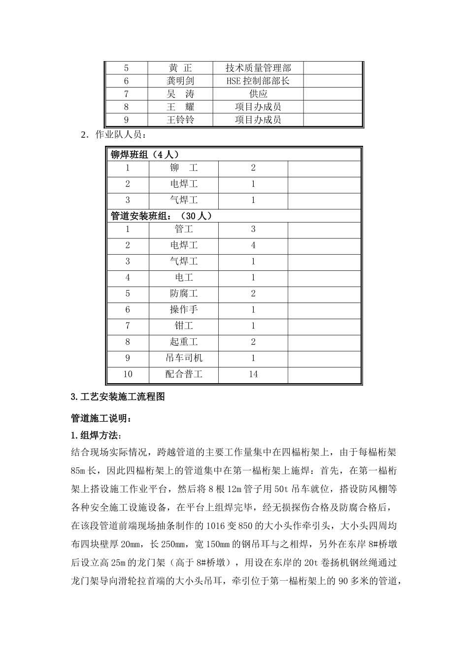
西气东输中卫黄河跨越工程施工管道安装技术方案编制:审核:审定:四川油建西气东输中卫黄河跨越工程施工项目部2025 年 2 月目录:编制说明1.施工组织机构图2.施工项目部人员作业班组情况3.工艺安装施工流程图及施工说明4 桥面结构制作5.桥面结构吊装6.管道安装7.施工安全措施8.应急管理机构9.突发事故应急预案10.施工现场联络编制说明:宁夏中卫黄河跨越工程采纳多跨桁架设计,桥墩基础采纳大直径钻孔灌注桩共计 12 座。桥面结构为四榀倒三角钢桁架(位于 4# ~8#桥墩),上面铺设¢1016x26.管道,与黄河东西两岸的埋地管道相连,由于管道安装主要在距离地面 20 米左右的高空进行,为了保证质量,安全高效的完成管道安装任务特编制此方案。编制依据: 《中卫黄河跨越设计说明书》 《西气东输管道跨越工程施工及验收法律规范》《西气东输管道中卫黄河跨越水上施工方案》1 施工组织机构图图 4.1.1 施工组织机构图2 施工项目部人员作业班组情况1.项目部人员:序号姓名项目部职务备 注1杨胜金项目经理2孙 畅项目部副经理 经营管理部部长兼任项目办主任3徐建民工程管理部部长4赖善金工程管理部副部长兼计划5黄 正技术质量管理部6龚明剑HSE 控制部部长7吴 涛供应8王 耀项目办成员9王铃铃项目办成员 2.作业队人员:铆焊班组(4 人)1铆 工22电焊工13气焊工1管道安装班组:(30 人)1管工32电焊工43气焊工14电工15防腐工26操作手17钳工18起重工29吊车司机110配合普工143.工艺安装施工流程图管道施工说明:1.组焊方法:结合现场实际情况,跨越管道的主要工作量集中在四榀桁架上,由于每榀桁架85m 长,因此四榀桁架上的管道集中在第一榀桁架上施焊:首先,在第一榀桁架上搭设施工作业平台,然后将 8 根 12m 管子用 50t 吊车就位,搭设防风棚等各种安全施工设施设备,在平台上组焊完毕,经无损探伤合格及防腐合格后,在该段管道前端现场抽条制作的 1016 变 850 的大小头作牵引头,大小头四周均布四块壁厚 20mm,长 250mm,宽 150mm 的钢吊耳与之相焊,另外在东岸 8#桥墩后设立高 25m 的龙门架(高于 8#桥墩),用设在东岸的 20t 卷扬机钢丝绳通过龙门架导向滑轮拉首端的大小头吊耳,牵引位于第一榀桁架上的 90 多米的管道,待被牵引管道尾端接近 5#墩柱时停止,再同样方法吊 8 根管子上第一榀桁架进行组焊,待探伤防腐合格后,进行第二次牵引,共计 4 次牵引。之后进行桥面管道的保温及各种安装。2...

1、当您付费下载文档后,您只拥有了使用权限,并不意味着购买了版权,文档只能用于自身使用,不得用于其他商业用途(如 [转卖]进行直接盈利或[编辑后售卖]进行间接盈利)。
2、本站所有内容均由合作方或网友上传,本站不对文档的完整性、权威性及其观点立场正确性做任何保证或承诺!文档内容仅供研究参考,付费前请自行鉴别。
3、如文档内容存在违规,或者侵犯商业秘密、侵犯著作权等,请点击“违规举报”。

碎片内容

施工管道安装技术方案

您可能关注的文档

确认删除?
VIP
微信客服
  • 扫码咨询
会员Q群
  • 会员专属群点击这里加入QQ群
客服邮箱
回到顶部