电脑桌面
添加小米粒文库到电脑桌面
安装后可以在桌面快捷访问

有限元法计算双层框架

有限元法计算双层框架_第1页
1/6
有限元法计算双层框架_第2页
2/6
有限元法计算双层框架_第3页
3/6
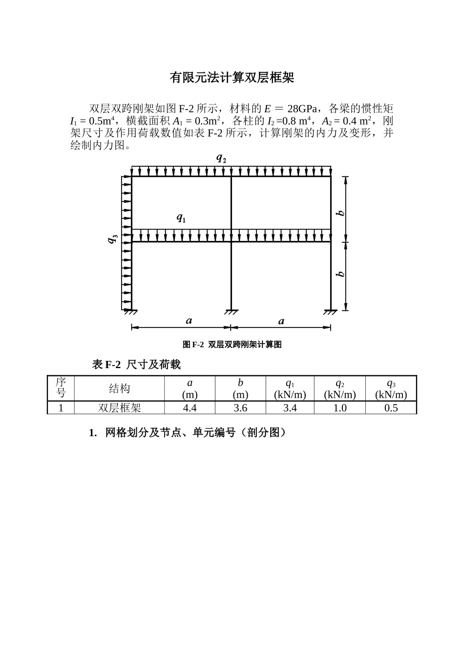
有限元法计算双层框架双层双跨刚架如图 F-2 所示,材料的 E = 28GPa,各梁的惯性矩I1 = 0.5m4,横截面积 A1 = 0.3m2,各柱的 I2 =0.8 m4,A2 = 0.4 m2,刚架尺寸及作用荷载数值如表 F-2 所示,计算刚架的内力及变形,并绘制内力图。图 F-2 双层双跨刚架计算图表 F-2 尺寸及荷载序号结构a (m)b (m)q1(kN/m)q2(kN/m)q3(kN/m)1双层框架4.43.63.41.00.51. 网格划分及节点、单元编号(剖分图)2. 输入数据(可用数据文件)在 PFSAP.IN 中输入如下数据:1example2-1 fig.2-4 9,18,10,2,0,61,2,3,0.0,0.0,4,5,6,4.4,0.0,7,8,9,8.8,0.010,11,12,0.0,-3.6,13,14,15,4.4,-3.6,16,17,18,8.8,-3.60,0,0,0.0,-7.2,0,0,0,4.4,-7.2,0,0,0,8.8,-7.21,2,1,2,3,1,4,5,1,5,6,1,1,4,2,4,7,2,2,5,2,5,8,2,3,6,2,6,9,22.8e7,0.3,0.52.8e7,0.4,0.81,1,1.0,1.0,2,1,1.0,1.0,3,1,3.4,3.4,4,1,3.4,3.4,5,1,-0.5,-0.5,6,1,-0.5,-0.503. 有限元计算结果(可用计算机打印结果) (NO.= 1) example2-1 fig.2-4 NJ=: 9 N=:18 NE=:10 NM=: 2 NPJ=: 0 NPF=: 6 NO.(1)(2)(3) X Y ( 1) 1 2 3 .000 .000 ( 2) 4 5 6 4.400 .000 ( 3) 7 8 9 8.800 .000 ( 4) 10 11 12 .000 -3.600 ( 5) 13 14 15 4.400 -3.600 ( 6) 16 17 18 8.800 -3.600 ( 7) 0 0 0 .000 -7.200 ( 8) 0 0 0 4.400 -7.200 ( 9) 0 0 0 8.800 -7.200 ELEMENT NO.NODE-1 NODE-2 MATERIALS 1 1 2 1 2 2 3 1 3 4 5 1 4 5 6 1 5 1 4 2 6 4 7 2 7 2 5 2 8 5 8 2 9 3 6 2 10 6 9 2 NO.MAT ELASTIC MODULUS AREA MOMENT OF INERTIA 1 .280000E+08 .300000 .500000 2 .280000E+08 .400000 .800000 NON-NODEL LOADS NO.E NO.LOAD.MODEL A C 1 1 1.000 1.000 2 1 1.000 1.000 3 1 3.400 3.400 4 1 3.400 3.400 5 1 -.500 -.500 6 1 -.500 -.500 **************************RESULTS OF CALCULATION************************** NO.N X-DISPLACEMENT Y-DISPLACEMENT ANG.ROT.(RAD) 1 -.18025E-05 .44890E-05 .33462E-06 2 -.65250E-06 .57735E-05 .81355E-07 3 .26200E-06 .50118E-05 -.17765E-06 4 -.68918E-06 .35477E-05 .40884E-06 5 -.28392E-06 .49420E-05 .80045E-07 6 -.65134E-07 ...

1、当您付费下载文档后,您只拥有了使用权限,并不意味着购买了版权,文档只能用于自身使用,不得用于其他商业用途(如 [转卖]进行直接盈利或[编辑后售卖]进行间接盈利)。
2、本站所有内容均由合作方或网友上传,本站不对文档的完整性、权威性及其观点立场正确性做任何保证或承诺!文档内容仅供研究参考,付费前请自行鉴别。
3、如文档内容存在违规,或者侵犯商业秘密、侵犯著作权等,请点击“违规举报”。

碎片内容

有限元法计算双层框架

您可能关注的文档

一帆文传+ 关注
实名认证
内容提供者

欢迎光临店铺,各类公文供您挑选。

确认删除?
VIP
微信客服
  • 扫码咨询
会员Q群
  • 会员专属群点击这里加入QQ群
客服邮箱
回到顶部