电脑桌面
添加小米粒文库到电脑桌面
安装后可以在桌面快捷访问

材料平均运距的计算

材料平均运距的计算_第1页
1/4
材料平均运距的计算_第2页
2/4
材料平均运距的计算_第3页
3/4
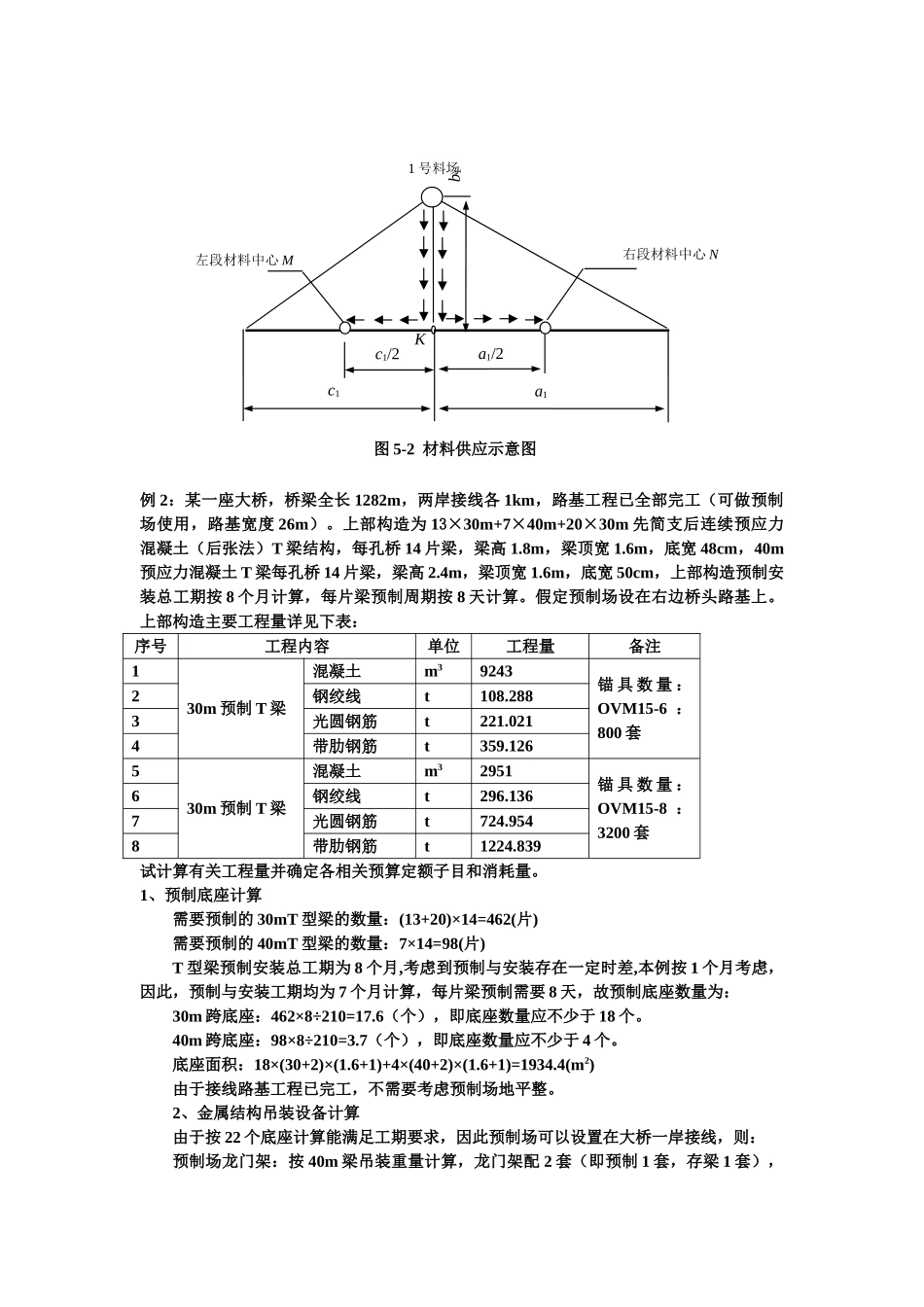
四、材料及构件平均运距的计算材料平均运距计算,是计算材料运杂费的主要基础数据之一。材料平均运距的计算,主要有以下三步:⑴确定公路沿线同一材料多料场供应条件下相邻料场间经济供应分界点⑵计算每个料场在供应范围内材料平均运距;⑶计算全线多料场供应的加权平均运距。下面以例题 5-1 进行说明。【例 5-1】XX 二级公路 XX 标段全长 32km,全线路面基层稳定层结构为 32.5 级水泥稳定石屑,水泥含量 6%,拟用稳定土拌和机沿线路拌施工。假设全线范围内路面基层厚度和宽度均相等。沿线 1 号料场和 2 号料场均可供应 32.5 级水泥,出厂价格和材料质量也相同。1 号料场距离该段公路起始端 6km 外侧 4km 处,2 号料场距离该段公路终点端 8km 外侧 2km处。求由两个料场供应 32.5 级水泥条件下该材料平均运距。解:1.料场经济供应范围的确定当公路工程沿线有若干个同种材料的供应点(料场)时,则两相邻料场间可以确定一个经济分界点。这个经济供应范围的分界点的确定原则是:当两个料场的材料单价相等时其分界点距离前、后两料场的路相等。该路段料场分布如图 5-1 所示。两料场的经济分界点 K 可按下式计算:本题中,K2桩号>K1桩号,则:K 点桩号= K1桩号+ a1=K2桩号-a2上列式中:b1—1 号料场至公路的间距;b2—2 号料场至公路的间距;K1—1 号料场的上路桩号; K2—2 号料场的上路桩号;K—经济分界点(桩号);a1—为 1 号料场上路桩号至经济分界点的间距;DK0+000DK32+0001 号料场b12 号料场b2a1a2AK1K2K图 5-1 经济分界点b1+a1= b2+a2a1+a2=A( 5-1 )a2—为 2 号料场上路桩号至经济分界点的间距;A—两料场上路点间距。由公式(5-1)可进一步推导得公式(5-2)。代入本题数据得: a1=8km;a2=10km经济分界点 K 桩号为:K 桩号=(K6+000)+(K8+000)= K14+000计算桩号时要注意:路线起、终点至最近料场上路的经济范围内,其起、终点即为经济分界点(自然分界点),不必计算。思考:假如材料供应价格不等,比如 1 号料场如何确定材料供应范围?2.每个料场在供应范围内材料平均运距以 1 号料场供应范围内材料平均运距计算为例说明。根据题目背景,全线路面基层厚度、宽度均相同,采纳结构形式也相同,假定每 km32.5 级水泥需要量为 X,则料场供应范围内水泥数量为(c1+ a1)·X。上路点左段所需水泥数量为 c1·X,材料重心在左段中间 M点,左段水泥运输相当于是从 1 号料...

1、当您付费下载文档后,您只拥有了使用权限,并不意味着购买了版权,文档只能用于自身使用,不得用于其他商业用途(如 [转卖]进行直接盈利或[编辑后售卖]进行间接盈利)。
2、本站所有内容均由合作方或网友上传,本站不对文档的完整性、权威性及其观点立场正确性做任何保证或承诺!文档内容仅供研究参考,付费前请自行鉴别。
3、如文档内容存在违规,或者侵犯商业秘密、侵犯著作权等,请点击“违规举报”。

碎片内容

材料平均运距的计算

元素商铺+ 关注
实名认证
内容提供者

欢迎挑选合适的文档

确认删除?
VIP
微信客服
  • 扫码咨询
会员Q群
  • 会员专属群点击这里加入QQ群
客服邮箱
回到顶部