电脑桌面
添加小米粒文库到电脑桌面
安装后可以在桌面快捷访问

杭州某污水处理厂工程施工组织设计

杭州某污水处理厂工程施工组织设计_第1页
1/117
杭州某污水处理厂工程施工组织设计_第2页
2/117
杭州某污水处理厂工程施工组织设计_第3页
3/117
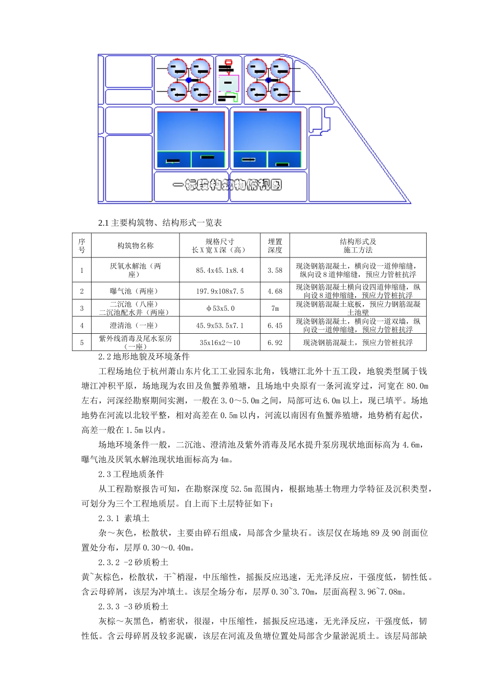
1.编制说明1.1 编制依据1.1.1 杭州市某污水处理有限公司的招标文件《某污水处理厂工程—土建及主体构筑物》。1.1.2 杭州市某污水处理有限公司组织的现场勘察和交底答疑。1.1.3 国家和部颁的有关施工、设计法律规范、规程和标准及杭州地方政府及业主颁布的有关法规性文件。《混凝土结构工程施工及验收法律规范》(GB50204—2001)《给水排水构筑物施工及验收法律规范》(GBJ 141—90)《钢筋焊接和验收法律规范》(JGJ 18-96)《钢筋机械连接通用技术规程》(JGJ-107-96)《建筑地基基础工程施工质量验收法律规范》(GB50202-2025)《建筑地基处理法律规范》(JGJ79-2025)《混凝土水池软弱地基础李设计法律规范》(CECS86-96)《钢结构工程施工质量验收法律规范》(GB50205-2001)《建筑钢结构焊接规程》(JGJ81-91)《混凝土外加剂应用技术法律规范》(GB50119-2025)1.1.4 北京某华环境工程设计讨论院的《某污水处理厂工程》招标设计图纸。1.1.5 浙江某建设工程有限公司的《杭州某污水处理厂一期——岩土工程勘察报告》1. 2 编制原则1.2.1 严格遵循招标文件、设计图纸、地质资料及国家、部委和地方政府颁布的有关技术法律规范、规程的规定,仔细分析讨论,制定切实可行的施工技术措施。1.2.2 总体考虑,全面协作,选择适宜本工程条件的施工机械设备和人员,发挥设备、人才优势,仔细分析,充分比较、论证,合理规划整个工程的施工程序、技术措施,加强各施工工序间的衔接,提高施工效率,确保施工质量和进度。1.2.3 进行多方案分析比较,选择可靠的供水、供电、排水、排污、防噪、防尘方案,选择最有利于工程施工,同时又对周围环境影响最小的施工布置方案。1.2.4 仔细贯彻执行“百年大计,质量第一”的质量方针政策,在业主和监理工程师的指导下,优质、快速、高效地完成本工程施工,交给业主一份满意的答卷,为杭州市污水处理的进展贡献力量。2.工程概况杭州某污水处理厂工程位于杭州萧山东片化工工业园东北角,萧山外十五工段,总建设规模 100 万吨/日,计划分三期建设,一期规模 30 万吨/日,计划用两年的时间完成首期工程建设。该项目的建成,为加快东部基础设施建设,改善萧山区江、临江两大工业园区的投资环境。还碧水清泉于民,实现该区经济的可持续进展具有重要意义。该工程建设单位是杭州某污水处理有限公司。设计单位是北京某环境工程设计讨论院。2.1 主要构筑物、结构形式一览表序号构筑物名称规格尺寸长 X 宽 X...

1、当您付费下载文档后,您只拥有了使用权限,并不意味着购买了版权,文档只能用于自身使用,不得用于其他商业用途(如 [转卖]进行直接盈利或[编辑后售卖]进行间接盈利)。
2、本站所有内容均由合作方或网友上传,本站不对文档的完整性、权威性及其观点立场正确性做任何保证或承诺!文档内容仅供研究参考,付费前请自行鉴别。
3、如文档内容存在违规,或者侵犯商业秘密、侵犯著作权等,请点击“违规举报”。

碎片内容

杭州某污水处理厂工程施工组织设计

确认删除?
VIP
微信客服
  • 扫码咨询
会员Q群
  • 会员专属群点击这里加入QQ群
客服邮箱
回到顶部