电脑桌面
添加小米粒文库到电脑桌面
安装后可以在桌面快捷访问

板钢筋工程量计算

板钢筋工程量计算_第1页
1/44
板钢筋工程量计算_第2页
2/44
板钢筋工程量计算_第3页
3/44
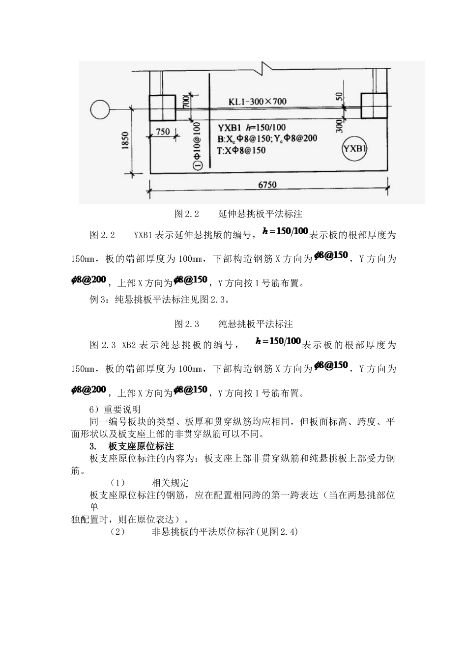
第 2章 混凝土板钢筋工程量计算 第一节 板的表示方法 一、 板的平面表示方法1. 坐标方向的规定(1)当两向轴网正交布置时,图面从左至右为 X 方向,从下至上为 Y 方向;(2)当轴网转折时,局部坐标方向顺轴网转折角度做相应的转折;(3)当轴网向心布置时,切向为 X 方向,径向为 Y 方向。2. 板块集中标注(1)板块集中标注的内容为:板块编号、板厚、贯穿纵筋以及当板面标高不同时的标高高差。(2)对于普通楼面,面对均以一跨为一块板;对于密肋楼盖,两向主梁(框架梁)均以一跨为一块板(非主梁密肋不计)。所有板块应逐一编号,相同编号的板块可择其一做集中标注,其他仅注写置于圈内的板编号,以及当板面标高不同时的标高高差。1)板块编号板块编号按表 2.1 下表规定 表2.1板块编号规定2)板厚板块注写为;当悬挑板的端部改变截面厚度时,用斜线分隔根部与端部的高度值,注写为;当设计已在图注中统一注明板厚时,此项可不注。3)贯穿钢筋贯穿钢筋按板块的下部和上部分别注写(当板块上部不设贯穿钢筋时则不注),并以 B 代表下部,T 代表上部;B&T 代表下部与上部;X 向贯穿筋以 X 打头,Y 向贯穿筋以 Y 打头,两向贯穿筋配置相同时则以 X&Y 打头。当为单向板时,另一向贯穿筋的分布筋可不注写,而在图中统一注明。当在某些板内(例如在延伸悬挑板 YXB,或纯悬挑板 XB 的下部)配置有构造钢筋时,则 X 向以 XC,Y 向以 YC打头注写。4)板面标高高差系指相对于结构层楼面标高的高差,应将其注写在括号内,且有高差时注,无高差时不注。5)板块集中标注举例例 1:板平法集中标注见图 2.1。图 2.1 板平法集中标注LB1 表示 1 号楼板,板厚 120mm,按下部配置的贯穿纵筋 X 向为,Y 方向为;板上部为配置贯穿纵筋。例 1:延伸悬挑板平法标注见图 2.2。图 2.2 延伸悬挑板平法标注图 2.2 YXB1 表示延伸悬挑版的编号,表示板的根部厚度为150mm,板的端部厚度为 100mm,下部构造钢筋 X 方向为,Y 方向为,上部 X 方向为,Y 方向按 1 号筋布置。例 3:纯悬挑板平法标注见图 2.3。图 2.3 纯悬挑板平法标注图 2.3 XB2 表示纯悬挑板的编号, 表示板的根部厚度为150mm,板的端部厚度为 100mm,下部构造钢筋 X 方向为,Y 方向为,上部 X 方向为,Y 方向按 1 号筋布置。6)重要说明同一编号板块的类型、板厚和贯穿纵筋均应相同,但板面标高、跨度、平面形状以及板支座...

1、当您付费下载文档后,您只拥有了使用权限,并不意味着购买了版权,文档只能用于自身使用,不得用于其他商业用途(如 [转卖]进行直接盈利或[编辑后售卖]进行间接盈利)。
2、本站所有内容均由合作方或网友上传,本站不对文档的完整性、权威性及其观点立场正确性做任何保证或承诺!文档内容仅供研究参考,付费前请自行鉴别。
3、如文档内容存在违规,或者侵犯商业秘密、侵犯著作权等,请点击“违规举报”。

碎片内容

板钢筋工程量计算

您可能关注的文档

领读文化+ 关注
实名认证
内容提供者

传播文化,铸就未来

确认删除?
VIP
微信客服
  • 扫码咨询
会员Q群
  • 会员专属群点击这里加入QQ群
客服邮箱
回到顶部