电脑桌面
添加小米粒文库到电脑桌面
安装后可以在桌面快捷访问

某框剪结构医院外墙保温聚氨酯硬泡喷涂施工方案

某框剪结构医院外墙保温聚氨酯硬泡喷涂施工方案_第1页
1/15
某框剪结构医院外墙保温聚氨酯硬泡喷涂施工方案_第2页
2/15
某框剪结构医院外墙保温聚氨酯硬泡喷涂施工方案_第3页
3/15
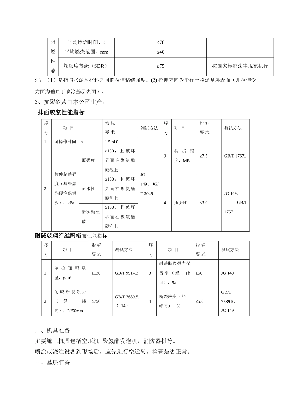
杭州**(中美合资)科技有限公司XXX 医院外墙保温(屋面防水)聚氨酯硬泡喷涂施工方案第一节 工程概况 本工程为新建 XXXX,位于 XXXX。框剪结构,22F,高度 84m,总建筑面积为 37210平方米,外墙保温形式为涂料系统和干挂系统,施工面积约 17200 平方米,本工程外墙保温材料采纳聚氨酯硬泡,设计厚度为 20mm,密度为 35kg/m3。屋面为上人屋面,厚度 30mm.质量目标:xx 杯第二节 编制依据本着“选材正确,优化组合,安全可靠”以及新型环保节能的原则,根据本地区自然条件以及建设单位提供的图纸,结合现场实地察看情况,针对本工程特点和单位自身施工组织能力,相同相似工程中的实际经验而编制。第三节 施工准备 一、材料准备 1、聚氨酯聚氨酯为聚醚多元醇和异氰酸酯混合反应形成的具有防水和保温隔热等功能的硬质泡沫材料,发泡剂采纳非 CFC 物质。执行标准:序号项 目指 标 要 求测试方法喷涂法≥35表观密度,kg/m3按国家标准法律规范执行导热系数(23±2℃),W/(m•K)≤0.024拉伸粘结强度,kPa≥150(1拉伸强度, kPa≥2025断裂延伸率,%≥7吸水率,%≤4尺寸稳定性(48h),%80℃≤2.0-30℃≤1.0阻燃性能平均燃烧时间,s≤70平均燃烧范围,mm≤40烟密度等级(SDR)≤75按国家标准法律规范执行注:(1)是指与水泥基材料之间的拉伸粘结强度。(2) 拉伸方向为平行于喷涂基层表面(即拉伸受力面为垂直于喷涂基层表面)。2、抗裂砂浆由本公司生产。 抹面胶浆性能指标序号项 目指 标要 求测试方法序号项 目指 标要 求测试方法1可操作时间,h1.5~4.0JG 149,JG/T 3049 3抗 折 强度,MPa≥7.5GB/T 176712拉伸粘结强度(与聚氨酯硬泡保温板),kPa原强度≥150 , 且 破 坏界 面 在 聚 氨 酯硬泡上耐水性≥100 , 且 破 坏界 面 在 聚 氨 酯硬泡上4压折比≤3.0JG 149, GB/T 17671耐冻融性能≥100 , 且 破 坏界 面 在 聚 氨 酯硬泡上耐碱玻璃纤维网格布性能指标序号项 目指 标要 求测试方法序号项 目指 标要 求测试方法1单 位 面 积 质量,g/m2≥130GB/T 9914.33耐碱断裂强力保留 率 ( 经 、 纬向),%≥50JG 1492耐 碱 断 裂 强 力(经、纬向),N/50mm≥750GB/T 7689.5,JG 1494断裂应变(经、纬向),%≤5.0GB/T 7689.5,JG 149二、机具准备 主要施工机具包括空压机,聚氨酯发泡机,消防器材等。喷涂或浇注设备到现场后,应先进行空运转,检查是否正常。三...

1、当您付费下载文档后,您只拥有了使用权限,并不意味着购买了版权,文档只能用于自身使用,不得用于其他商业用途(如 [转卖]进行直接盈利或[编辑后售卖]进行间接盈利)。
2、本站所有内容均由合作方或网友上传,本站不对文档的完整性、权威性及其观点立场正确性做任何保证或承诺!文档内容仅供研究参考,付费前请自行鉴别。
3、如文档内容存在违规,或者侵犯商业秘密、侵犯著作权等,请点击“违规举报”。

碎片内容

某框剪结构医院外墙保温聚氨酯硬泡喷涂施工方案

您可能关注的文档

确认删除?
VIP
微信客服
  • 扫码咨询
会员Q群
  • 会员专属群点击这里加入QQ群
客服邮箱
回到顶部