电脑桌面
添加小米粒文库到电脑桌面
安装后可以在桌面快捷访问

某汽车城主展馆设备安装工程施组

某汽车城主展馆设备安装工程施组_第1页
1/27
某汽车城主展馆设备安装工程施组_第2页
2/27
某汽车城主展馆设备安装工程施组_第3页
3/27
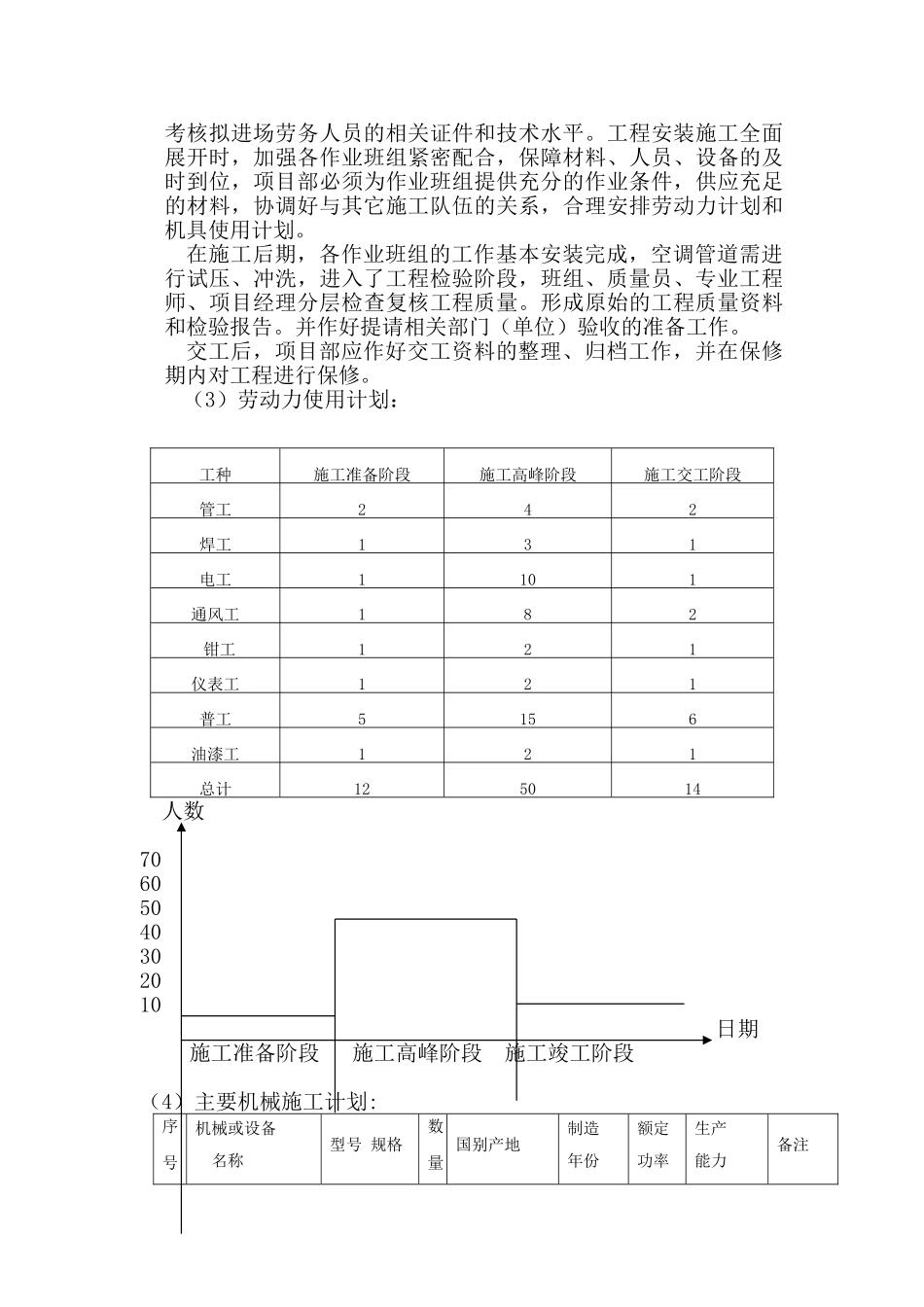
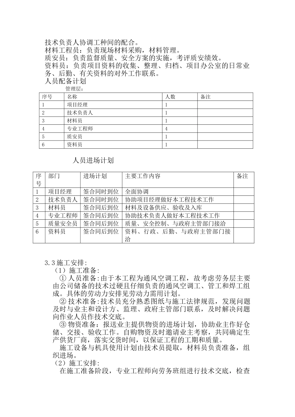
七.施 工 方 案一).工程概况1.本工程系湖南国际汽车城主展馆,主要安装内容设备锅炉安装、空调主机、管及其末端安装、空调水管线的保温及保冷、电气线路的敷设、照明安装、协同业主采购部分设备和材料。 2.本工程要求质量标准,以现行的国家施工验收技术法律规范、建筑安装工程质量检验评定标准,设备说明书、设计变更等技术文件为质量评定标准,达到优良验收标准。3.本工程主要设备螺杆制冷机组、常压电热水锅炉、吊挂式风机、柜式排烟风机。二).编制依据1.通风与空调工程施工质量及验收法律规范(GB50243-2025)三).施工部署3.1 组织机构为了按期保质、保量顺利完成该项目的施工任务,严格本公司管理程序,全面实行项目法施工。成立以项目经理为责任主体的项目部,并配备技术负责人及相应专业技术人员组成项目管理班子,其组织框图如下: 3.2 配合人员配备计划项目经理部,对项目质量、安全、环保、工期、成本进行管理。下设管道、空调、防腐保温等作业队,对工程进行实际操作。每个作业队配备一名负责人,一名专业工程师指导施工。项目班子及各职能部门的岗位职责:项目经理:对工程项目进行全面管理。技术负责人:全面负责施工现场的技术、质量和工程资料的管理。作好与其他相关单位的技术衔接。专业工程师:负责协助处理本专业(工种)的施工技术工作,协助管道工程师空调工程师质安员材料员资料员技术负责人项目经理管工班组焊工班组空调班组普工班组 保 温 防 腐电气工程师锅炉工程师钳工电气仪表工技术负责人协调工种间的配合。材料工程员:负责现场材料采购,材料管理。质安员:负责监督质量、安全方案的实施,考评质安绩效。资料员:负责项目资料的收集、整理、归档、项目办公室的日常业务、后勤、有关资料的对外工作联系。人员配备计划 管理层:序号名称人数备注1项目经理12技术负责人13材料员14专业工程师45质安员16资料员1人员进场计划序号部门进场计划主要工作内容备注1项目经理签合同时到位全面协调2技术负责人签合同时到位协助项目经理做好本工程技术工作3材料员签合同后到位材料及设备供应、验收及入库4专业工程师签合同后到位协助技术负责人做好本工程技术工作5质量安全员签合同后到位质量、安全控制、与政府主管部门接洽6资料员签合同后到位资料、行政、后勤、与政府主管部门接洽3.3 施工安排:(1)施工准备:① 人员准备:由于本工程为通风空调工程,故考虑劳务层主要由公司储备的技术过硬且仔细负责的通风空调工...

1、当您付费下载文档后,您只拥有了使用权限,并不意味着购买了版权,文档只能用于自身使用,不得用于其他商业用途(如 [转卖]进行直接盈利或[编辑后售卖]进行间接盈利)。
2、本站所有内容均由合作方或网友上传,本站不对文档的完整性、权威性及其观点立场正确性做任何保证或承诺!文档内容仅供研究参考,付费前请自行鉴别。
3、如文档内容存在违规,或者侵犯商业秘密、侵犯著作权等,请点击“违规举报”。

碎片内容

某汽车城主展馆设备安装工程施组

您可能关注的文档

一帆文传+ 关注
实名认证
内容提供者

欢迎光临店铺,各类公文供您挑选。

确认删除?
VIP
微信客服
  • 扫码咨询
会员Q群
  • 会员专属群点击这里加入QQ群
客服邮箱
回到顶部