电脑桌面
添加小米粒文库到电脑桌面
安装后可以在桌面快捷访问

桥梁工程监理细则

桥梁工程监理细则_第1页
1/21
桥梁工程监理细则_第2页
2/21
桥梁工程监理细则_第3页
3/21
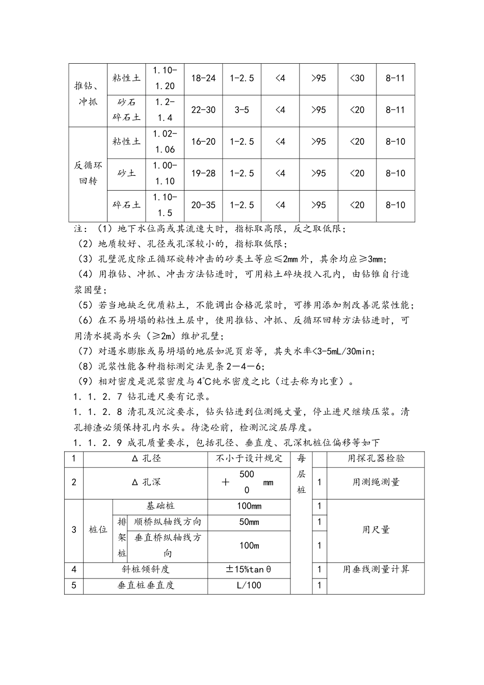
桥梁工程监理细则1 桥梁的基础工程1. 1 钻孔灌注桩1. 1.1 施工工艺流程钻孔灌注桩的施工工序很多。由于成孔方法和现场情况的不同,施工工序流程也各有所异,机成孔的灌注桩施工工艺流程,平整场地水中筑岛或搭平台桩位放线埋设(下设)护筒钻机就位对中钻进(掏渣)清孔成孔检查安放钢筋骨架下导管护筒制作修整制泥浆泥浆净化灌注混凝土前的准备工作钻机移位灌注架就位测量孔深、斜度、直径导管制作、检验、维修组装灌注架桩位复测向孔内注水及粘土安装清孔设备钢筋骨架制作测回淤酬情选用吊车配合钻挖孔钢筋骨架灌注混凝土1.1.2 钻孔灌注桩、质量监理内容1.1.2.1 审查施工组织设计、检查施工设备(如钻具、钻头的直径、锥尖角度、保径圈等)施工场地平整。1.1.2.2 检查桩径孔定位及标高、桩数1.1.2.3 检查钢筋、焊条等原材料的产品合格证、复试报告,自拌混凝土要查水泥、粗细骨料、外加剂的产品合格证。复试报告及砼配合比。商品砼要查砼配合比及其质量保证书。1.1.2.4 搭水上平台、陆上平台要稳固。护筒位置要准确,保证护筒垂直、护筒底口入土深度进入原土>0.2m,河内土质差筒外卖土入原状硬土>1m,顶高于筒外水面 1-2m。1.1.2.5 钻机就位正确,钻机要垂直,钻机要平稳。1.1.2.6 泥浆质量《市政工程施工手册》中就泥浆性能指标泥浆性能要求钻孔方法地层情况泥浆性能指标相对密度粘度(Pa·s)静切力(Pa) 含砂率(%)胶体率(%)失水率(mL/30min)酸碱度正循环回转、冲击粘性土1.05-1.2016-221.0-2.5<8-4>90-95<258-10砂土碎石土卵石漂石1.2-1.4519-283-5<8-4>90-95<158-10制作混凝土试件灌注架移位清理桩头移位清理配制混凝土灌注水下砼拆 拔护桶推钻、冲抓粘性土1.10-1.2018-241-2.5<4>95<308-11砂石碎石土1.2-1.422-303-5<4>95<208-11反循环回转粘性土1.02-1.0616-201-2.5<4>95<208-10砂土1.00-1.1019-281-2.5<4>95<208-10碎石土1.10-1.520-351-2.5<4>95<208-10注:(1)地下水位高或其流速大时,指标取高限,反之取低限;(2)地质较好、孔径或孔深较小的,指标取低限;(3)孔壁泥皮除正循环旋转冲击的砂类土等应≤2mm 外,其余均应≥3mm;(4)用推钻、冲抓、冲击方法钻进时,可用粘土碎块投入孔内,由钻锥自行造浆固壁;(5)若当地缺乏优质粘土,不能调出合格泥浆时,可掺用添加剂改善泥浆性能;(6)在不易坍塌的粘性土层中,使用推钻、冲抓、反循环回转方法钻进时,可用清水提高水头(≥2m)维护孔壁...

1、当您付费下载文档后,您只拥有了使用权限,并不意味着购买了版权,文档只能用于自身使用,不得用于其他商业用途(如 [转卖]进行直接盈利或[编辑后售卖]进行间接盈利)。
2、本站所有内容均由合作方或网友上传,本站不对文档的完整性、权威性及其观点立场正确性做任何保证或承诺!文档内容仅供研究参考,付费前请自行鉴别。
3、如文档内容存在违规,或者侵犯商业秘密、侵犯著作权等,请点击“违规举报”。

碎片内容

桥梁工程监理细则

确认删除?
VIP
微信客服
  • 扫码咨询
会员Q群
  • 会员专属群点击这里加入QQ群
客服邮箱
回到顶部