电脑桌面
添加小米粒文库到电脑桌面
安装后可以在桌面快捷访问

桥梁桩基人工挖孔桩施工

桥梁桩基人工挖孔桩施工_第1页
1/4
桥梁桩基人工挖孔桩施工_第2页
2/4
桥梁桩基人工挖孔桩施工_第3页
3/4
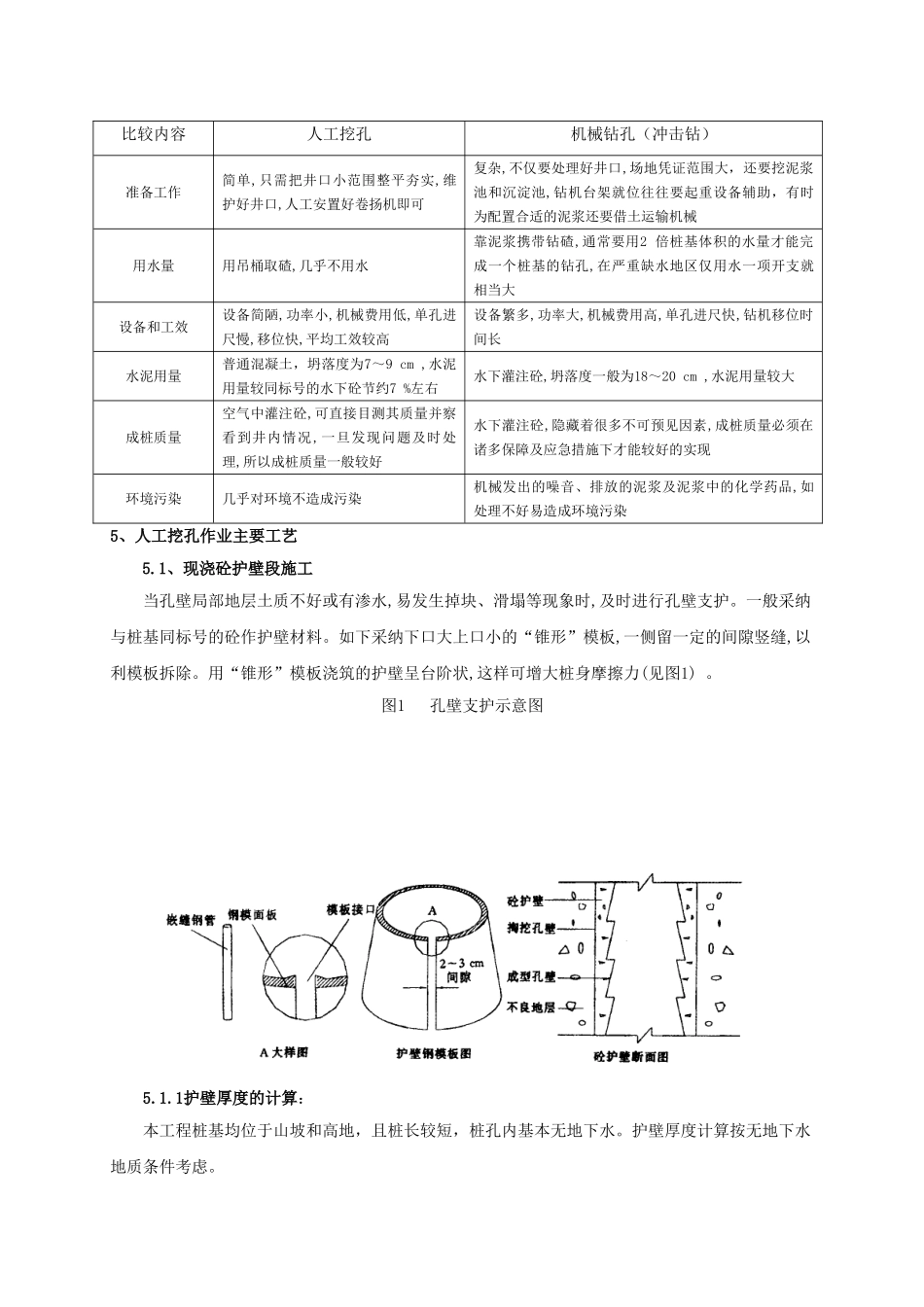
桥梁桩基人工挖孔桩施工摘 要: 在特定条件下桥梁桩基采纳人工挖孔成孔方式,既可保证施工质量,又可获得较好的经济效益。本文结合施工实践,阐述了人工成孔的适用条件、优点及挖孔作业中的注意事项等。关键词: 桥梁; 桩基; 人工挖孔1、工程概况下凉亭立交桥位于杭长高速公路杭州至安城段第9合同段,左幅(中心桩号ZK35+985)为20m(空心板梁)+(50m+2*43m+2*50m)T梁结构,下部结构为柱式墩、桩基础,每墩2根桩;右幅(中心桩号YK35+973.3)为2*50m+43m+6*50mT梁结构,下部结构为柱式墩、桩基础,每墩2根桩。桩径均为250㎝,桩长10m-13m之间,桩身砼强度等级为C25。本工程桥梁梁位坡洪积斜坡及山间沟谷亚区。软土层薄,层厚2-4m,并断续分布。地层岩性自上而下依次为:填土、含砾粉质粘土、含粘性土碎石、中风化凝灰质粉砂岩,承载力较高,为良好的桥梁工程桩基持力层。原设计为钻孔灌注桩,但限于地势和基岩条件,施工几根钻孔桩后,剩余山坡及坡脚部位的桩基全改为挖孔施工。2、人工挖孔的适用条件人工挖孔具有经济、快速和成桩质量高的优点。但必须在无水或少水且结构较密实的土或岩石地层,才可用人工挖孔方法成孔,而且孔径或边长宜在1. 2 m 以上,孔深不超过30 m。当地下水位较高,地质条件不利于人工挖孔,或孔壁支护相当复杂而不经济时,不宜采纳人工挖孔。成孔太深或孔径较小时,上下提土占用时间较多,工效会相应降低,且孔底空气稀薄,受污染后易造成安全事故,亦不宜采纳人工挖孔。下凉亭立交桥桩基直径250cm,孔深最大13m, 根据现场地形地势条件和河流分部状况,以及当地灌溉机井水位量测推断,地下水位较低,均在桩基底部以下,为挖孔桩施工制造了良好条件。3、人工挖孔的工具配备和人员安排人工挖孔一般只须配备挖土、吊运和安全保护器械等种工具。如铁铲、风镐、吊桶、钢丝绳、卷扬机、小推车、支护模板等。必要时用鼓风机通风以改善井下空气质量,配空压机带动风镐掘土以提高工效。在人员配置上,一般每井1 个工作班4 人为宜,井下2 人,1 人掘土,1 人装土挂钩;地面2 人,1 人操作卷扬机吊土,1 人用小推车运土。4、人工挖孔与机械成孔比较人工挖孔与机械成孔的比较见表1 。表1 人工挖孔与机械成孔表交表比较内容人工挖孔机械钻孔(冲击钻)准备工作简单,只需把井口小范围整平夯实,维护好井口,人工安置好卷扬机即可复杂,不仅要处理好井口,场地凭证范围大,还要挖泥浆池和沉淀池,钻机台架就位往往要起重设备辅助,有时为...

1、当您付费下载文档后,您只拥有了使用权限,并不意味着购买了版权,文档只能用于自身使用,不得用于其他商业用途(如 [转卖]进行直接盈利或[编辑后售卖]进行间接盈利)。
2、本站所有内容均由合作方或网友上传,本站不对文档的完整性、权威性及其观点立场正确性做任何保证或承诺!文档内容仅供研究参考,付费前请自行鉴别。
3、如文档内容存在违规,或者侵犯商业秘密、侵犯著作权等,请点击“违规举报”。

碎片内容

桥梁桩基人工挖孔桩施工

确认删除?
VIP
微信客服
  • 扫码咨询
会员Q群
  • 会员专属群点击这里加入QQ群
客服邮箱
回到顶部