电脑桌面
添加小米粒文库到电脑桌面
安装后可以在桌面快捷访问

桩基混凝土施工记录

桩基混凝土施工记录_第1页
1/3
桩基混凝土施工记录_第2页
2/3
桩基混凝土施工记录_第3页
3/3
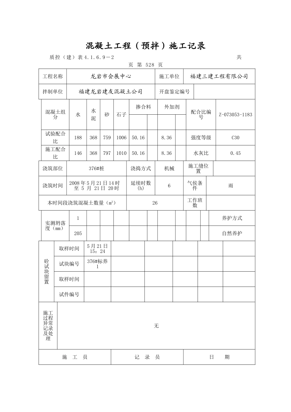
混凝土工程(预拌)施工记录质控(建)表 4.1.6.9-2 共 页 第 528 页工程名称龙岩市会展中心施工单位福建三建工程有限公司拌制单位福建龙岩建友混凝土公司开盘鉴定编号混凝土组分水水泥砂石子掺合料外加剂配合比编号Z-073053-1183试验配合比188368759100650.168.36强度等级C30施工配合比146368797101050.168.36水灰比0.45浇筑部位376#桩浇捣方式机械施工缝位置浇筑时间2008 年 5 月 21 日 14 时至 5 月 21 日 20 时延续时数(h)6气侯条件雨本时间段浇筑混凝土数量(m3)26工作班数实测坍落度(mm)1养护方式205自然养护砼试块留置取样时间5 月 21 日15:24试块编号376#标养1取样时间试件编号施工过程异常记录及处理无施 工 员记 录 员日 期陈 欢 2008 年 5 月 21 日混凝土工程(预拌)施工记录质控(建)表 4.1.6.9-2 共 页 第 5 页工程名称龙岩市会展中心施工单位福建三建工程有限公司拌制单位龙岩鑫港商品混凝土有限公司开盘鉴定编号混凝土组分水水泥砂石子掺合料外加剂配合比编号Z-07548-0251试验配合比190363693104088.55.87强度等级C30施工配合比148.8363733104188.55.87水灰比0.45浇筑部位56#桩浇捣方式机械施工缝位置浇筑时间2008 年 2 月 22 日 19 时至 2 月 22 日 20 时延续时数(h)1气侯条件晴本时间段浇筑混凝土数量(m3)8.4工作班数实测坍落度(mm)1养护方式200自然养护砼试块留置取样时间2 月 22 日19:20试块编号56#标养 1取样时间试件编号施工过程异常记录及处理无施 工 员记 录 员日 期陈 欢 2008 年 2 月 22 日

1、当您付费下载文档后,您只拥有了使用权限,并不意味着购买了版权,文档只能用于自身使用,不得用于其他商业用途(如 [转卖]进行直接盈利或[编辑后售卖]进行间接盈利)。
2、本站所有内容均由合作方或网友上传,本站不对文档的完整性、权威性及其观点立场正确性做任何保证或承诺!文档内容仅供研究参考,付费前请自行鉴别。
3、如文档内容存在违规,或者侵犯商业秘密、侵犯著作权等,请点击“违规举报”。

碎片内容

桩基混凝土施工记录

您可能关注的文档

确认删除?
VIP
微信客服
  • 扫码咨询
会员Q群
  • 会员专属群点击这里加入QQ群
客服邮箱
回到顶部