电脑桌面
添加小米粒文库到电脑桌面
安装后可以在桌面快捷访问

永久性接煤工程竣工验收审批流程

永久性接煤工程竣工验收审批流程_第1页
1/3
永久性接煤工程竣工验收审批流程_第2页
2/3
永久性接煤工程竣工验收审批流程_第3页
3/3
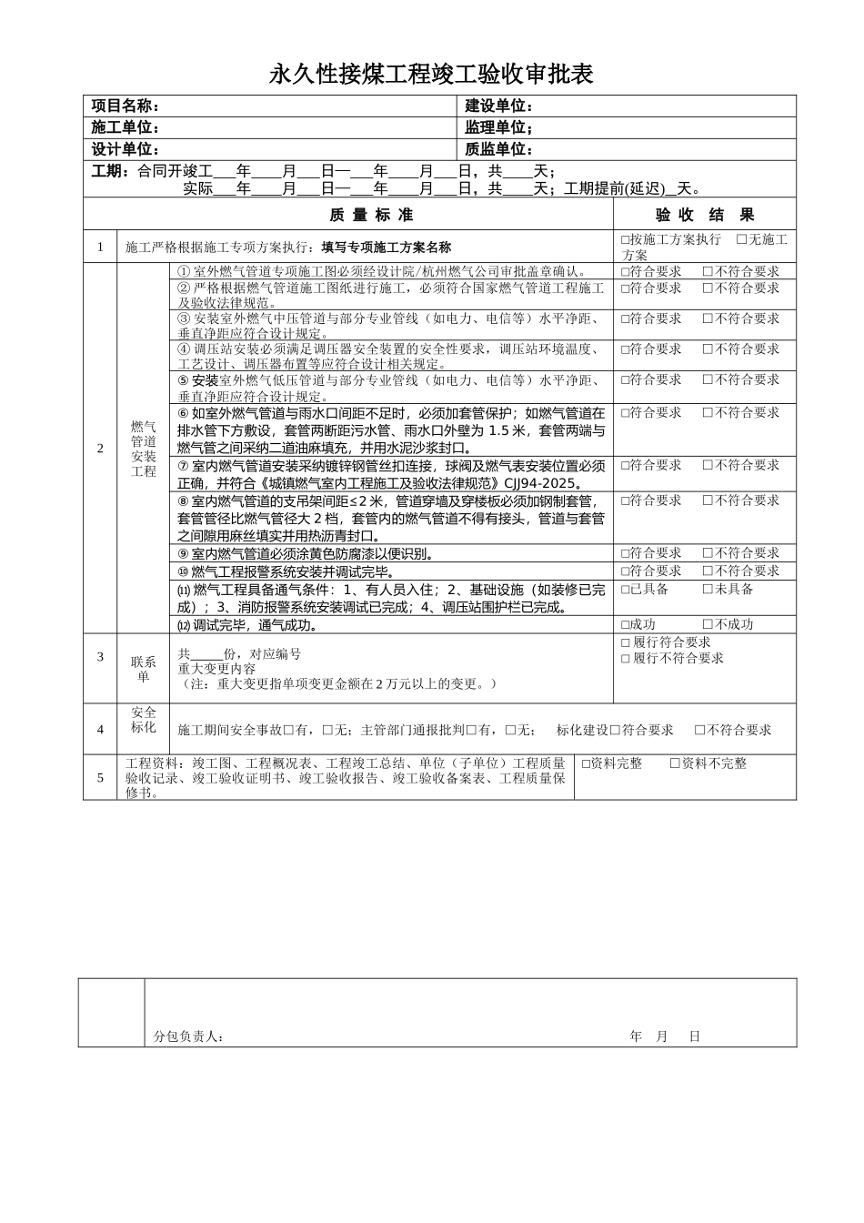
项目建设类流程――竣工验收流程(一)流程环节及各环节考核办法(二)流程指导1.流程启动人:项目经理2.流程启动时间:验收完成后一个工作时内启动流程3.流程基本环节:项目质量员――项目经理――监理工程师――工程部现场代表――工程部主管――工程部经理――分管领导――执行董事助理备案(三)模版表格申报部门(项目)申报时间项目质量员根据现场施工情况在项目竣工后填写《××工程竣工验收审批表》(见附表模版),并进行初步验收。考核办法:1、未及时验收的,每次月度扣 5 分2、检验后经抽查发现质量不合格的,每次月度扣 5 分,年度扣 1 分,如造成经济损失的,每 2 万元扣 1 分项目经理1、 复核现场施工质量,并填写验收结论2、 启动××工程竣工验收审批流程考核办法:1、 如验收记录有虚假的,每次月度扣 5 分,年度扣 1 分2、 如验收不合格仍上报的,每次月度扣 5 分,年度扣 1 分3、 在接到验收表后三个工作时内完成验收4、 在验收完成后二个工作时内启动流程监理工程师复核现场施工质量,并填写验收结论考核办法:1、如验收记录有虚假或验收不合格仍同意上报的,根据监理合同条款进行处罚工程部现场代表□符合竣工验收条件,经验收合格。□不符合竣工验收条件,局部需整改或返工(附整改或返工通知单)考核办法:1、如验收记录有虚假的,每次月度扣 5 分,年度扣 1 分2、如验收不合格仍上报的,每次月度扣 5 分,年度扣 1 分3、在接到验收表后三个工作时内完成验收工程部主管□符合竣工验收条件,经验收合格。□施工存在缺陷,局部需整改或返工(附整改或返工通知单)工程部经理□符合竣工验收条件,经验收合格。□施工存在缺陷,局部需整改或返工(附整改或返工通知单)分管领导□同意□不同意(说明理由)备案执行董事助理永久性接煤工程竣工验收审批表分包负责人: 年 月 日项目名称:建设单位:施工单位:监理单位;设计单位:质监单位:工期:合同开竣工 年 月 日— 年 月 日,共 天;实际 年 月 日— 年 月 日,共 天;工期提前(延迟) 天。质 量 标 准验 收 结 果1施工严格根据施工专项方案执行:填写专项施工方案名称□按施工方案执行 □无施工方案2燃气管道安装工程① 室外燃气管道专项施工图必须经设计院/杭州燃气公司审批盖章确认。□符合要求 □不符合要求② 严格根据燃气管道施工图纸进行施工,必须符合国家燃气管道工程施工及验收法律规范。□符合...

1、当您付费下载文档后,您只拥有了使用权限,并不意味着购买了版权,文档只能用于自身使用,不得用于其他商业用途(如 [转卖]进行直接盈利或[编辑后售卖]进行间接盈利)。
2、本站所有内容均由合作方或网友上传,本站不对文档的完整性、权威性及其观点立场正确性做任何保证或承诺!文档内容仅供研究参考,付费前请自行鉴别。
3、如文档内容存在违规,或者侵犯商业秘密、侵犯著作权等,请点击“违规举报”。

碎片内容

永久性接煤工程竣工验收审批流程

您可能关注的文档

办公文档专营+ 关注
实名认证
内容提供者

大量办公文档,欢迎选择

确认删除?
VIP
微信客服
  • 扫码咨询
会员Q群
  • 会员专属群点击这里加入QQ群
客服邮箱
回到顶部