电脑桌面
添加小米粒文库到电脑桌面
安装后可以在桌面快捷访问

河道开挖江苏某甲级水利监理质量标准之十八

河道开挖江苏某甲级水利监理质量标准之十八_第1页
1/8
河道开挖江苏某甲级水利监理质量标准之十八_第2页
2/8
河道开挖江苏某甲级水利监理质量标准之十八_第3页
3/8
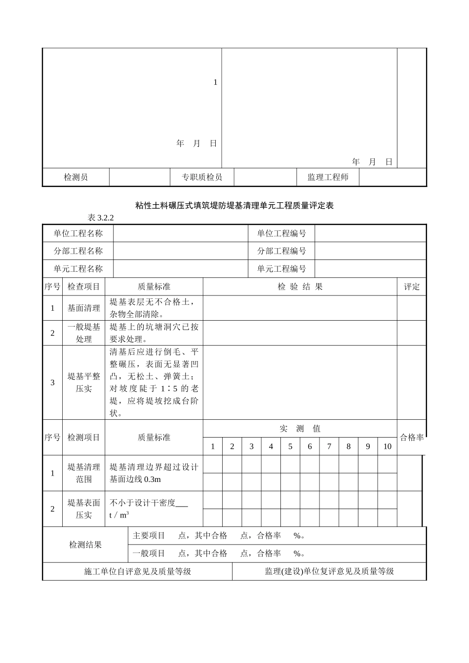
陆上机械河道开挖单元工程质量评定表表 3.1.1单位工程名称单位工程编号分部工程名称分部工程编号单元工程名称单元工程编号序号检 查 项 目质量标准检 验 结 果评定1河道边坡平整、稳定2河道坡脚线整齐顺直3滩 面基本平整,无明显起伏4堆 土 区 位置、高度范围符合设计要求序号检测项目允许偏差设计值实 测 值合格率(%)123456789101河道中心线左右 20.0cm2Δ河底高程不大于 +3.0cm~20.0cm 平均值不高于设计高程3Δ河道底宽±30.0cm 平 均值不小于设计底宽4河道边坡局部坡比 1∶n( 1±5% ) ,整体坡比不陡于 设 计 值(1∶n)5滩面、平台高程保持原地面高程或设计要求的±10cm6滩面、平台宽度设 计 宽 度 的2% 或 -10cm ~+15cm检测结果主要项目 点,其中合格 点,合格率 %。一般项目 点,其中合格 点,合格率 %。施工单位自评意见及质量等级监理(建设)单位复评意见及质量等级年 月 日年 月 日检测员专职质检员监理工程师挖泥船开挖河道土方单元工程质量评定表表 3.1.2单位工程名称单位工程编号分部工程名称分部工程编号单元工程名称单元工程编号序号检 查 项 目质量标准检 验 结 果评定1河口线整齐、顺直2水面以上河道边坡符合设计3挖槽边线基本整齐、顺直序号检测项目允许偏差设计值实 测 值合格率(%)123456789101Δ河底高程河底两侧坡脚线 1 / 4河底宽范围欠挖、超深值不大于 30cm中间部位欠挖值不大于30cm 超 深 值不大于 50cm2横向浅埂长度小于挖槽设计底 宽 的 5% 且不大于 2m3纵向浅埂长度小于 2.5m4挖槽单侧超宽不大于 1.0m5河坡超欠面积比1~1.5检测结果主要项目 点,其中合格 点,合格率 %。一般项目 点,其中合格 点,合格率 %。施工单位自评意见及质量等级监理(建设)单位复评意见及质量等级1年 月 日年 月 日检测员专职质检员监理工程师粘性土料碾压式填筑堤防堤基清理单元工程质量评定表表 3.2.2单位工程名称单位工程编号分部工程名称分部工程编号单元工程名称单元工程编号序号 检查项目质量标准检 验 结 果评定1基面清理堤基表层无不合格土,杂物全部清除。2一般堤基处理堤基上的坑塘洞穴已按要求处理。3堤基平整压实清基后应进行倒毛、平整碾压,表面无显著凹凸,无松土、弹簧土;对 坡 度 陡 于 1∶5 的 老堤,应将堤坡挖成台阶状。序号 检测项目质量标准实 测 值合格率123456789101堤基清理范围堤基清理边界超过设计基面边线...

1、当您付费下载文档后,您只拥有了使用权限,并不意味着购买了版权,文档只能用于自身使用,不得用于其他商业用途(如 [转卖]进行直接盈利或[编辑后售卖]进行间接盈利)。
2、本站所有内容均由合作方或网友上传,本站不对文档的完整性、权威性及其观点立场正确性做任何保证或承诺!文档内容仅供研究参考,付费前请自行鉴别。
3、如文档内容存在违规,或者侵犯商业秘密、侵犯著作权等,请点击“违规举报”。

碎片内容

河道开挖江苏某甲级水利监理质量标准之十八

雏圣文化+ 关注
实名认证
内容提供者

欢迎光临,大量办公文档供您挑选。

确认删除?
VIP
微信客服
  • 扫码咨询
会员Q群
  • 会员专属群点击这里加入QQ群
客服邮箱
回到顶部