电脑桌面
添加小米粒文库到电脑桌面
安装后可以在桌面快捷访问

深基坑围护结构地下连续墙质量检测技术

深基坑围护结构地下连续墙质量检测技术_第1页
1/5
深基坑围护结构地下连续墙质量检测技术_第2页
2/5
深基坑围护结构地下连续墙质量检测技术_第3页
3/5
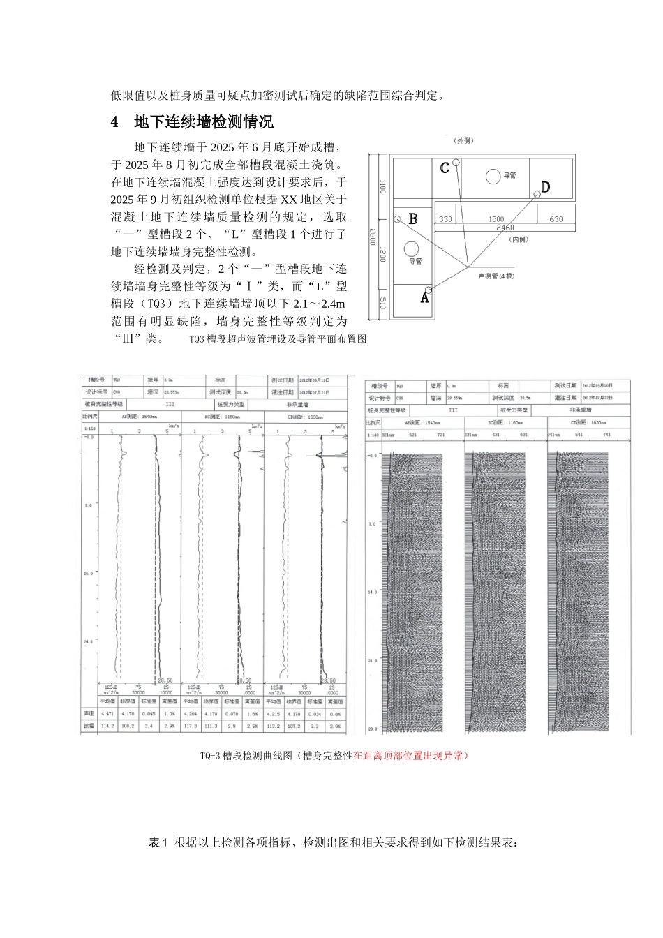
地铁工程围护结构地下连续墙质量检测技术总结1 引言在当前地铁车站、风井等明挖结构的围护结构形式中,地下连续墙是常用的形式之一。作为围护结构而言,对地下连续墙施工质量的检测要求,目前法律规范没有严格规定,各地建设行政主管部门规定也不完全统一。在 XX 地区,执行《关于基坑支护质量检测工作的通知》(XX 建质[2025]897 号)规定:混凝土地下连续墙采纳声波透射法检测墙身结构完整性,检测槽段数不少于总槽数的 10%,且不得少于 3 个槽段。2 工程概况XX 轨道交通十三号线首期工程施工九标【XX 站-XX 站】区间 32#中间风井位于 XX市 XX 镇 XX 公路与规划 107 国道相交的“十”字路口以北地块内,其西端为盾构接收端(XX 站后明挖段-32#中间风井),东端为盾构始发端(32#中间风井-XX 站)。中间风井为明挖暗埋的二层框架结构,长 42m,宽 28m,深 24m。围护结构采纳 800 厚地下连续墙+1 道混凝土支撑+3 道钢支撑形式,地下连续墙深约 30m,共分设 22 个槽段,其中“L”型槽段 4 个,“—”型槽段 18 个。3 声波透射法检测技术3.1 检测原理超声波透射法检测是采纳超声脉冲发射源在混凝土内激发高频弹性脉冲波,并用高精度的接收系统记录该脉冲波在混凝土内传播过程中表现的波动特性。当混凝土内存在不连续或破损界面时,缺陷面形成波阻抗界面,波到达该界面时产生波的透射和反射,使接收到的透射波能量明显降低。当混凝土内存在松散、蜂窝、孔洞等严重缺陷时,将产生波的散射和绕射,根据波的到达时间和波的能量衰减特性、频率变化以及波形畸形程度等特征。可以获得测区范围内混凝土的密实度参数,记录不同侧面、不同高度上的超声波动特性,经过处理分析,就能判别测区内混凝土内部存在缺陷的程度及位置。为使声波透射法能顺利、准确地检测到地下连续墙身混凝土质量状况,须按检测法律规范规定的间距,在地下连续墙的钢筋笼中预埋 2 根以上声测管。3.2 现场检测检测前,将地下连续墙顶的泥浆等清洗洁净,测量出相应声测声测管外壁间净距离;之后将各声测管内注满清水,采纳检查棒检查声测管畅通情况,确保换能器应能在全程范围内升降顺畅。将发射器与接收声波换能器通过深度标志分别置于两根声测管的测点处。发射与接收声波换能器应以相同标高或保持固定高差同步升降,测点间距不应大于 200mm,并应及时校核换能器的深度。图 1 加密测点、斜测、扇形扫描示意图对于每条声测线,应实时显示和记...

1、当您付费下载文档后,您只拥有了使用权限,并不意味着购买了版权,文档只能用于自身使用,不得用于其他商业用途(如 [转卖]进行直接盈利或[编辑后售卖]进行间接盈利)。
2、本站所有内容均由合作方或网友上传,本站不对文档的完整性、权威性及其观点立场正确性做任何保证或承诺!文档内容仅供研究参考,付费前请自行鉴别。
3、如文档内容存在违规,或者侵犯商业秘密、侵犯著作权等,请点击“违规举报”。

碎片内容

深基坑围护结构地下连续墙质量检测技术

您可能关注的文档

确认删除?
VIP
微信客服
  • 扫码咨询
会员Q群
  • 会员专属群点击这里加入QQ群
客服邮箱
回到顶部