电脑桌面
添加小米粒文库到电脑桌面
安装后可以在桌面快捷访问

混凝土钢筋工序质量评定表(1.5-3)

混凝土钢筋工序质量评定表(1.5-3)_第1页
1/5
混凝土钢筋工序质量评定表(1.5-3)_第2页
2/5
混凝土钢筋工序质量评定表(1.5-3)_第3页
3/5
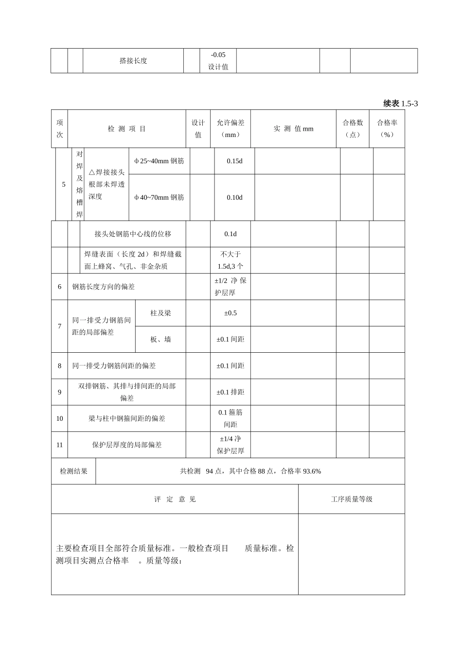
水利水电工程表 1.5-3 混凝土钢筋工序质量评定表单 位 工 程 名 称单元工程量 分 部 工 程 名 称施工单位单元工程名称、部位检 验 日 期项次检 查 项 目质量标准检 验 记 录1△钢筋的数量、规格尺寸安装位置符合设计图纸2焊缝表面和焊缝中不允许有裂缝3△脱焊点和漏焊无项次检 测 项 目设计值允许偏差(mm)实 测 值合格数合格率1点焊及电弧焊帮条对焊接头中心的纵向偏移0.5d2结头处钢筋轴线的曲折4 度3△焊缝长度-0.5d高度-0.05d宽度-0.1d咬边深度0.05d不大于 1表面气孔夹渣在 2d 长度上不多于 2个气孔、夹渣直径不大于 34△绑扎缺扣、松扣≤20%且不集中弯钩朝向正确符合设计图纸搭接长度-0.05设计值续表 1.5-3 项次检 测 项 目设计值允许偏差(mm)实 测 值 mm合格数(点)合格率(%)5对焊及熔槽焊△焊接接头根部未焊透深度ф25~40mm 钢筋0.15dф40~70mm 钢筋0.10d接头处钢筋中心线的位移0.1d焊缝表面(长度 2d)和焊缝截面上蜂窝、气孔、非金杂质不大于1.5d,3 个6钢筋长度方向的偏差±1/2 净 保护层厚7同一排受力钢筋间距的局部偏差柱及梁±0.5板、墙±0.1 间距8同一排受力钢筋间距的偏差±0.1 间距9双排钢筋、其排与排间距的局部偏差±0.1 排距10梁与柱中钢箍间距的偏差0.1 箍筋间距11保护层厚度的局部偏差±1/4 净保护层厚检测结果共检测 94 点,其中合格 88 点,合格率 93.6%评 定 意 见工序质量等级主要检查项目全部符合质量标准。一般检查项目 质量标准。检测项目实测点合格率 。质量等级: 施工单位建设(监理)单位水利水电工程表 1.5-3 混凝土钢筋工序质量评定表 (例表)单 位 工 程 名 称单元工程量 分 部 工 程 名 称施工单位单元工程名称、部位检 验 日 期项次检 查 项 目质量标准检 验 记 录1△钢筋的数量、规格尺寸安装位置符合设计图纸钢筋的数量、规格尺寸安装位置符合设计图纸 ZNY-005V-JZ-IV-25 要求2焊缝表面和焊缝中不允许有裂缝焊缝表面和焊缝中无裂缝3△裂缝无无裂缝项次检 测 项 目设计值允许偏差(mm)实 测 值合格数合格率1点焊及电弧焊帮条对焊接头中心的纵向偏移0.5d2结头处钢筋轴线的曲折4 度3△焊缝长度-0.5d高度-0.05d宽度-0.1d咬边深度1.05d不大于 1表面气孔夹渣在 2d 长度上不多于 2个气孔、夹渣直径不大于 34△绑扎缺扣、松扣≤20%且不集中共测 20 点其中有 3 点松扣1785% 弯钩朝向正确符合设计...

1、当您付费下载文档后,您只拥有了使用权限,并不意味着购买了版权,文档只能用于自身使用,不得用于其他商业用途(如 [转卖]进行直接盈利或[编辑后售卖]进行间接盈利)。
2、本站所有内容均由合作方或网友上传,本站不对文档的完整性、权威性及其观点立场正确性做任何保证或承诺!文档内容仅供研究参考,付费前请自行鉴别。
3、如文档内容存在违规,或者侵犯商业秘密、侵犯著作权等,请点击“违规举报”。

碎片内容

混凝土钢筋工序质量评定表(1.5-3)

您可能关注的文档

范哲铺+ 关注
实名认证
内容提供者

想你所想,急你所急,你需要的都在店铺里可以找到。

确认删除?
VIP
微信客服
  • 扫码咨询
会员Q群
  • 会员专属群点击这里加入QQ群
客服邮箱
回到顶部