电脑桌面
添加小米粒文库到电脑桌面
安装后可以在桌面快捷访问

混凝土钢筋工序质量评定表VIP专享

混凝土钢筋工序质量评定表_第1页
1/3
混凝土钢筋工序质量评定表_第2页
2/3
混凝土钢筋工序质量评定表_第3页
3/3
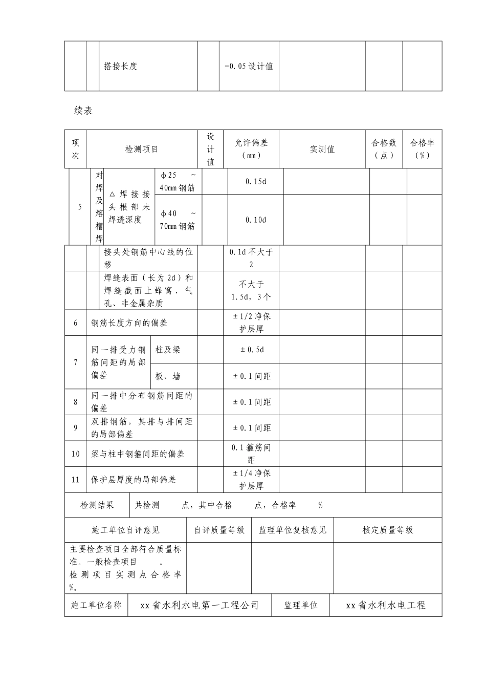
xx 县 xx 河水闸工程 I 标 混凝土钢筋工序质量评定表 (B-35)工程承包单位:xx 省水利水电第一工程公司 合同编号:xx单位工程名称xx 河水闸橡胶坝工程单元工程量分部工程名称检验日期年 月 日单元工程名称、部位评定日期年 月 日项次检查项目质量标准检验记录评 定1△钢筋的数量、规格尺寸、安装位置符合设计图纸2焊缝表面和焊缝中不允许有裂缝3△脱焊点和漏焊点无项次检测项目设计值(mm)允许偏差(mm)实测偏差值合格数(点)合格率(%)1点焊及电弧焊帮条对焊接头中心的纵向偏移0.5d2接头处钢筋轴线的曲折4 度3△焊接长度-0.5d高度-0.05d宽度-0.1d咬边深度0.05 不大于 1表面气孔夹渣在 2d 长度上不多于 2 个气孔、夹渣直径不大于 34△绑扎缺口、松口≤20%且不集中弯钩朝向正确符合设计图纸搭接长度-0.05 设计值续表项次检测项目设计值允许偏差(mm)实测值合格数(点)合格率(%)5对焊及熔槽焊△ 焊 接 接头 根 部 未焊透深度φ25~40mm 钢筋0.15dφ40~70mm 钢筋0.10d接头处钢筋中心线的位移0.1d 不大于2焊缝表面(长为 2d)和焊 缝 截 面 上 蜂 窝 、 气孔、非金属杂质不大于1.5d,3 个6钢筋长度方向的偏差±1/2 净保护层厚7同一排受力钢筋间距的局部偏差柱及梁±0.5d板、墙±0.1 间距8同一排中分布钢筋间距的偏差±0.1 间距9双排钢筋,其排与排间距的局部偏差±0.1 间距10梁与柱中钢箍间距的偏差0.1 箍筋间距11保护层厚度的局部偏差±1/4 净保护层厚检测结果共检测 点,其中合格 点,合格率 %施工单位自评意见自评质量等级监理单位复核意见核定质量等级主要检查项目全部符合质量标准。一般检查项目 。检 测 项 目 实 测 点 合 格 率 %。施工单位名称xx 省水利水电第一工程公司监理单位xx 省水利水电工程名 称监理承包总公司初检负责人复检负责人终检负责人核定人说明:一式四份报送监理部。

1、当您付费下载文档后,您只拥有了使用权限,并不意味着购买了版权,文档只能用于自身使用,不得用于其他商业用途(如 [转卖]进行直接盈利或[编辑后售卖]进行间接盈利)。
2、本站所有内容均由合作方或网友上传,本站不对文档的完整性、权威性及其观点立场正确性做任何保证或承诺!文档内容仅供研究参考,付费前请自行鉴别。
3、如文档内容存在违规,或者侵犯商业秘密、侵犯著作权等,请点击“违规举报”。

碎片内容

混凝土钢筋工序质量评定表

确认删除?
VIP
微信客服
  • 扫码咨询
会员Q群
  • 会员专属群点击这里加入QQ群
客服邮箱
回到顶部