电脑桌面
添加小米粒文库到电脑桌面
安装后可以在桌面快捷访问

湘鄂桂山区地质灾害详细调查

湘鄂桂山区地质灾害详细调查_第1页
1/21
湘鄂桂山区地质灾害详细调查_第2页
2/21
湘鄂桂山区地质灾害详细调查_第3页
3/21
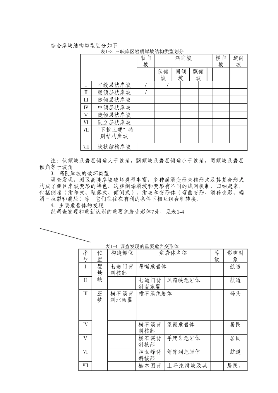
湘鄂桂山区地质灾害详细调查 xx地质矿产讨论所2025年实施的计划项目“湘鄂桂山区地质灾害详细调查”开展的工作项目4项(见表)。 2025年到目前各工作项目取得的重要进展和成果有: 一、长江上游xx—江津段环境工程地质调查 在野外调查的基础上,基本查明了测区地质地貌发育的背景,在此基础上,通过结构面的测量、岸坡结构的测量、危岩变形体等崩滑体的调查,掌握了测区优势结构面的发育状况和基本规律,发现和重新认识了测区重要的危岩变形体及孤立危石的分布状况和发育特征。总结了测区高陡岸坡的破坏类型,为评价和预测区内奉节草堂至巴东官渡口段岸坡稳定性现状和进展,提供了坚实的基础。 1.查明了测区优势结构面的分布状况和基本规律 通过对测区瞿塘峡和巫峡高陡岸坡地带150段7794条节理裂隙等结构面的统计表明,区内优势结构面的分布与构造线平行或直交,平面X节理或剖面X节理发育,卸荷裂隙往往又进一步追踪构造构造节理发育,这些结构面与层面裂隙或易滑层的组合,在有利的临空条件下,为高陡岸坡的变形失稳制造了条件。 2.调查发现的岸坡结构类型 测区岸坡结构类型丰富、变形失稳模式各异。 1)坡形多样: 直线坡、折线坡(凸形坡、凹形坡、阶梯形坡) 2)坡体组成复杂 坡体组成:厚层块状、中层、薄层灰岩与泥岩互层、泥岩与砂岩互层等 岩层倾角:平缓、缓倾、中倾、陡倾、陡立 3)控制性结构面的发育类型多样 一组乃至多组控制性结构面 表1-1 三峡库区岩质岸坡岩层倾角划分表 平缓 缓倾 中倾 陡倾 陡立 α≤10 10<α≤20 20<α≤45 45<α≤75 75<α 表1-2 三峡库区岸坡类型划分表 顺向坡 地质灾害时间分布图斜向坡 横向坡 斜向颇 逆向坡 0<θ≤30 30<θ≤60 60<θ≤120 120<θ≤150150<θ≤180注:θ坡向与岩层倾向的夹角 综合岸坡结构类型划分如下 表1-3 三峡库区岩质岸坡结构类型划分 顺向坡 斜向坡横向坡 逆向坡伏倾坡同倾坡飘倾坡Ⅰ 平缓层状岸坡 / / Ⅱ 缓倾层状岸坡 / Ⅲ 陡倾层状岸坡 Ⅳ 中倾层状岸坡 Ⅴ 陡倾层状岸坡 Ⅵ 陡立层状岸坡 Ⅶ “下软上硬”特别结构岸坡 Ⅷ 块状结构岸坡 注:伏倾坡系岩层倾角大于坡角,飘倾坡系岩层倾角小于坡角,同倾坡系岩层倾角等于坡角 3.高陡岸坡的破坏类型 调查发现,测区高陡岸坡破坏类型丰富,多种崩滑变形失稳形式及其复合形式构成了测区岸坡变形的特色。这些倒塌滑坡和变形有不同的成因机制,归纳起来,包...

1、当您付费下载文档后,您只拥有了使用权限,并不意味着购买了版权,文档只能用于自身使用,不得用于其他商业用途(如 [转卖]进行直接盈利或[编辑后售卖]进行间接盈利)。
2、本站所有内容均由合作方或网友上传,本站不对文档的完整性、权威性及其观点立场正确性做任何保证或承诺!文档内容仅供研究参考,付费前请自行鉴别。
3、如文档内容存在违规,或者侵犯商业秘密、侵犯著作权等,请点击“违规举报”。

碎片内容

湘鄂桂山区地质灾害详细调查

您可能关注的文档

确认删除?
VIP
微信客服
  • 扫码咨询
会员Q群
  • 会员专属群点击这里加入QQ群
客服邮箱
回到顶部