电脑桌面
添加小米粒文库到电脑桌面
安装后可以在桌面快捷访问

电梯安装工程全套质量验收记录表

电梯安装工程全套质量验收记录表_第1页
1/13
电梯安装工程全套质量验收记录表_第2页
2/13
电梯安装工程全套质量验收记录表_第3页
3/13
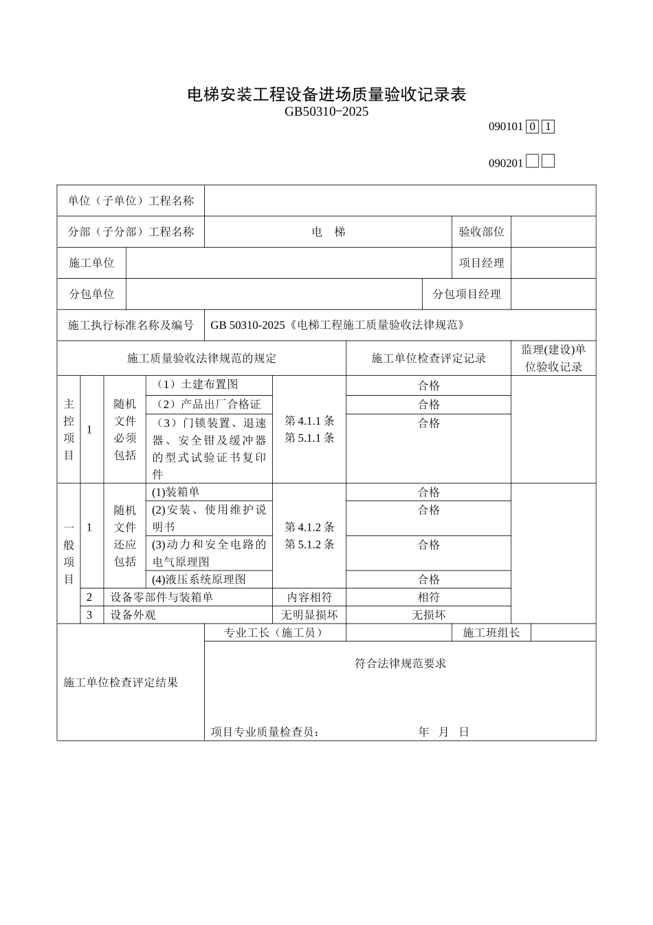
电梯安装工程设备进场质量验收记录表GB50310-2025090201单位(子单位)工程名称分部(子分部)工程名称电 梯验收部位施工单位项目经理分包单位分包项目经理施工执行标准名称及编号GB 50310-2025《电梯工程施工质量验收法律规范》 施工质量验收法律规范的规定施工单位检查评定记录监理(建设)单位验收记录主控项目1随机文件必须包括(1)土建布置图第 4.1.1 条第 5.1.1 条合格(2)产品出厂合格证合格(3)门锁装置、退速器、安全钳及缓冲器的型式试验证书复印件合格一般项目1随机文件还应包括(1)装箱单第 4.1.2 条第 5.1.2 条合格(2)安装、使用维护说明书合格(3)动力和安全电路的电气原理图合格(4)液压系统原理图合格2设备零部件与装箱单内容相符相符3设备外观无明显损坏无损坏施工单位检查评定结果专业工长(施工员)施工班组长符合法律规范要求 项目专业质量检查员: 年 月 日 090101 01监理(建设)单位验收结论专业监理工程师:(建设单位项目专业技术负责人): 年 月 日电梯安装土建交接质量验收记录表GB50310-2025090102 01090202单位(子单位)工程名称分部(子分部)工程名称电 梯验收部位施工单位项目经理分包单位分包项目经理施工执行标准名称及编号GB 50310-2025《电梯工程施工质量验收法律规范》施工质量验收法律规范的规定施工单位检查评定记录监理(建设)单位验收记录主控项目1机房内部、井道土建(钢架)结构布置必须符合电梯土建布置图要求合格2主电源开关第 4.2.2 条合格3井道第 4.2.3 条合格一般项目1机房还应符合的规定第 4.2.4 条合格2井道还应符合的规定第 4.2.5 条合格施工单位检查评定结果专业工长(施工员)施工班组长符合法律规范要求项目专业质量检查员: 年 月 日 监理(建设)单位验收结论专业监理工程师:(建设单位项目专业技术负责人): 年 月 日电梯驱动主机安装工程质量验收记录表(曳引式或强制式)GB50310-2025 090103 01单位(子单位)工程名称分部(子分部)工程名称电 梯验收部位施工单位项目经理分包单位分包项目经理施工执行标准名称及编号GB 50310-2025《电梯工程施工质量验收法律规范》施工质量验收法律规范的规定施工单位检查评定记录监理(建设)单位验收记录主控项目1驱动主机安装第 4.3.1 条符合要求一般项目1主机承重埋设第 4.3.2 条符合要求2制动器动作、制动间隙第 4.3.3 条符合要求3驱动主机及其底座与梁安装产品设计要求符合要求4驱动主机减速...

1、当您付费下载文档后,您只拥有了使用权限,并不意味着购买了版权,文档只能用于自身使用,不得用于其他商业用途(如 [转卖]进行直接盈利或[编辑后售卖]进行间接盈利)。
2、本站所有内容均由合作方或网友上传,本站不对文档的完整性、权威性及其观点立场正确性做任何保证或承诺!文档内容仅供研究参考,付费前请自行鉴别。
3、如文档内容存在违规,或者侵犯商业秘密、侵犯著作权等,请点击“违规举报”。

碎片内容

电梯安装工程全套质量验收记录表

办公文档专营+ 关注
实名认证
内容提供者

大量办公文档,欢迎选择

确认删除?
VIP
微信客服
  • 扫码咨询
会员Q群
  • 会员专属群点击这里加入QQ群
客服邮箱
回到顶部