电脑桌面
添加小米粒文库到电脑桌面
安装后可以在桌面快捷访问

电梯施工组织设计

电梯施工组织设计_第1页
1/11
电梯施工组织设计_第2页
2/11
电梯施工组织设计_第3页
3/11
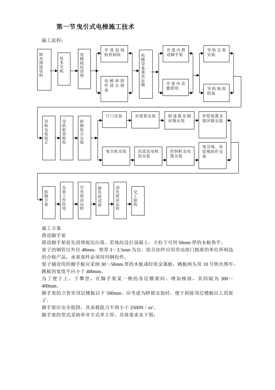
目录第一章 电梯工程...............................................................2第 1 节 电梯安装控制要点...................................................2第 2 节 设计概述...........................................................3第 3 节 曳引式电梯施工技术.................................................4第 4 节 电梯调试与验收....................................................21电梯工程第一节电梯安装控制要点搭设在井道内的安装电梯脚手架不同于一般的脚手架,应满足下列三点要求:脚手架必须安全可靠,每平方米承载能力不小于 2.5kN,脚手架整个高度的全部重量不能集中在底部,需在中间分段承载。脚手架从上到下,在整个高度上不能阻碍安装电梯的各道作业。因此,支搭脚手架前,装电梯的施工人员应根据井道尺寸、机房和导轨布置尺寸,绘制出支搭脚手架的施工图,注明尺寸,然后按图搭设。确定脚手架的层高,既要考虑建筑物的层高,又要考虑操作人员上下行动方便。电梯设备垂直运输中最重要而困难的是顶部机房中曳引机的吊装必须安全可靠。常用方法是卷扬机滑轮组,其受力点是顶部预埋锚点,吊装前实行试吊措施,试吊物的重量为曳引机重量的 1.25 倍,超载试吊无问题后再正式吊装曳引机。确保施工安全。必须保证和提高导轨的安装准确度和牢固度,以保证电梯长期平稳地运行。为此,施工中一方面要重视固定导轨支架结构的可靠性和安装准确度,另一方面要力求提高导轨的安装准确度和接头可靠性。轿厢两导轨对铅垂线偏差应小于 0.6/5000(mm),两导轨间距偏差在整个高度上小于±0.5mm。每一个导轨接头应平齐,无凹凸台阶现象,偏差小于 0.05mm,每一个接头间局部缝隙小于 0.5mm。导轨安装结束后,必须检查验收,符合要求后方可组装轿厢。以后在电梯试运转结束后,应再检查、复测导轨的上述准确度,如有变化,应调整到上述精度范围内,并不发生变化。电梯试运转严格按法律规范分三步进行,第一步是电梯空负荷试运转,第二步是静载试验第三步是动负荷试运转。每台电梯三步试验都符合要求方可交工验收。静载试验实际上是一种超载试验,电梯处于底层不动,分步往轿厢内加载至 150%~200%的电梯额定负载,持续 2h 以检验电梯各部结构强度和钢丝绳接头强度,保证电梯使用安全,该项试验必须进行不得省略。第一节设计概述整栋建筑共设置 17 台电梯和 2 台扶梯。电梯功能划分:电梯、扶梯编...

1、当您付费下载文档后,您只拥有了使用权限,并不意味着购买了版权,文档只能用于自身使用,不得用于其他商业用途(如 [转卖]进行直接盈利或[编辑后售卖]进行间接盈利)。
2、本站所有内容均由合作方或网友上传,本站不对文档的完整性、权威性及其观点立场正确性做任何保证或承诺!文档内容仅供研究参考,付费前请自行鉴别。
3、如文档内容存在违规,或者侵犯商业秘密、侵犯著作权等,请点击“违规举报”。

碎片内容

电梯施工组织设计

确认删除?
VIP
微信客服
  • 扫码咨询
会员Q群
  • 会员专属群点击这里加入QQ群
客服邮箱
回到顶部