电脑桌面
添加小米粒文库到电脑桌面
安装后可以在桌面快捷访问

电气照明专用灯具安装检验批质量验收记录

电气照明专用灯具安装检验批质量验收记录_第1页
1/2
电气照明专用灯具安装检验批质量验收记录_第2页
2/2
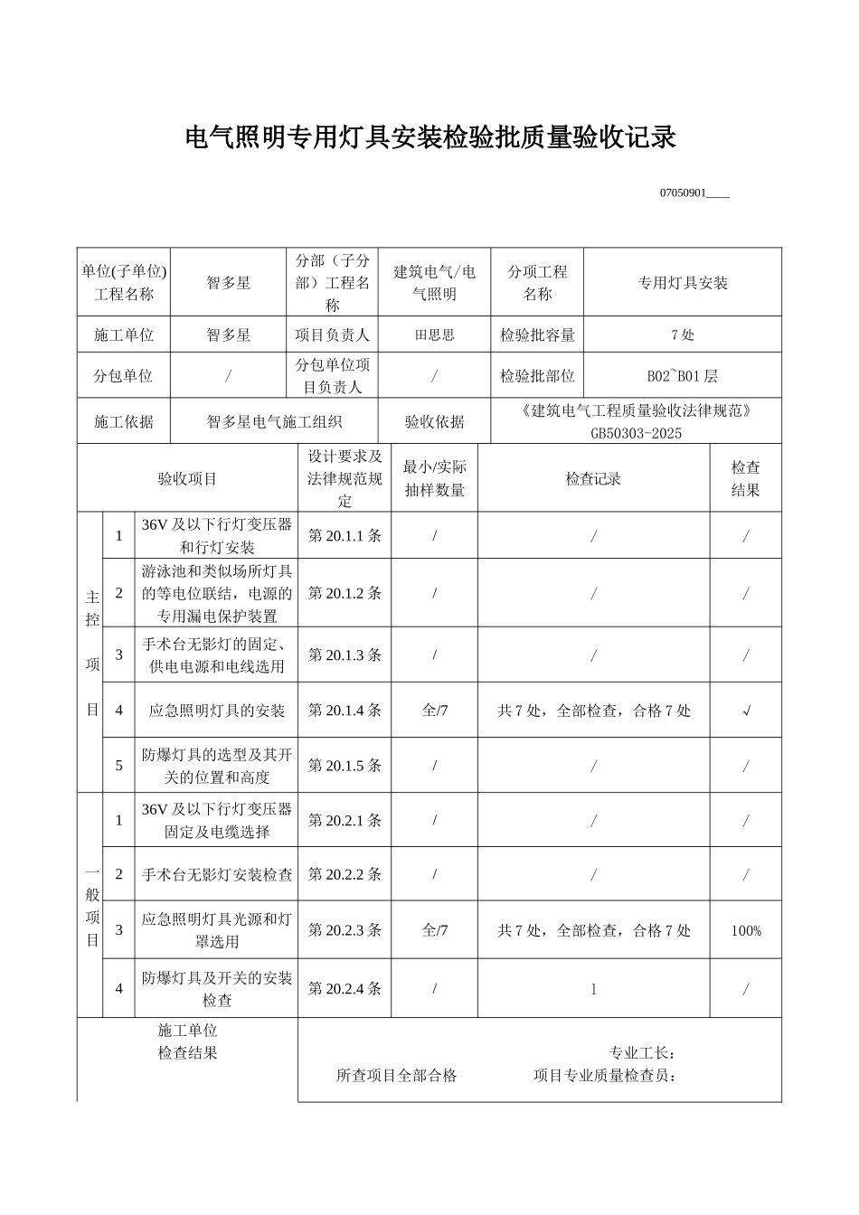
电气照明专用灯具安装检验批质量验收记录 07050901____单位(子单位)工程名称智多星分部(子分部)工程名称建筑电气/电气照明分项工程名称专用灯具安装施工单位智多星项目负责人田思思检验批容量7 处分包单位/分包单位项目负责人/检验批部位B02~B01 层施工依据智多星电气施工组织验收依据《建筑电气工程质量验收法律规范》GB50303-2025验收项目设计要求及法律规范规定最小/实际抽样数量检查记录检查结果主控项目136V 及以下行灯变压器和行灯安装第 20.1.1 条///2游泳池和类似场所灯具的等电位联结,电源的专用漏电保护装置第 20.1.2 条///3手术台无影灯的固定、供电电源和电线选用第 20.1.3 条///4应急照明灯具的安装第 20.1.4 条全/7共 7 处,全部检查,合格 7 处√5防爆灯具的选型及其开关的位置和高度第 20.1.5 条///一般项目136V 及以下行灯变压器固定及电缆选择第 20.2.1 条///2手术台无影灯安装检查第 20.2.2 条///3应急照明灯具光源和灯罩选用第 20.2.3 条全/7共 7 处,全部检查,合格 7 处100%4防爆灯具及开关的安装检查第 20.2.4 条/l/施工单位检查结果 专业工长:所查项目全部合格 项目专业质量检查员: 年 月 日监理单位验收结论验收合格 专业监理工程师: 年 月 日

1、当您付费下载文档后,您只拥有了使用权限,并不意味着购买了版权,文档只能用于自身使用,不得用于其他商业用途(如 [转卖]进行直接盈利或[编辑后售卖]进行间接盈利)。
2、本站所有内容均由合作方或网友上传,本站不对文档的完整性、权威性及其观点立场正确性做任何保证或承诺!文档内容仅供研究参考,付费前请自行鉴别。
3、如文档内容存在违规,或者侵犯商业秘密、侵犯著作权等,请点击“违规举报”。

碎片内容

电气照明专用灯具安装检验批质量验收记录

您可能关注的文档

阳光书坊+ 关注
实名认证
内容提供者

阳光书坊,传播未来

确认删除?
VIP
微信客服
  • 扫码咨询
会员Q群
  • 会员专属群点击这里加入QQ群
客服邮箱
回到顶部