电脑桌面
添加小米粒文库到电脑桌面
安装后可以在桌面快捷访问

监测与控制系统节能检验批质量验收记录

监测与控制系统节能检验批质量验收记录_第1页
1/2
监测与控制系统节能检验批质量验收记录_第2页
2/2
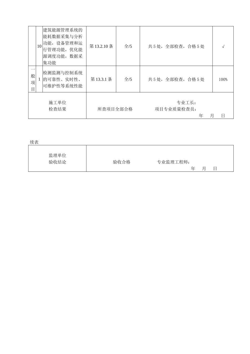
监测与控制系统节能检验批质量验收记录 09040101_____ 单位(子单位)工程名称智多星分部(子分部)工程名称建筑节能/监控系统节能分项工程名称控制系统节能施工单位智多星项目负责人欧玥旭检验批容量1 套分包单位/分包单位项目负责人/检验批部位首层 1~8/A~C 轴施工依据智多星建筑节能施工方案验收依据《建筑节能工程施工质量验收法律规范》GB50411-2025验收项目设计要求及法律规范规定最小/实际抽样数量检查记录检查结果主控项目1 材料设备进场验收第 13.2.1 条/质量证明文件齐全,通过进场验收√2 监测与控制系统安装质量第 13.2.2 条全/1共 5 处,全部检查,合格 5 处√3 经过试运行的项目的各项功能第 13.2.3 条/功能复合设计要求,试运行记录编号××××√4空调与采暖的冷热源、空调水系统的监测控制系统应成功运行,控制及故障报警功能第 13.2.4 条/5共 5 处,全部检查,合格 5 处√5通风与空调监测控制系统的控制功能及故障报警功能第 13.2.5 条/5抽查 1 处,合格 1 处√6监测与计量装置的检测计量数据应准确,并符合系统对测量准确度的要求第 13.2.6 条/5抽查 1 处,合格 1 处√7 供配电的监测与数据采集系统第 13.2.7 条全/5共 5 处,全部检查,合格 5 处√8 照明自动控制系统的功能第 13.2.8 条全/1抽查 1 处,合格 1 处√9 综合控制系统应对建筑智能系统、采暖、通风与空调系统进行功能检测第 13.2.9 条全/5共 5 处,全部检查,合格 5 处√10建筑能源管理系统的能耗数据采集与分析功能,设备管理和运行管理功能,优化能源调度功能,数据采集功能第 13.2.10 条全/5共 5 处,全部检查,合格 5 处√一般项目1检测监测与控制系统的可靠性、实时性、可维护性等系统性能第 13.3.1 条全/5共 5 处,全部检查,合格 5 处100%施工单位检查结果 专业工长:所查项目全部合格 项目专业质量检查员: 年 月 日续表监理单位验收结论验收合格 专业监理工程师: 年 月 日

1、当您付费下载文档后,您只拥有了使用权限,并不意味着购买了版权,文档只能用于自身使用,不得用于其他商业用途(如 [转卖]进行直接盈利或[编辑后售卖]进行间接盈利)。
2、本站所有内容均由合作方或网友上传,本站不对文档的完整性、权威性及其观点立场正确性做任何保证或承诺!文档内容仅供研究参考,付费前请自行鉴别。
3、如文档内容存在违规,或者侵犯商业秘密、侵犯著作权等,请点击“违规举报”。

碎片内容

监测与控制系统节能检验批质量验收记录

雏圣文化+ 关注
实名认证
内容提供者

欢迎光临,大量办公文档供您挑选。

确认删除?
VIP
微信客服
  • 扫码咨询
会员Q群
  • 会员专属群点击这里加入QQ群
客服邮箱
回到顶部