电脑桌面
添加小米粒文库到电脑桌面
安装后可以在桌面快捷访问

监视和测量装置管理程序

监视和测量装置管理程序_第1页
1/5
监视和测量装置管理程序_第2页
2/5
监视和测量装置管理程序_第3页
3/5
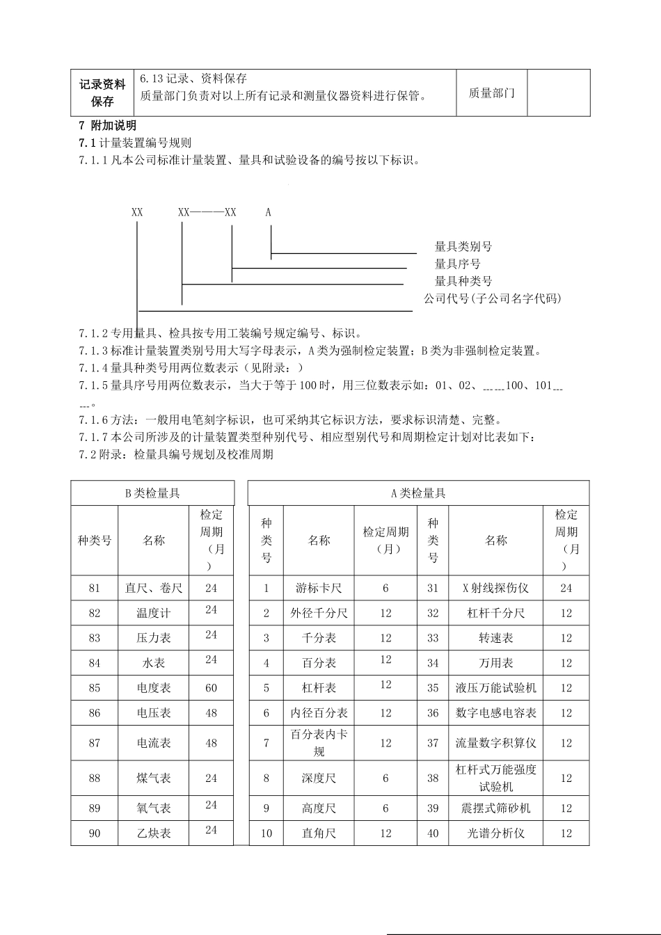
1 目的通过影响产品质量的监视和测量装置有效控制和管理,确保其符合产品所需的测量能力,为公司和顾客提供真实、准确、及时测量,保证产品质量。2 范围适用于公司监视和测量装置(含量具、检具、仪表、仪器、热电偶等)购置、验收、保管、发放及使用全过程的控制(不含设备)。3 定义3.1 检定:查明和确认计量装置是否符合法定要求的程序,它包括检查、张贴标识、出具检定证书。3.2 校准:在规定的条件下,用一个可参考的标准,对包括参考物质在内的测量装置的特性赋值,并确定其示值误差。将测量仪器所指示或代表的量值,根据比较链或校准链,溯源到测量标准所复现的量值上。3.3 外校:当内部实验室无法满足校验基准或用于追溯的标准件,需要送外部校验的活动。外部校验机构必须具备国家认可的资格。4 职责4.1 质量部门:负责监视和测量装置的归口管理;装置验收、台账建立、领用发放及委外检测、维修;4.2 技术部门:负责新产品监视和测量装置前期策划和设计工作。4.3 采购部门:负责监视和测量装置的采购工作。4.4 使用部门:负责保管、维护本部门使用的监视和测量装置。 5 过程流程图 6 工作要点简述工作流程工作描述责任单位使用记录计量装置需求提出6.1 计量装置使用需求的提出需求部门提出型号、精度、数量、厂家和时间等要求;测量器归口管理部门进行审核,分管公司领导批准;使用部门技术部门OA 系统《采购申请》采购6.2 计量装置采购6.2.1 采购部门(或委托专业人员)根据《请购单》中的相关要求根据《采购管理制度》中相关规定购买;采购部门《报验单》验收6.3 计量装置验收6.3.1 监视和测量装置购回后,采购部门(或委托专业人员)填写《报验单》一起交予质量部门报验。如校验不合格,返回采购部门(或委托专业人员)做退货处理。 质量部门入库建立台账6.4 计量装置入库、编号标识6.4.1 质量部门对入库的监视和测量装置立即按量具编号规则对其进行编号标识、登记台账保管,其存放场所干燥、干净,摆放整齐、法律规范,并保存有关质量记录。质量部门《监视和测量装置管理台账》确定校验标准6.5.1 对购买的标准量具,质量部门需在量具清单中明确量具的国标或其它标准。6.5.2 对自制量具,质量部门需下发设计图,且要明确量具的校验周期和尺寸。检定周期按附表执行。质量部门《采购申请》使用6.6 装置使用台帐登记的分为借用和领用两种,并记录领用人、借用人、存放期,领用单位建立借用、领用台账。量具管理...

1、当您付费下载文档后,您只拥有了使用权限,并不意味着购买了版权,文档只能用于自身使用,不得用于其他商业用途(如 [转卖]进行直接盈利或[编辑后售卖]进行间接盈利)。
2、本站所有内容均由合作方或网友上传,本站不对文档的完整性、权威性及其观点立场正确性做任何保证或承诺!文档内容仅供研究参考,付费前请自行鉴别。
3、如文档内容存在违规,或者侵犯商业秘密、侵犯著作权等,请点击“违规举报”。

碎片内容

监视和测量装置管理程序

您可能关注的文档

确认删除?
VIP
微信客服
  • 扫码咨询
会员Q群
  • 会员专属群点击这里加入QQ群
客服邮箱
回到顶部