电脑桌面
添加小米粒文库到电脑桌面
安装后可以在桌面快捷访问

直顶钢管施工工1

直顶钢管施工工1_第1页
1/22
直顶钢管施工工1_第2页
2/22
直顶钢管施工工1_第3页
3/22
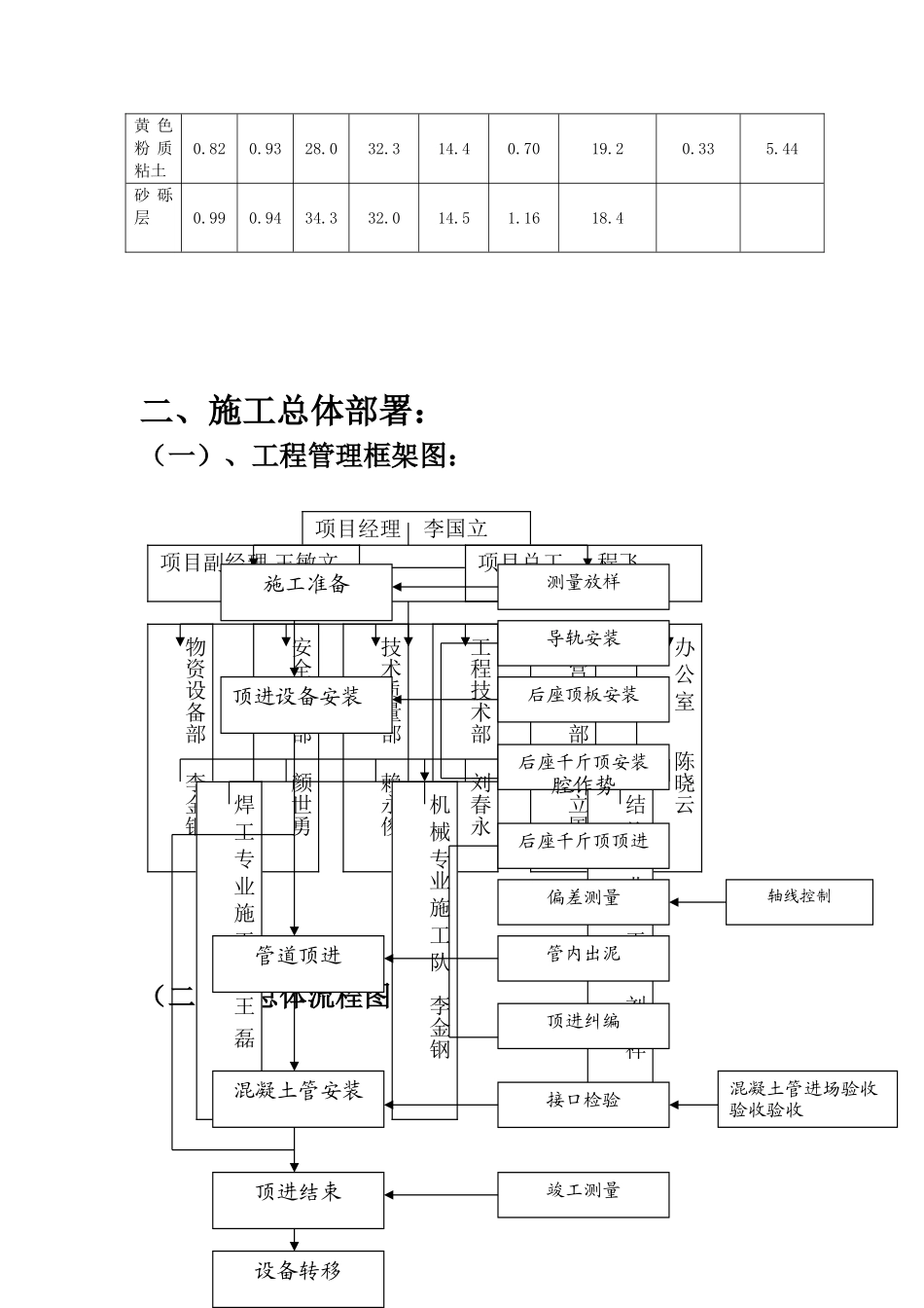
一、工程概况(一)工程简介:我公司承建的 2025 年配合道路建设燃气管线工程(南公路一环)于桩号 3+000.01~ 3+028.00 米处过兴华路和道路两侧排水渠,该道路宽度位 18 米,排水方沟的宽度为 5 米。同时距河边 米为Ф1950 直埋电力管,根据设计图纸天然气管道平面图(燃 02)图中所示该河河底高程为 41.020 米,而经现场实测河底高程为 39.520米,原设计图纸纵断图中该处燃气管线所注标高为 40.200 米,刚好从河中穿过;根据设计图纸为明开,经过设计、监理、基建所、施工等单位到现场堪察和村里用户要求,决定将明开施工改为顶管施工。(二)原因分析:1.兴华路两侧的排水渠,是道路两侧花草树木灌溉的主要供水渠道,宽 5m、深度 3m;假如引水断流,将造成林木灌溉困难,而花草林木是该村的主要经济来源,引水断流村民不同意。2.经现场挖探坑调查确认,该水渠的水已渗透到沟外的土壤中,距该渠道上口线 7 米的范围内是黑色淤泥,明开直埋易造成燃气管的腐蚀且危害到该管的使用时间,达不到设计法律规范要求。3.本工程燃气管道采纳双管敷设,开槽槽底的宽度为 2.7m,根据《市政施工守则》和现况土质(亚沙土)要求槽帮坡度按 1/0.50放坡,上口宽度为 10m,明开由于断面较大,而兴华路是京良公路通往大兴的主道,钢重桥的搭设需耗费大量的人力和物力,而且施工占用道路时间较长,钢重桥的承载和变形观测需专业人士才能鉴定。4.明开施工,水渠的拆改和过兴华路的方案须进行逐级审批,影响工程进度,最终将会影响到整个道路工程的施工。5. 顶管不但方便施工、减少开挖面积,而且还能减小噪音、减少扬尘,有利于交通和环境保护。基于以上 5 条原因,申请将此段共 90m 管线明开改为顶管施工,请审核批示.(三)工程地质条件:工程沿线自上而下的土层分布为:(1)素填土:灰黄色,粘性土,含植物根茎,层厚度为 1.5~2.0m (2)灰黄色粉质粘土:层厚度为 2.0~4.5m(3)黄色粉质粘土(夹砂):层厚度为 4.5~7m(4)砾砂层:层厚度为 7m 以下土质力学性能指标土 层名称及 描述孔隙比 e饱和度 Sr含水量 W%流性限度 W2%塑性指标 IP液性指标 IL重力密度(KN/m3)压缩系数(MPa-1)压缩模量(MP0a)素 填土黄 色粉 质粘土0.820.9328.032.314.40.7019.20.335.44砂 砾层0.990.9434.332.014.51.1618.4二、施工总体部署:(一)、工程管理框架图: (二)、总体流程图:项目经理 李国立项目副经理 王敏文项目总工...

1、当您付费下载文档后,您只拥有了使用权限,并不意味着购买了版权,文档只能用于自身使用,不得用于其他商业用途(如 [转卖]进行直接盈利或[编辑后售卖]进行间接盈利)。
2、本站所有内容均由合作方或网友上传,本站不对文档的完整性、权威性及其观点立场正确性做任何保证或承诺!文档内容仅供研究参考,付费前请自行鉴别。
3、如文档内容存在违规,或者侵犯商业秘密、侵犯著作权等,请点击“违规举报”。

碎片内容

直顶钢管施工工1

确认删除?
VIP
微信客服
  • 扫码咨询
会员Q群
  • 会员专属群点击这里加入QQ群
客服邮箱
回到顶部