电脑桌面
添加小米粒文库到电脑桌面
安装后可以在桌面快捷访问

砖混结构构造柱圈梁板缝支模工艺

砖混结构构造柱圈梁板缝支模工艺_第1页
1/3
砖混结构构造柱圈梁板缝支模工艺_第2页
2/3
砖混结构构造柱圈梁板缝支模工艺_第3页
3/3
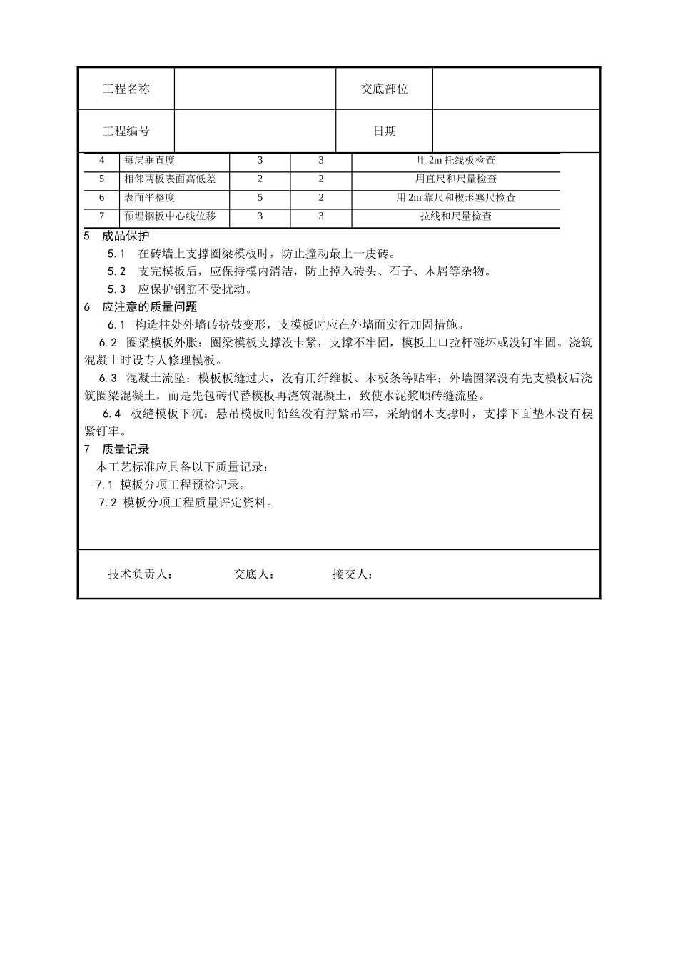
工程名称交底部位工程编号日期交底内容:砖混结构构造柱、圈梁、板缝支模1 范围 本工艺标准主要适用于工业与民用建筑砖混结构、外砖内模和外板内模结构构造柱、圈梁、板缝的模板工程。2 施工准备 2.1 材料及主要机具: 2.1.1 木 板 ( 厚 度 为 20 ~ 50mm ) 、 定 型 组 合 钢 模 板 ( 长 度 为600、750、900、1200、1500mm,宽度为 100、150、200、250、300mm)、阴阳角模、连接角模。 2.1.2 方木、木楔、支撑 (木或钢),定型组合钢模板的附件 (U 形卡、L 形插销、3 形扣件、碟形扣件、对拉螺栓、钩头螺栓、紧固螺栓)、铅丝 (12 号~14 号)、隔离剂等。 2.1.3 打眼电钻、搬手、钳子。 2.2 作业条件 2.2.1 弹好墙身+50cm 水平线,检查砖墙(或混凝土墙)的位置是否符线,办理预检手续。 2.2.2 构造柱钢筋绑扎完毕,并办好隐检手续。 2.2.3 模板拉杆如需螺栓穿墙,砌砖时应按要求预留螺栓孔洞。 2.2.4 检查构造柱内部是否清理洁净,包括砖墙舌头灰、钢筋上挂的灰浆及柱根部的落地灰。3 操作工艺 3.1 工艺流程:支构造柱模板准备工作→支圈梁模板→办 预 检支板缝模板 3.2 支模前将构造柱、圈梁及板缝处杂物全部清理洁净。 3.3 支模板: 3.3.1 构造柱模板: 3.3.1.1 砖混结构的构造柱模板,可采纳木模板或定型组合钢模板。可用一般的支模方法。为防止浇筑混凝土时模板膨胀,影响外墙平整,用木模或组合钢模板贴在外墙面上,并每隔 1m 以内设两根拉条,拉条与内墙拉结,拉条直径不应小于 φ16。拉条穿过砖墙的洞要预留,留洞位置要求距地面 30cm 开始,每隔 1m 以内留一道,洞的平面位置在构造柱大马牙槎以外一丁头砖处。工程名称交底部位工程编号日期 3.3.1.2 外砖内模结构的组合柱,用角模与大模板连接,在外墙处为防止浇筑混凝土挤胀变形,应进行加固处理,模板贴在外墙面上,然后用拉条拉牢。 3.3.1.3 外板内模结构山墙处组合柱,模板采纳木模板或组合钢模板,用斜撑支牢。 3.3.1.4 根部应留置清扫口。 3.3.2 圈梁模板: 3.3.2.1 圈梁模板可采纳木模板或定型组合钢模板上口弹线找平。 3.3.2.2 圈梁模板采纳落地支撑时,下面应垫方木,当用木方支撑时,下面用木楔楔紧。用钢管支撑时,高度应调整合适。 3.3.2.3 钢筋绑扎完以后,模板上口宽度进行校正,并用木撑进行定位,用铁钉临时固定。如采纳组合钢模板,上口应用卡具卡牢,保证圈梁的尺寸。 3.3.2...

1、当您付费下载文档后,您只拥有了使用权限,并不意味着购买了版权,文档只能用于自身使用,不得用于其他商业用途(如 [转卖]进行直接盈利或[编辑后售卖]进行间接盈利)。
2、本站所有内容均由合作方或网友上传,本站不对文档的完整性、权威性及其观点立场正确性做任何保证或承诺!文档内容仅供研究参考,付费前请自行鉴别。
3、如文档内容存在违规,或者侵犯商业秘密、侵犯著作权等,请点击“违规举报”。

碎片内容

砖混结构构造柱圈梁板缝支模工艺

您可能关注的文档

文森传品+ 关注
实名认证
内容提供者

一家传播文化教育的小店,资料丰富,随意挑选。

确认删除?
VIP
微信客服
  • 扫码咨询
会员Q群
  • 会员专属群点击这里加入QQ群
客服邮箱
回到顶部