电脑桌面
添加小米粒文库到电脑桌面
安装后可以在桌面快捷访问

砖混结构钢筋绑扎施工作业指导书

砖混结构钢筋绑扎施工作业指导书_第1页
1/4
砖混结构钢筋绑扎施工作业指导书_第2页
2/4
砖混结构钢筋绑扎施工作业指导书_第3页
3/4
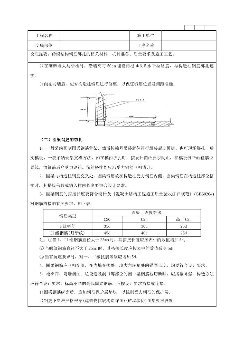
工程名称施工单位交底部位工序名称交底提要:砖混结构钢筋绑扎的相关材料、机具准备、质量要求及施工工艺。交底内容:砖混结构钢筋绑扎一、施工准备(一)作业条件1、核对钢筋级别、型号、形状、尺寸及数量,是否与设计图纸及加工配料单相同。2、弹好标高水平线及构造柱的外皮线。3、构造柱钢筋绑扎前,柱板施工缝已处理完毕,柱筋调整完毕并办理完隐检手续。(二)材质要求1、钢筋:应有出厂材质证明及复试报告。钢筋应无老锈及油污。2、绑丝:可采纳 20-22 号铁丝或火烧丝(根据钢筋的规格确定)。3、控制混凝土保护层用的塑料卡子、塑料垫块应有足够的承载强度,塑料垫块的规格尺寸根据钢筋的直径和设计的钢筋混凝土保护层厚度确定(或现场预制水泥砂浆保护层垫块)。(三)主要工机具钢筋弯曲机、卷扬机、钢筋切断机、钢筋钩子、撬棍、钢筋扳子、绑扎架、钢丝刷、粉笔、尺子等。二、质量要求注:钢筋工程的具体要求请参照本书“独立柱基础工程技术交底记录”中相应部分。三、工艺流程1、构造柱钢筋绑扎预制构造柱钢筋骨架——施工缝砼表面凿毛、修整底层伸出的构造柱搭接筋——安装构造——柱钢筋骨架绑扎搭接部位箍筋2、圈梁钢筋绑扎画钢筋位置线——放箍筋——穿圈梁受力筋——绑扎箍筋四、操作工艺(一)构造柱钢筋绑扎1、预制构造柱钢筋骨架1)先将两根竖向受力钢筋平放在绑扎架上,并在钢筋上画出箍筋间距。工程名称施工单位交底部位工序名称交底提要:砖混结构钢筋绑扎的相关材料、机具准备、质量要求及施工工艺。2)根据画线位置,将箍筋套在受力筋上逐个绑扎,要预留出搭接部位的长度。为防止骨架变形,宜采纳反十字扣或缠扣绑扎。箍筋应与受力钢筋伊持垂直;箍筋弯钩叠合处,应沿 受力钢筋方向错开放置。为防止骨架在运输中变形,构造柱对角钢筋之间用弯起筋绑扎固定。3)穿另外二根受力钢筋,并与箍筋绑扎牢固。箍筋端头弯钩角度为 1350,其弯钩的弯曲直径应大于受力钢筋的直径,且不小于箍筋直径的 2.5 倍;箍筋平直段长度不应小于箍筋直径的 10倍。4)在柱顶、柱脚与圈梁钢筋交接的部位,应按设计要求加密柱的箍筋;无设计要求时加密范围一般在圈梁上、下均为 500mm,箍筋间距为 1OOmm(柱脚加密区箍筋待柱骨架立起搭接后再绑扎)。2、修整底层伸出的构造柱搭接筋根据已放好的构造柱位置线,检查搭接筋位置及搭接长度是否符合设计和抗震法律规范的要求。底层构造柱竖筋与基础圈梁锚固要求:有设计要求时,应按设计要求进行施工;无设计要求...

1、当您付费下载文档后,您只拥有了使用权限,并不意味着购买了版权,文档只能用于自身使用,不得用于其他商业用途(如 [转卖]进行直接盈利或[编辑后售卖]进行间接盈利)。
2、本站所有内容均由合作方或网友上传,本站不对文档的完整性、权威性及其观点立场正确性做任何保证或承诺!文档内容仅供研究参考,付费前请自行鉴别。
3、如文档内容存在违规,或者侵犯商业秘密、侵犯著作权等,请点击“违规举报”。

碎片内容

砖混结构钢筋绑扎施工作业指导书

您可能关注的文档

确认删除?
VIP
微信客服
  • 扫码咨询
会员Q群
  • 会员专属群点击这里加入QQ群
客服邮箱
回到顶部