电脑桌面
添加小米粒文库到电脑桌面
安装后可以在桌面快捷访问

程序管理注释说明

程序管理注释说明_第1页
1/2
程序管理注释说明_第2页
2/2
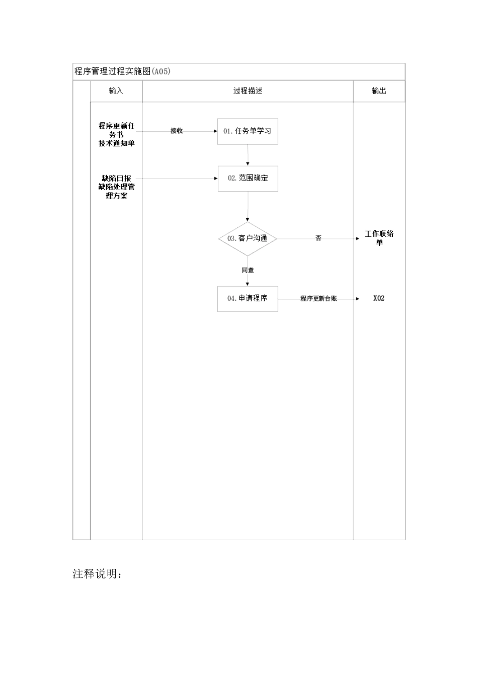
注释说明:1.任务单学习:对本部下发的技术通知单或者程序更新任务书进行学习;1.范围确定:(1)针对下发的技术通知单或者程序更新任务书要求进行确认现场风机是否或者多少属于此技术通知要求 (2)针对现场运行期间产生或出厂自带在运行期间暴露出需要修改程序的缺陷,在缺陷日报中体现的机组数作为范围的输入条件;2.客户沟通:向客户说明程序的修改原因,递交书面申请以获得同意3.申请程序:根据确定的范围向本部申请程序;4.程序更新台账:程序申请后需在台账中进行更新,明确刷新机组;涉及文件:控制程序版本管理办法、程序任务更新书、技术通知单、缺陷日报、缺陷处理方案、程序台账、工作联络单。

1、当您付费下载文档后,您只拥有了使用权限,并不意味着购买了版权,文档只能用于自身使用,不得用于其他商业用途(如 [转卖]进行直接盈利或[编辑后售卖]进行间接盈利)。
2、本站所有内容均由合作方或网友上传,本站不对文档的完整性、权威性及其观点立场正确性做任何保证或承诺!文档内容仅供研究参考,付费前请自行鉴别。
3、如文档内容存在违规,或者侵犯商业秘密、侵犯著作权等,请点击“违规举报”。

碎片内容

程序管理注释说明

您可能关注的文档

确认删除?
VIP
微信客服
  • 扫码咨询
会员Q群
  • 会员专属群点击这里加入QQ群
客服邮箱
回到顶部