电脑桌面
添加小米粒文库到电脑桌面
安装后可以在桌面快捷访问

第六章-引水系统工程施工

第六章-引水系统工程施工_第1页
1/8
第六章-引水系统工程施工_第2页
2/8
第六章-引水系统工程施工_第3页
3/8
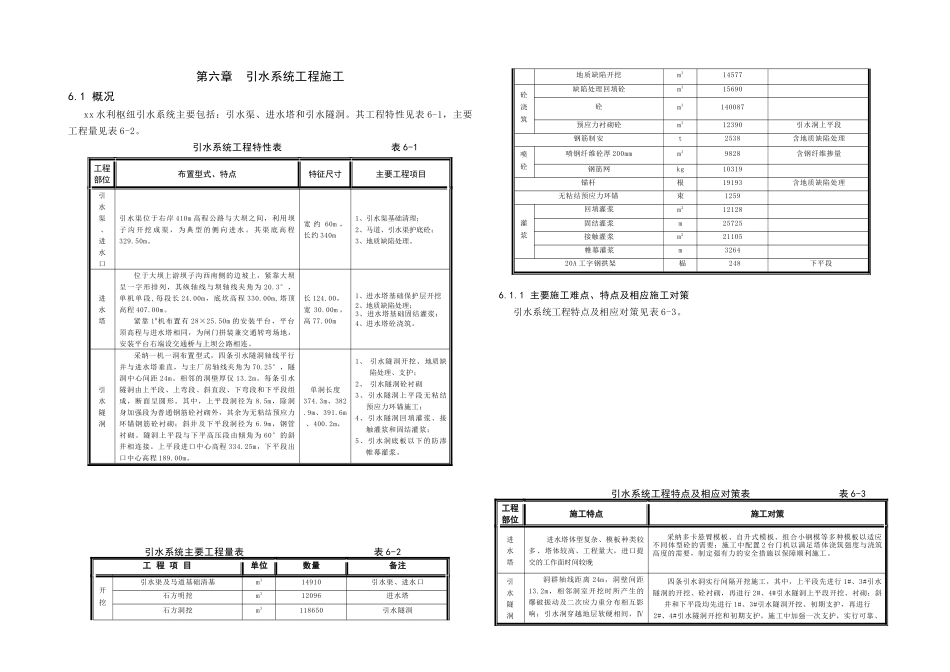
第六章 引水系统工程施工6.1 概况xx 水利枢纽引水系统主要包括:引水渠、进水塔和引水隧洞。其工程特性见表 6-1,主要工程量见表 6-2。引水系统工程特性表 表 6-1工程部位布置型式、特点特征尺寸主要工程项目引水渠 、 进水口引水渠位于右岸 410m 高程公路与大坝之间,利用坝子 沟 开 挖 成 渠 , 为 典 型 的 侧 向 进 水 。 其 渠 底 高 程329.50m。宽 约 60m , 长约 340m1、引水渠基础清理;2、马道、引水渠护底砼;3、地质缺陷处理。进水塔位于大坝上游坝子沟西南侧的边坡上,紧靠大坝呈一字形排列,其纵轴线与坝轴线夹角为 20.3°,单机单段,每段长 24.00m,底坎高程 330.00m,塔顶高程 407.00m。紧靠 1#机布置有 28×25.50m 的安装平台,平台顶高程与进水塔相同,为闸门拼装兼交通转弯场地,安装平台右端设交通桥与上坝公路相连。长 124.00,宽 30.00m ,高 77.00m1、进水塔基础保护层开挖2、地质缺陷处理;3、进水塔基础固结灌浆;4、进水塔砼浇筑。引水隧洞采纳一机一洞布置型式,四条引水隧洞轴线平行并与进水塔垂直,与主厂房轴线夹角为 70.25°,隧洞中心间距 24m。相邻的洞壁厚仅 13.2m。每条引水隧洞由上平段、上弯段、斜直段、下弯段和下平段组成,断面呈圆形。其中,上平段洞径为 8.5m,除洞身加强段为普通钢筋砼衬砌外,其余为无粘结预应力环锚钢筋砼衬砌;斜井及下平段洞径为 6.9m,钢管衬砌。隧洞上平段与下平高压段由倾角为 60°的斜井相连接。上平段进口中心高程 334.25m,下平段出口中心高程 189.00m。单洞长度374.3m、382.9m、391.6m、400.2m,1、 引水隧洞开挖、地质缺陷处理、支护;2、 引水隧洞砼衬砌3、引水隧洞上平段无粘结预应力环锚施工;4、引水隧洞回填灌浆、接触灌浆和固结灌浆;5、引水洞底板以下的防渗帷幕灌浆。 引水系统主要工程量表 表 6-2工 程 项 目单位数量备注开挖引水渠及马道基础清基m314910引水渠、进水口石方明挖m312096进水塔石方洞挖m3118650引水隧洞地质缺陷开挖m314577砼浇筑缺陷处理回填砼m315690砼m3140087预应力衬砌砼m312390引水洞上平段钢筋制安t2538含地质缺陷处理喷砼喷钢纤维砼厚 200mmm39828含钢纤维掺量钢筋网kg10319锚杆根19193含地质缺陷处理无粘结预应力环锚束1259灌浆回填灌浆m212128固结灌浆m25725接触灌浆m221105帷幕灌浆m326420A 工字钢拱架榀248下平段6.1.1 主要施工难点、特点及相应施工对策引水系统工程...

1、当您付费下载文档后,您只拥有了使用权限,并不意味着购买了版权,文档只能用于自身使用,不得用于其他商业用途(如 [转卖]进行直接盈利或[编辑后售卖]进行间接盈利)。
2、本站所有内容均由合作方或网友上传,本站不对文档的完整性、权威性及其观点立场正确性做任何保证或承诺!文档内容仅供研究参考,付费前请自行鉴别。
3、如文档内容存在违规,或者侵犯商业秘密、侵犯著作权等,请点击“违规举报”。

碎片内容

第六章-引水系统工程施工

您可能关注的文档

确认删除?
VIP
微信客服
  • 扫码咨询
会员Q群
  • 会员专属群点击这里加入QQ群
客服邮箱
回到顶部