电脑桌面
添加小米粒文库到电脑桌面
安装后可以在桌面快捷访问

第四章-施工总进度计划

第四章-施工总进度计划_第1页
1/9
第四章-施工总进度计划_第2页
2/9
第四章-施工总进度计划_第3页
3/9
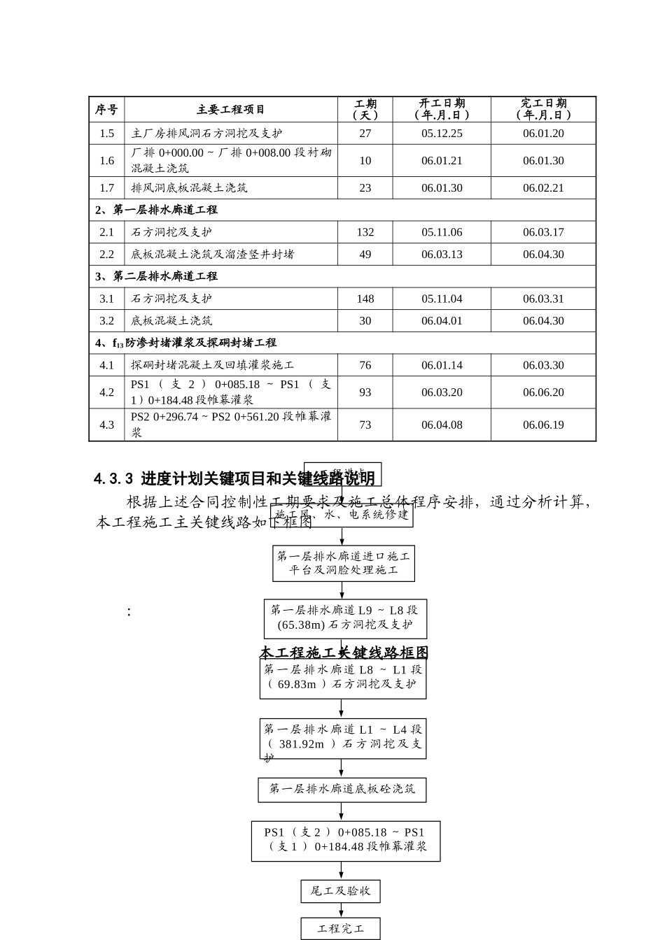
第四章 施工总进度计划4.1 编制依据及原则4.1.1 编制依据1、招标文件开工、完工、节点工期要求;2、本工程的规模、水文及地质情况、施工干扰因素、交通运输等施工条件;3、施工总体程序及内外协调要求;4、施工设备的配置及其生产能力;5、我局在类似工程中的施工、管理经验。4.1.2 编制原则1、严格根据招标文件规定及合同控制性工期要求,做好施工总体规划,科学合理地安排施工程序及施工进度,确保合同总工期如期完成。2、充分发挥我局的技术及装备优势,组织精良的施工队伍以提高施工效率,加快工程施工进度。3、采纳适中的施工强度指标排定施工进度,对不可预见因素留有充分的回旋余地,并在施工中力求实现均衡生产,文明施工。4.2 总工期及控制性工期要求4.2.1 总工期根据招标文件要求,雅砻江锦屏一级水电站地下厂房系统辅助洞室工程计划开工日期为 2025 年 10 月 25 日,完工日期为 2025 年 6 月 30 日,施工总工期 8 个月零 6 天。4.2.2 主要控制性工期招标文件规定的主要控制性工期见下表 4-1。表 4-1 主要控制性工期表序号单位工程项目及其说明要求完工日期1工程开工2025 年 10 月 25 日2厂房及主变室排风洞2006 年 2 月 28 日3第一层排水廊道2025 年 4 月 30 日4第二层排水廊道2025 年 4 月 30 日5本合同完工2025 年 6 月 30 日6移交工作面2025 年 7 月 1 日4.3 施工总进度计划说明4.3.1 施工合同主要项目及主要工程量1、合同主要项目(1)主厂房排风洞、主变室排风洞等地下厂房通风系统的地下洞室开挖、临时和永久支护、钻孔和灌浆、混凝土浇筑、截排水系统等所有项目;(2)厂区排水系统第一、第二层排水廊道的地下洞室开挖、临时和永久支护、钻孔和灌浆、混凝土浇筑等所有项目;(3)探硐封堵的混凝土、回填灌浆等全部施工项目;(4)f13防渗封堵灌浆。2、施工主要工程量本合同主要工程量(不含临建)详见表 4-2。表 4-2 本工程主要工程量表序号项目名称单位工程量1石方洞挖m3324152锚杆根44813喷混凝土m34584钻孔m95905回填灌浆m25766固结灌浆t607封堵灌浆t29608混凝土m332809钢筋t664.3.2 施工进度计划说明本工程主要工程(或关键节点)施工进度安排见表 4-3。表 4-3 本工程主要项目进度表 序号主要工程项目工期(天)开工日期(年.月.日)完工日期(年.月.日)1、厂房及主变室排风洞工程1.1主变排风洞开挖及支护6305.11.0606.01.071.2排风 0+000.00~排风 0+00...

1、当您付费下载文档后,您只拥有了使用权限,并不意味着购买了版权,文档只能用于自身使用,不得用于其他商业用途(如 [转卖]进行直接盈利或[编辑后售卖]进行间接盈利)。
2、本站所有内容均由合作方或网友上传,本站不对文档的完整性、权威性及其观点立场正确性做任何保证或承诺!文档内容仅供研究参考,付费前请自行鉴别。
3、如文档内容存在违规,或者侵犯商业秘密、侵犯著作权等,请点击“违规举报”。

碎片内容

第四章-施工总进度计划

确认删除?
VIP
微信客服
  • 扫码咨询
会员Q群
  • 会员专属群点击这里加入QQ群
客服邮箱
回到顶部