电脑桌面
添加小米粒文库到电脑桌面
安装后可以在桌面快捷访问

统计技术应用实施指南

统计技术应用实施指南_第1页
1/7
统计技术应用实施指南_第2页
2/7
统计技术应用实施指南_第3页
3/7
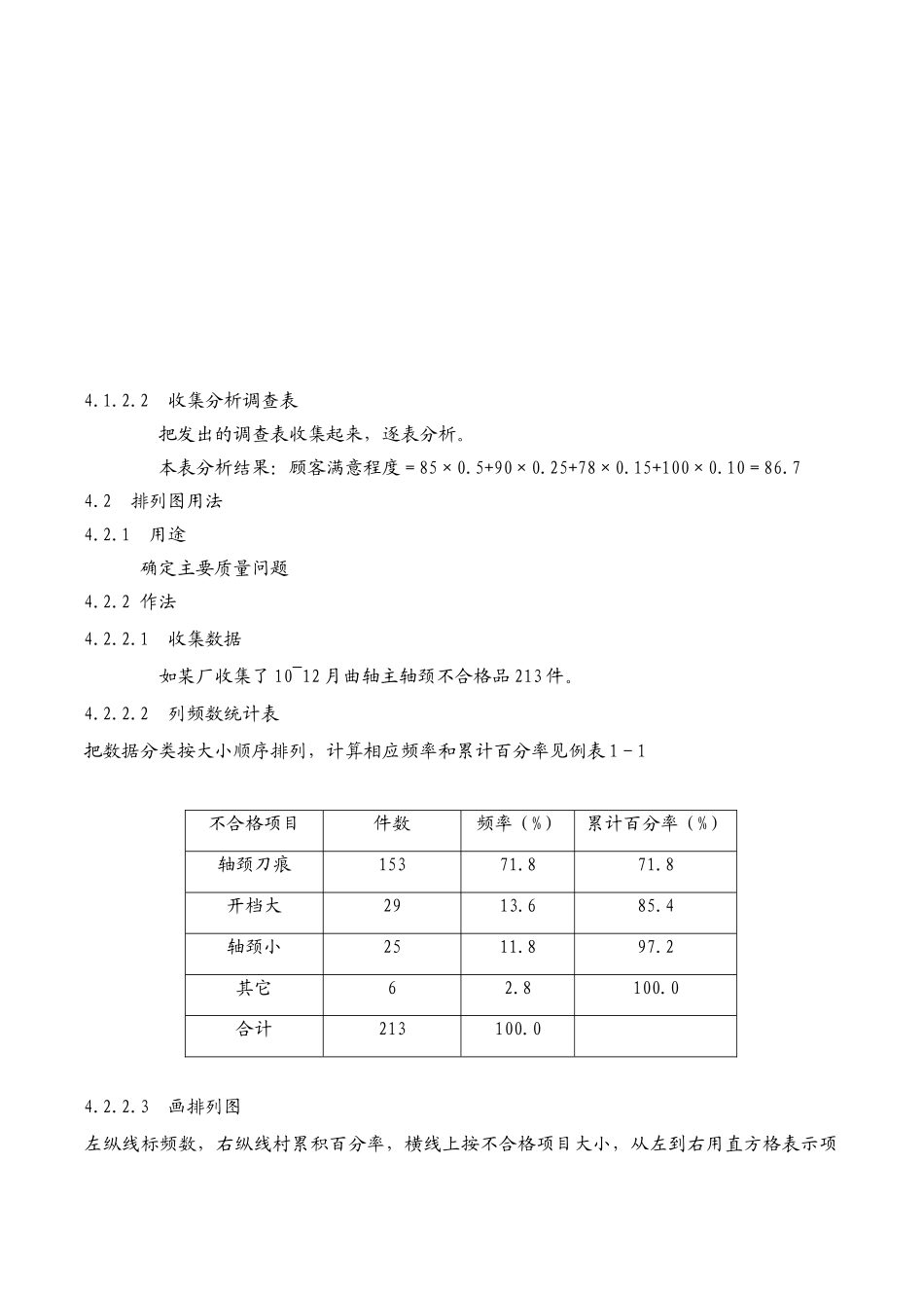
XXXX 电气有限公司管理法律规范文件编号:DL/WI-008标题:统计技术应用法律规范总页数:6版 序:A/O 1、目的 对统计技术应用方法进行阐明以指导实施。2、适用范围 适用于统计技术的知识培训和实施应用。3、职责3.1 质管部负责统计技术应用方法的阐释和指导。3.2 需求部门在质管部的指导下开展实施应用。4、内容4.1调查表法4.1.1 用途为了某一个目的,用表格的形式,定性或定量地调查和掌握过程和结果的状态。4.1.2作法4.1.2.1 表格设计 根据要调查的特性,根据定性或定量要求而设计适用的表格。如,为了调查和测量顾客满意程度,设计了如下的“顾客满意程度调查表”。顾客满意程度调查表顾客单位致顾客:使用产品顾客签章满意程度(j)项目(i)(权数)很满意满意一般满意不满意很不满意85~10070~8560~7040~600~40适用性(0.35)安全性(0.25)交 货(0.15)价 格(0.15)包 装(0.10)顾客满意程序(分)=Σij (i=1、2、3、4、5;j=1、2、3、4、5)4.1.2.2 收集分析调查表 把发出的调查表收集起来,逐表分析。 本表分析结果:顾客满意程度=85×0.5+90×0.25+78×0.15+100×0.10=86.74.2 排列图用法4.2.1 用途 确定主要质量问题4.2.2 作法4.2.2.1 收集数据 如某厂收集了 10~12 月曲轴主轴颈不合格品 213 件。4.2.2.2列频数统计表把数据分类按大小顺序排列,计算相应频率和累计百分率见例表 1-1不合格项目件数频率(%)累计百分率(%)轴颈刀痕15371.871.8开档大2913.685.4轴颈小2511.897.2其它62.8100.0合计213100.04.2.2.3 画排列图左纵线标频数,右纵线村累积百分率,横线上按不合格项目大小,从左到右用直方格表示项目,通过表示累计百分率的大小的点画一条向右向上的折线(见下页)4.2.2.4 分析 在排列图上从左往右,累积百分率达 80%左右者,对应的项目即为影响产品质量的主要问题。 4.3 因果图用法 97.2% 100.0 项目名称 85.5% 1、轴颈刀痕 153.0 2、开档大 71.8% 3、轴颈小 4、其他 29.0 25.0 6.0 1 2 3 44.3.1用途分析产品主要质量问题的原因4.3.2 作法4.3.2.1明确问题 问题是我们需要解决的对象,可用排列图确定主要问题。在因果图,问题一般画在图形的右半部。4.3.2.2 原因分类 对产生问题的原因,一般先按人、机、料、法、环五大类分析,在此基础上再进行一层比一层细致的分析。4.3.2.3 用“鱼刺”的形式把各类原因同问题联系起来。4.3.2.4通过因果图,从大到小,从粗到细进行寻根究底...

1、当您付费下载文档后,您只拥有了使用权限,并不意味着购买了版权,文档只能用于自身使用,不得用于其他商业用途(如 [转卖]进行直接盈利或[编辑后售卖]进行间接盈利)。
2、本站所有内容均由合作方或网友上传,本站不对文档的完整性、权威性及其观点立场正确性做任何保证或承诺!文档内容仅供研究参考,付费前请自行鉴别。
3、如文档内容存在违规,或者侵犯商业秘密、侵犯著作权等,请点击“违规举报”。

碎片内容

统计技术应用实施指南

您可能关注的文档

一二三四传媒+ 关注
实名认证
内容提供者

大量资料供您选择,没有合适的可以联系小二。

确认删除?
VIP
微信客服
  • 扫码咨询
会员Q群
  • 会员专属群点击这里加入QQ群
客服邮箱
回到顶部