电脑桌面
添加小米粒文库到电脑桌面
安装后可以在桌面快捷访问

综合楼测量方案

综合楼测量方案_第1页
1/10
综合楼测量方案_第2页
2/10
综合楼测量方案_第3页
3/10
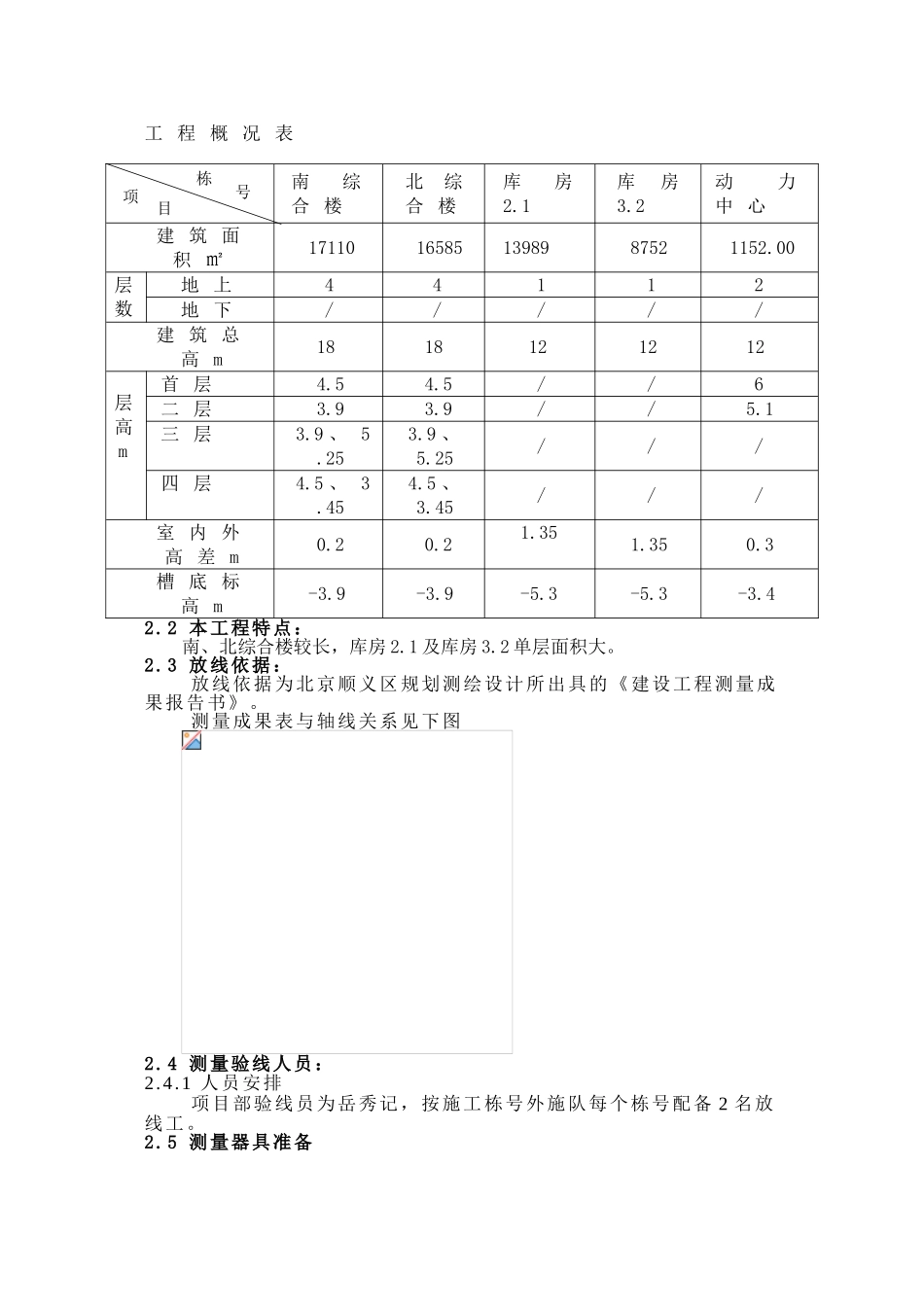
目 录1编制依据..........................................................................................................................11.1《建筑工程施工测量规程》(DBJ01 -21-95)...............................................11.2北京顺义区规划测绘设计所提供的《建设工程测量成果报告书》...................11.3北京建筑设计讨论院设计施工图纸.......................................................................12工程概况及特点..............................................................................................................12.1工程概况..................................................................................................................12.2本工程特点:...........................................................................................................22.3放线依据:..............................................................................................................22.4测量验线人员:.......................................................................................................22.5测量器具准备...........................................................................................................23主要施测方法和技术措施...............................................................................................33.1建立场区控制网.......................................................................................................33.2±0.000 米以下平面、高程控制...........................................................................43.3装饰工程施工测量...................................................................................................73.4工程验线:..............................................................................................................84质量管理要求及措施.......................................................................................................84.1质量保证体系...........................................................................................................84...

1、当您付费下载文档后,您只拥有了使用权限,并不意味着购买了版权,文档只能用于自身使用,不得用于其他商业用途(如 [转卖]进行直接盈利或[编辑后售卖]进行间接盈利)。
2、本站所有内容均由合作方或网友上传,本站不对文档的完整性、权威性及其观点立场正确性做任何保证或承诺!文档内容仅供研究参考,付费前请自行鉴别。
3、如文档内容存在违规,或者侵犯商业秘密、侵犯著作权等,请点击“违规举报”。

碎片内容

综合楼测量方案

您可能关注的文档

确认删除?
VIP
微信客服
  • 扫码咨询
会员Q群
  • 会员专属群点击这里加入QQ群
客服邮箱
回到顶部