电脑桌面
添加小米粒文库到电脑桌面
安装后可以在桌面快捷访问

裙楼屋面技术交底

裙楼屋面技术交底_第1页
1/9
裙楼屋面技术交底_第2页
2/9
裙楼屋面技术交底_第3页
3/9
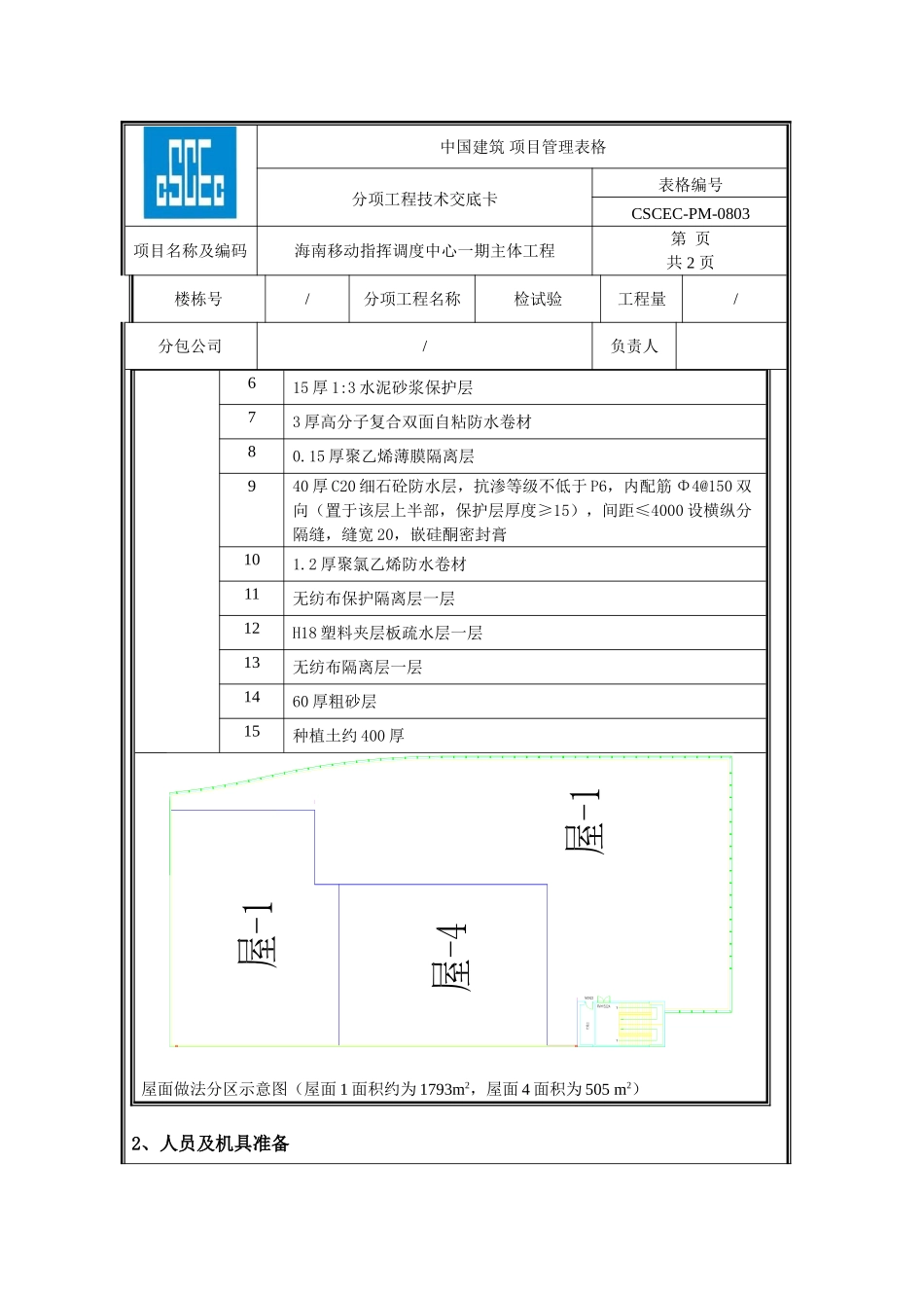
中国建筑 项目管理表格分项工程技术交底卡表格编号CSCEC-PM-0803项目名称及编码海南移动指挥调度中心一期主体工程第 页共 2 页楼栋号/分项工程名称检试验工程量/分包公司/负责人交底内容1、裙楼概况种类序号做法屋面 11钢筋混凝土屋面结构板,表面清扫洁净,用 1:2 水泥砂浆补平孔洞,若顶板发现裂缝或空鼓,需先做处理2刷素水泥浆一遍(掺 5%108 胶)320 厚(最薄处)陶粒混凝土找坡层,容重小于 10Kn/M,坡度 2%420 厚 1:2.5 水泥砂浆找平层,间距≤4000 设横纵分隔缝,缝宽20,嵌硅酮密封膏52 厚聚合物水泥防水涂料,三遍成活615 厚 1:3 水泥砂浆保护层72 厚高分子复合双面自粘防水卷材830 厚 RC 型 B2 级挤塑聚苯乙烯泡沫塑料板 90.15 厚聚乙烯薄膜隔离层1040 厚 C20 细石砼防水层,抗渗等级不低于 P6,内配筋 Φ4@150 双向(置于该层上半部,保护层厚度≥15),间距≤4000 设横纵分隔缝,缝宽 20,嵌硅酮密封膏 1125 厚 1:4 干硬性水泥砂浆12600*600 灰色 20 厚花岗岩,缝宽 5-8,专用填缝料填缝屋面 41钢筋混凝土屋面结构板,表面清扫洁净,用 1:2 水泥砂浆补平孔洞,若顶板发现裂缝或空鼓,需先做处理2刷素水泥浆一遍(掺 5%108 胶)320 厚(最薄处)陶粒混凝土找坡层,容重小于,10Kn/M,坡度 2%420 厚 1:2.5 水泥砂浆找平层,间距≤4000 设横纵分隔缝,缝宽20,嵌硅酮密封膏52 厚聚合物水泥防水涂料,三遍成活中国建筑 项目管理表格分项工程技术交底卡表格编号CSCEC-PM-0803项目名称及编码海南移动指挥调度中心一期主体工程第 页共 2 页楼栋号/分项工程名称检试验工程量/分包公司/负责人615 厚 1:3 水泥砂浆保护层73 厚高分子复合双面自粘防水卷材80.15 厚聚乙烯薄膜隔离层940 厚 C20 细石砼防水层,抗渗等级不低于 P6,内配筋 Φ4@150 双向(置于该层上半部,保护层厚度≥15),间距≤4000 设横纵分隔缝,缝宽 20,嵌硅酮密封膏101.2 厚聚氯乙烯防水卷材11无纺布保护隔离层一层12H18 塑料夹层板疏水层一层13无纺布隔离层一层1460 厚粗砂层15种植土约 400 厚屋面做法分区示意图(屋面 1 面积约为 1793m2,屋面 4 面积为 505 m2)2、人员及机具准备中国建筑 项目管理表格分项工程技术交底卡表格编号CSCEC-PM-0803项目名称及编码海南移动指挥调度中心一期主体工程第 页共 2 页楼栋号/分项工程名称检试验工程量/分包公司/负责人2.1 施工机具准备序号...

1、当您付费下载文档后,您只拥有了使用权限,并不意味着购买了版权,文档只能用于自身使用,不得用于其他商业用途(如 [转卖]进行直接盈利或[编辑后售卖]进行间接盈利)。
2、本站所有内容均由合作方或网友上传,本站不对文档的完整性、权威性及其观点立场正确性做任何保证或承诺!文档内容仅供研究参考,付费前请自行鉴别。
3、如文档内容存在违规,或者侵犯商业秘密、侵犯著作权等,请点击“违规举报”。

碎片内容

裙楼屋面技术交底

确认删除?
VIP
微信客服
  • 扫码咨询
会员Q群
  • 会员专属群点击这里加入QQ群
客服邮箱
回到顶部