电脑桌面
添加小米粒文库到电脑桌面
安装后可以在桌面快捷访问

轨道交通延长线弱电系统安装工程量清单

轨道交通延长线弱电系统安装工程量清单_第1页
1/54
轨道交通延长线弱电系统安装工程量清单_第2页
2/54
轨道交通延长线弱电系统安装工程量清单_第3页
3/54
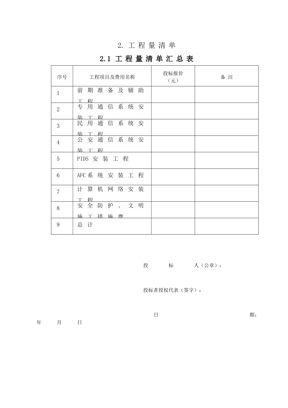
第 七 卷 工 程 量 清 单1. 工程量清单说明1.1 本工程量清单应与投标须知、合同条件、技术条件(法律规范)和图纸一起使用。1.2 本工程量清单所列的为工程项目和计量单位,不允许展开为几个小项,不允许改变序号,投标人如有补充项目可在相应部分按序号顺延。各工程项目的名称不应看作是该项工程项目工作所需的每一项作业和每一种材料、设备的定义与描述。1.3 合同执行过程的计量与支付按工程量清单、施工设计图和合同原则,以及地铁总公司有关规定计量与支付。1.4 除非合同另有规定,具有标价的工程量清单中所报的单价和合价应包括劳务、施工机具、材料、制造、运输、安装、试验、调试、测试、维护、管理、利润、 税金及合同包含的所有风险、责任等所应有的费用。所有项目中的人工费、材料费、机械费均按现行价计入直接费。1.5 无论工程量是否列明,具有标价的工程量清单中的每一单项均需填写单价或合价,对承包人没有填写单价或合价的项目的费用,应视为已包含在工程量清单的其他单价或合价之中。( 投标书内不允许有选择性报价)1.6 工程量清单不再重复或概列工程及材料的一般说明,在填写工程量清单的每一项的单价和合价时应仔细阅读理解本招标文件的有关章节规定,特别是本部分“工程计量和支付的规定”。要充分考虑与土建、装修、机电各专业间的接口及交叉施工等不可预见因素,可适当考虑包干费,并纳入综合费中。1.7 对于甲供设备材料, 投标人可按有关规定考虑施工场地二次运输费, 其费率自定。1.8 对于甲招乙供设备材料, 投标人可在施工场地价基础上按有关规定考虑采购保管费,其费率自定。1.9 工程量清单中单价栏保留两位小数,合价栏保留整数,以“元”为单位。1.10 要求投标人仅对工程量清单备注栏内标注“*” 符号的项目提供相应单价分析表(工程量清单附件一)。1.11 本次招标文件中的安全生产措施费由业主统一给定,执行广州市建委颁发的穗建筑[2025]106号文,即《关于印发广州市建筑工程安全生产措施费管理办法的通知》,工程量清单中的安全生产措施费今后不作调整。2. 工 程 量 清 单2.1 工 程 量 清 单 汇 总 表序号工程项目及费用名称投标报价(元)备 注1前 期 准 备 及 辅 助工 程2专 用 通 信 系 统 安装 工 程3民 用 通 信 系 统 安装 工 程4公 安 通 信 系 统 安装 工 程5PIDS 安 装 工 程6AFC 系 统 安 装 工 程7计 算 机 网 络 安 ...

1、当您付费下载文档后,您只拥有了使用权限,并不意味着购买了版权,文档只能用于自身使用,不得用于其他商业用途(如 [转卖]进行直接盈利或[编辑后售卖]进行间接盈利)。
2、本站所有内容均由合作方或网友上传,本站不对文档的完整性、权威性及其观点立场正确性做任何保证或承诺!文档内容仅供研究参考,付费前请自行鉴别。
3、如文档内容存在违规,或者侵犯商业秘密、侵犯著作权等,请点击“违规举报”。

碎片内容

轨道交通延长线弱电系统安装工程量清单

雏圣文化+ 关注
实名认证
内容提供者

欢迎光临,大量办公文档供您挑选。

确认删除?
VIP
微信客服
  • 扫码咨询
会员Q群
  • 会员专属群点击这里加入QQ群
客服邮箱
回到顶部